0 to 20V, 1 to 4-Cell, Lithium-Ion/Lithium-Polymer Battery Charger for Notebook

Referenzdesign unter Verwendung des Teils BQ24735RGR von Texas Instruments

Hersteller

Texas Instruments
  • Anwendungskategorie
    Batteriemanagement
  • Produkttyp
    Akkuladegeräte

Für Endprodukte

  • Laptop
  • Netbook
  • Notebook

Beschreibung

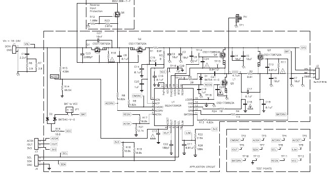
  • bq24725A/735 evaluation module (EVM) is a complete charger module for evaluating a multi-cell synchronous notebook turbo boost charge using bq24725A/735 devices. It is designed to deliver up to 4A of charge current to Li-ion or Li-polymer applications

Haupteigenschaften

  • Battery Type
    Lithium-Ion|Lithium-Polymer
  • Input Voltage
    18 to 22 V
  • Output Voltage
    0 to 20 V
  • Number of Battery Cells
    1 to 4

Aktuelles über Elektronikkomponenten­

Wir haben unsere Datenschutzbestimmungen aktualisiert. Bitte nehmen Sie sich einen Moment Zeit, diese Änderungen zu überprüfen. Mit einem Klick auf "Ich stimme zu", stimmen Sie den Datenschutz- und Nutzungsbedingungen von Arrow Electronics zu.

Wir verwenden Cookies, um den Anwendernutzen zu vergrößern und unsere Webseite zu optimieren. Mehr über Cookies und wie man sie abschaltet finden Sie hier. Cookies und tracking Technologien können für Marketingzwecke verwendet werden.
Durch Klicken von „RICHTLINIEN AKZEPTIEREN“ stimmen Sie der Verwendung von Cookies auf Ihrem Endgerät und der Verwendung von tracking Technologien zu. Klicken Sie auf „MEHR INFORMATIONEN“ unten für mehr Informationen und Anleitungen wie man Cookies und tracking Technologien abschaltet. Das Akzeptieren von Cookies und tracking Technologien ist zwar freiwillig, das Blockieren kann aber eine korrekte Ausführung unserer Website verhindern, und bestimmte Werbung könnte für Sie weniger relevant sein.
Ihr Datenschutz ist uns wichtig. Lesen Sie mehr über unsere Datenschutzrichtlinien hier.