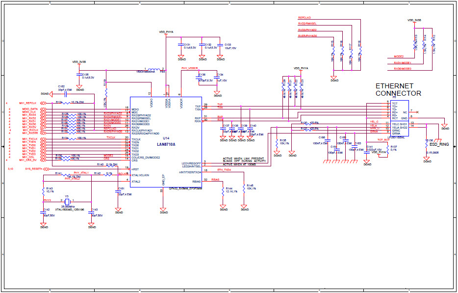
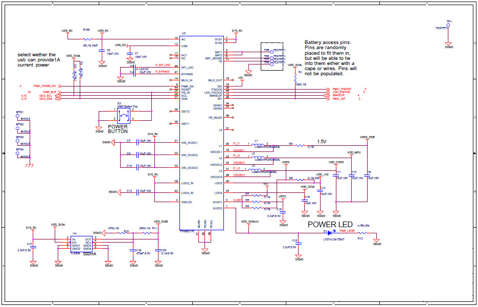
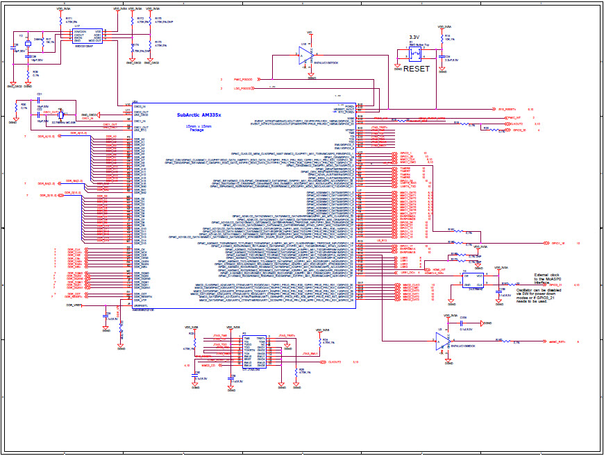
102010027, BeagleBone Green (BBG) Development Platform
Referenzdesign unter Verwendung des Teils AM3358BZCZ100 von Seeed Technology Co.,Ltd
Zugehörige Dokumente
Für Endprodukte
- Human Machine Interface (HMI)
- Industrial
- Internet of Things (IoT)
- Process Control
- Robots
- Sensors and Hubs
- Smart Home
Beschreibung
- 102010027, SeeedStudio BeagleBone Green (BBG) is a low cost, open-source, community supported development platform for developers and hobbyists. It is a joint effort by BeagleBoard.org and Seeed Studio. It is based on the classical open-source hardware design of BeagleBone Black and developed into this differentiated version. The BBG includes two Grove connectors, making it easier to connect to the large family of Grove sensors. The on-board HDMI is removed to make room for these Grove connectors. Boot Linux in under 10 seconds and get started on development in less than 5 minutes with just a single USB cable
Empfohlene Bauteile (50)
| Teilenummer | Hersteller | Typ | Beschreibung | |||
|---|---|---|---|---|---|---|
|
|
24LC32AT-I/ST | Microchip Technology | EEPROM | EEPROM Serial-I2C 32K-bit 4K x 8 3.3V/5V 8-Pin TSSOP T/R | In den Warenkorb | |
|
|
24LC32A-I/SNG | Microchip Technology | EEPROM | EEPROM Serial-I2C 32K-bit 4K x 8 3.3V/5V 8-Pin SOIC N Tube | In den Warenkorb | |
|
|
24LC32A-E/P | Microchip Technology | EEPROM | EEPROM Serial-I2C 32K-bit 4K x 8 3.3V/5V 8-Pin PDIP Tube Automotive AEC-Q100 | In den Warenkorb | |
|
|
TPS65217CRSLT | Texas Instruments | PMIC Solutions | Power Management IC 2.75V to 5.5V 48-Pin VQFN EP T/R | In den Warenkorb | |
|
|
24LC32A/SM | Microchip Technology | EEPROM | EEPROM Serial-I2C 32K-bit 4K x 8 3.3V/5V Automotive AEC-Q100 8-Pin SOIJ Tube | In den Warenkorb | |
|
|
SN74LVC2G241DCUR | Texas Instruments | Buffers and Line Drivers | Buffer/Line Driver 2-CH Non-Inverting 3-ST CMOS 8-Pin VSSOP T/R | In den Warenkorb | |
|
|
24LC32AT-E/SM | Microchip Technology | EEPROM | EEPROM Serial-I2C 32K-bit 4K x 8 3.3V/5V 8-Pin SOIJ T/R Automotive AEC-Q100 | In den Warenkorb | |
|
|
24LC32AT-I/MNY | Microchip Technology | EEPROM | EEPROM Serial-I2C 32K-bit 4K x 8 3.3V/5V 8-Pin TDFN EP T/R | In den Warenkorb | |
|
|
24LC32AT-E/MS | Microchip Technology | EEPROM | EEPROM Serial-I2C 32K-bit 4K x 8 3.3V/5V 8-Pin MSOP T/R Automotive AEC-Q100 | In den Warenkorb | |
|
|
SN74LVC2G241DCU3 | Texas Instruments | Buffers and Line Drivers | Buffer/Line Driver 2-CH Non-Inverting 3-ST CMOS 8-Pin VSSOP | In den Warenkorb | |
|
|
24LC32A-I/SM | Microchip Technology | EEPROM | EEPROM Serial-I2C 32K-bit 4K x 8 3.3V/5V 8-Pin SOIJ Tube | In den Warenkorb | |
|
|
24LC32AT-E/MNY | Microchip Technology | EEPROM | EEPROM Serial-I2C 32K-bit 4K x 8 3.3V/5V 8-Pin TDFN EP T/R Automotive AEC-Q100 | In den Warenkorb | |