16-Bit, 125KSPS, 4CH DAC for Portable
Referenzdesign unter Verwendung des Teils AD5064BRUZ von Analog Devices
Zugehörige Dokumente
- adp3303ar-3.3 CAD symbol
- ADG738BRU-REEL CAD/Foot Print
- REF195ESZ CAD/Foot Print
- ref195esz CAD symbol
- ADP3303AR-3.2 Multisim SPICE
- ADP3303AR-3.3 Multisim SPICE
- adg774brq-reel CAD symbol
- adg774brq-reel7 CAD symbol
- REF195ES Multisim SPICE
- adp3303ar-3 CAD symbol
- ADG774BRQ-REEL CAD/Foot Print
- ADG774BRQZ-REEL CAD/Foot Print
- adg774brqz-reel7 CAD symbol
- ADG774BRQZ-REEL7 CAD/Foot Print
- REF195ESZ Multisim SPICE
- AD5064BRUZ-1REEL7 CAD/Foot Print
- AD5064BRUZ-REEL7 CAD/Foot Print
- adp3303ar-3.2 CAD symbol
- adg738bru CAD symbol
- ADG738BRUZ-REEL CAD/Foot Print
- ADG774BRQ-REEL7 CAD/Foot Print
- REF195ESZ-REEL CAD/Foot Print
- ad7476art-500rl7 CAD symbol
- AD7476ARTZ-500RL7 CAD/Foot Print
- ADG738BRU CAD/Foot Print
- ADG738BRUZ CAD/Foot Print
- adg774brq CAD symbol
- ADG774BRQ CAD/Foot Print
- adg774brqz CAD symbol
- ADG774BRQZ CAD/Foot Print
- AD7476ARTZ-REEL CAD/Foot Print
- ADG738BRU-REEL7 CAD/Foot Print
- adg774brqz-reel CAD symbol
- AD7476ART-500RL7 CAD/Foot Print
- REF195ES CAD/Foot Print
- AD5064BRUZ CAD/Foot Print
- AD5064BRUZ-1 CAD/Foot Print
- ad5064 CAD symbol
- ADG738BRUZ-REEL7 CAD/Foot Print
- ref195es CAD symbol
Für Endprodukte
- Data Acquisition System
- Industrial Control
- Portable
Beschreibung
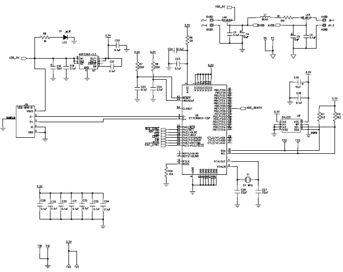
- Evaluation board for AD5064 quad 16-bit digital-to-analog convertor. AD5064 operates from a single 4.5 V to 5.5 V supply
Haupteigenschaften
-
DAC Resolution16 Bit
-
DAC Sampling Rate125K SPS
-
Number of Channels4CH
Empfohlene Bauteile (104)
| Teilenummer | Hersteller | Typ | Beschreibung | |||
|---|---|---|---|---|---|---|
|
|
24LC014-I/P | Microchip Technology | EEPROM | EEPROM Serial-I2C 1K-bit 128 x 8 3.3V/5V 8-Pin PDIP Tube | In den Warenkorb | |
|
|
24LC01BT-E/SN | Microchip Technology | EEPROM | EEPROM Serial-I2C 1K-bit 128 x 8 3.3V/5V Automotive AEC-Q100 8-Pin SOIC N T/R | In den Warenkorb | |
|
|
24LC014H-I/P | Microchip Technology | EEPROM | EEPROM Serial-I2C 1K-bit 128 x 8 3.3V/5V 8-Pin PDIP Tube | In den Warenkorb | |
|
|
24LC014H-E/MS | Microchip Technology | EEPROM | EEPROM Serial-I2C 1K-bit 128 x 8 3.3V/5V Automotive AEC-Q100 8-Pin MSOP Tube | In den Warenkorb | |
|
|
24LC014HT-I/ST | Microchip Technology | EEPROM | EEPROM Serial-I2C 1K-bit 128 x 8 3.3V/5V 8-Pin TSSOP T/R | In den Warenkorb | |
|
|
24LC01BH-I/MS | Microchip Technology | EEPROM | EEPROM Serial-I2C 1K-bit 128 x 8 3.3V/5V 8-Pin MSOP Tube | In den Warenkorb | |
|
|
24LC014T-E/MNY | Microchip Technology | EEPROM | EEPROM Serial-I2C 1K-bit 128 x 8 3.3V/5V 8-Pin TDFN EP T/R Automotive AEC-Q100 | In den Warenkorb | |
|
|
24LC01BT-E/MNY | Microchip Technology | EEPROM | EEPROM Serial-I2C 1K-bit 128 x 8 3.3V/5V Automotive AEC-Q100 8-Pin TDFN EP T/R | In den Warenkorb | |
|
|
24LC014T-E/OT | Microchip Technology | EEPROM | EEPROM Serial-I2C 1K-bit 128 x 8 3.3V/5V 6-Pin SOT-23 T/R Automotive AEC-Q100 | In den Warenkorb | |
|
|
24LC014-E/SN | Microchip Technology | EEPROM | EEPROM Serial-I2C 1K-bit 128 x 8 3.3V/5V 8-Pin SOIC N Tube Automotive AEC-Q100 | In den Warenkorb | |
|
|
24LC014-E/MS | Microchip Technology | EEPROM | EEPROM Serial-I2C 1K-bit 128 x 8 3.3V/5V 8-Pin MSOP Tube Automotive AEC-Q100 | In den Warenkorb | |
|
|
24LC01B/P | Microchip Technology | EEPROM | EEPROM Serial-I2C 1K-bit 128 x 8 3.3V/5V 8-Pin PDIP Tube | In den Warenkorb | |