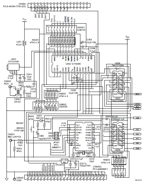
24-Bit, 96KSPS ADC for AV Receiver
Referenzdesign unter Verwendung des Teils PCM1807 von Texas Instruments
Zugehörige Dokumente
- SN74LVC244A CAD symbol
- SN74LVC244A CAD symbol
- OPA2134 CAD symbol
- SN74LVC1G04-EP CAD symbol
- DIT4096IPW Cadence Concept - SCALD v12.x
- DIT4096 3D Model - STEP
- REG1117-3.3 ECPinPak v1.0
- REG1117-3.3 AXEL - Any version
- REG1117-3.3/2K5 Mentor DxDesigner/ViewDraw/ViewLogic v5.3+
- OPA2134PAG4 Mentor DxDesigner/ViewDraw/ViewLogic v5.3+
- PCM1807PWR Orcad v9.x
- PCM1807PWR ECPinPak v1.0
- PCM1807PW Mentor Graphics - DA v8.4+
- SN74LVC244A CAD symbol
- SN74LVC244A CAD symbol
- SN74LVC244A-Q1 CAD symbol
- PLL1707DBQRE4 Cadence Concept - HDL v14.2
- DIT4096IPWG4 AXEL - Any version
- PLL1707DBQ Mentor Graphics - DA v8.4+
- PLL1707DBQ AXEL - Any version
- SN74LVC1G04 CAD symbol
- DIT4096IPW Mentor DxDesigner/ViewDraw/ViewLogic v5.3+
- REG1117-3.3G4 AXEL - Any version
- REG1117-3.3G4 Cadence Concept - SCALD v12.x
- SN74LVC244A CAD symbol
- REG1117-33 CAD symbol
- PLL1707 CAD symbol
- DIT4096IPW Cadence Concept - HDL v14.2
- REG1117-3.3G4 Mentor DxDesigner/ViewDraw/ViewLogic v5.3+
- REG1117-3.3/2K5 Mentor Graphics - DA v8.4+
- OPA2134PAG4 AXEL - Any version
- OPA2134PA Cadence Concept - HDL v14.2
- SN74LVC244A CAD symbol
- SN74LVC244A CAD symbol
- SN74LVC1G04-Q1 CAD symbol
- SN74LVC1G04 CAD symbol
- PLL1707DBQRE4 Cadence Concept - SCALD v12.x
- PLL1707DBQRE4 ECPinPak v1.0
- PLL1707DBQR Mentor DxDesigner/ViewDraw/ViewLogic v5.3+
- PLL1707DBQG4 Mentor DxDesigner/ViewDraw/ViewLogic v5.3+
- SN74LVC1G04-Q1 3D Model - STEP
- SN74LVC244A CAD symbol
- SN74LVC1G04 CAD symbol
- SN74LVC1G04 CAD symbol
- REG1117-3.3G4 Cadence Concept - HDL v14.2
- PCM1807 3D Model - STEP
- REG1117-3.3/2K5 AXEL - Any version
- REG1117-3.3/2K5 Cadence Concept - SCALD v12.x
- REG1117-3.3/2K5 Orcad v9.x
- SN74LVC1G04 CAD symbol
- DIT4096 CAD symbol
- OPA2134PAG4 Orcad v9.x
- OPA2134PA Mentor DxDesigner/ViewDraw/ViewLogic v5.3+
- PCM1807PW ECPinPak v1.0
- SN74LVC1G04 CAD symbol
- PLL1707DBQR ECPinPak v1.0
- PLL1707DBQ ECPinPak v1.0
- DIT4096IPWG4 Mentor DxDesigner/ViewDraw/ViewLogic v5.3+
- REG1117-3.3G4 Orcad v9.x
- OPA2134 CAD symbol
- SN74LVC244A 3D Model - STEP
- SN74LVC244A CAD symbol
- SN74LVC244A CAD symbol
- SN74LVC1G04 CAD symbol
- REG1117-33 CAD symbol
- SN74LVC244A 3D Model - STEP
- REG1117-3.3 Cadence Concept - HDL v14.2
- REG1117-3.3 Mentor DxDesigner/ViewDraw/ViewLogic v5.3+
- OPA2134PAG4 Cadence Concept - SCALD v12.x
- PCM1807PW Mentor DxDesigner/ViewDraw/ViewLogic v5.3+
- SN74LVC1G04 CAD symbol
- SN74LVC244A CAD symbol
- SN74LVC244A CAD symbol
- SN74LVC244A CAD symbol
- PLL1707DBQRE4 Mentor DxDesigner/ViewDraw/ViewLogic v5.3+
- PLL1707DBQR Cadence Concept - SCALD v12.x
- PLL1707DBQR Cadence Concept - HDL v14.2
- PLL1707DBQ Mentor DxDesigner/ViewDraw/ViewLogic v5.3+
- DIT4096IPW Mentor Graphics - DA v8.4+
- DIT4096 CAD symbol
- SN74LVC1G04-Q1 CAD symbol
- SN74LVC1G04-Q1 CAD symbol
- OPA2134PA Orcad v9.x
- OPA2134PAG4 ECPinPak v1.0
- PCM1807PW Cadence Concept - HDL v14.2
- PCM1807PWR Mentor DxDesigner/ViewDraw/ViewLogic v5.3+
- PCM1807PWR Mentor Graphics - DA v8.4+
- DIT4096IPW AXEL - Any version
- PLL1707DBQG4 Mentor Graphics - DA v8.4+
- SN74LVC244A CAD symbol
- PLL1707DBQG4 Orcad v9.x
- DIT4096IPWG4 Orcad v9.x
- PLL1707DBQ Orcad v9.x
- DIT4096IPW ECPinPak v1.0
- REG1117-33 3D Model - STEP
- OPA2134 PSPICE
- SN74LVC1G04 CAD symbol
- REG1117-3.3G4 ECPinPak v1.0
- REG1117-3.3 Mentor Graphics - DA v8.4+
- OPA2134PAG4 Cadence Concept - HDL v14.2
- OPA2134PA Cadence Concept - SCALD v12.x
- OPA2134PAG4 Mentor Graphics - DA v8.4+
- PLL1707DBQG4 Cadence Concept - HDL v14.2
- DIT4096IPWG4 Cadence Concept - HDL v14.2
- SN74LVC244A CAD symbol
- PCM1807 CAD symbol
- PLL1707DBQRE4 Mentor Graphics - DA v8.4+
- DIT4096IPWG4 Mentor Graphics - DA v8.4+
- OPA2134 3D Model - STEP
- PLL1707DBQR Orcad v9.x
- PLL1707DBQR Mentor Graphics - DA v8.4+
- PLL1707DBQR AXEL - Any version
- REG1117-3.3G4 Mentor Graphics - DA v8.4+
- DIT4096IPW Orcad v9.x
- PCM1807 CAD symbol
- SN74LVC244A CAD symbol
- REG1117 CAD symbol
- OPA2134 TINA SPICE
- SN74LVC1G04 CAD symbol
- SN74LVC244A 3D Model - STEP
- OPA2134PA AXEL - Any version
- OPA2134PA Mentor Graphics - DA v8.4+
- OPA2134PA ECPinPak v1.0
- PCM1807PWR Cadence Concept - HDL v14.2
- PCM1807PWR Cadence Concept - SCALD v12.x
- PCM1807PW Orcad v9.x
- DIT4096IPWG4 ECPinPak v1.0
- PLL1707 CAD symbol
- SN74LVC1G04 CAD symbol
- SN74LVC1G04-Q1 CAD symbol
- PCM1807PWR AXEL - Any version
- PLL1707DBQRE4 AXEL - Any version
- PLL1707DBQG4 ECPinPak v1.0
- SN74LVC244A CAD symbol
- SN74LVC244A-Q1 CAD symbol
- SN74LVC244A CAD symbol
- SN74LVC1G04 CAD symbol
- REG1117-3.3 Orcad v9.x
- REG1117-3.3 Cadence Concept - SCALD v12.x
- REG1117-3.3/2K5 Cadence Concept - HDL v14.2
- REG1117-3.3/2K5 ECPinPak v1.0
- PCM1807PW Cadence Concept - SCALD v12.x
- SN74LVC1G04-EP CAD symbol
- PLL1707DBQRE4 Orcad v9.x
- PCM1807PW AXEL - Any version
- PLL1707DBQ Cadence Concept - SCALD v12.x
- PLL1707DBQ Cadence Concept - HDL v14.2
- REG1117 CAD symbol
- DIT4096IPWG4 Cadence Concept - SCALD v12.x
- PLL1707DBQG4 AXEL - Any version
- PLL1707DBQG4 Cadence Concept - SCALD v12.x
- SN74LVC1G04-Q1 3D Model - STEP
Für Endprodukte
- AV Receiver
- CD/DVD Player
- Digital TV
- DVD Recorder
- MP3 Player
Beschreibung
- PCM1807EVM, Evaluation board for PCM1807, a 96-kHz, 24-bit PCM audio A/D converter, with digital audio transmitter, optical and coaxial interfaces, on-board multiple clock generator, 6-dB amplifier with LPF, switches and jumpers for mode and clock control, and a connector to interface with a PC for serial-mode control
Haupteigenschaften
-
ADC Resolution24 Bit
-
ADC Sampling Rate96K SPS
Empfohlene Bauteile (71)
| Teilenummer | Hersteller | Typ | Beschreibung | |||
|---|---|---|---|---|---|---|
|
|
OPA2134PAG4 | Texas Instruments | Operational Amplifiers - Op Amps | Audio Amp Speaker 2-CH Stereo Class-AB 8-Pin PDIP Tube | In den Warenkorb | |
|
|
SN74LVC1G04QDBVRQ1 | Texas Instruments | Inverters and Schmitt Triggers | Inverter 1-Element CMOS Automotive AEC-Q100 5-Pin SOT-23 T/R | In den Warenkorb | |
|
|
SN74LVC1G04QDCKRQ1 | Texas Instruments | Inverters and Schmitt Triggers | Inverter 1-Element CMOS 5-Pin SC-70 T/R Automotive AEC-Q100 | In den Warenkorb | |
|
|
SN74LVC1G04DBVRE4 | Texas Instruments | Inverters and Schmitt Triggers | Inverter 1-Element CMOS 5-Pin SOT-23 T/R | In den Warenkorb | |
|
|
SN74LVC1G04DRLR | Texas Instruments | Inverters and Schmitt Triggers | Inverter 1-Element CMOS 5-Pin SOT-553 T/R | In den Warenkorb | |
|
|
SN74LVC244APWT | Texas Instruments | Buffers and Line Drivers | Buffer/Line Driver 8-CH Non-Inverting 3-ST CMOS 20-Pin TSSOP T/R | In den Warenkorb | |
|
|
SN74LVC244ADWRG4 | Texas Instruments | Buffers and Line Drivers | Buffer/Line Driver 8-CH Non-Inverting 3-ST CMOS 20-Pin SOIC T/R | In den Warenkorb | |
|
|
SN74LVC244ARWPR | Texas Instruments | Buffers and Line Drivers | Buffer/Line Driver 8-CH Non-Inverting 3-ST CMOS 20-Pin X1QFN EP T/R | In den Warenkorb | |
|
|
SN74LVC244ADB | Texas Instruments | Buffers and Line Drivers | Buffer/Line Driver 8-CH Non-Inverting 3-ST CMOS 20-Pin SSOP T/R | In den Warenkorb | |
|
|
SN74LVC1G04DRYR | Texas Instruments | Inverters and Schmitt Triggers | Inverter 1-Element CMOS 6-Pin USON T/R | In den Warenkorb | |
|
|
DIT4096IPWR | Texas Instruments | Transceivers Misc | Digital Audio Transmitter 1TX 28-Pin TSSOP T/R | In den Warenkorb | |
|
|
SN74LVC244APWE4 | Texas Instruments | Buffers and Line Drivers | Buffer/Line Driver 8-CH Non-Inverting 3-ST CMOS 20-Pin TSSOP Tube | In den Warenkorb | |