24V 3-Phase BLDC Motor Control Demonstration - Blender Application
Referenzdesign unter Verwendung des Teils MIC4604YM von Microchip Technology
Für Endprodukte
- Blender
Beschreibung
- 24V, 3-Phase BLDC Motor Control reference design demonstrates a blender application with multiple speeds and direction settings. This application uses a 3-Phase brushless DC motor which is used in the next generation household applications due to its power efficiency and longevity. It offers solutions that address LDO, DC/DC buck regulator and MOSFET Drivers
Haupteigenschaften
-
Motor TypeDC Motor
Empfohlene Bauteile (9)
| Teilenummer | Hersteller | Typ | Beschreibung | |||
|---|---|---|---|---|---|---|
|
|
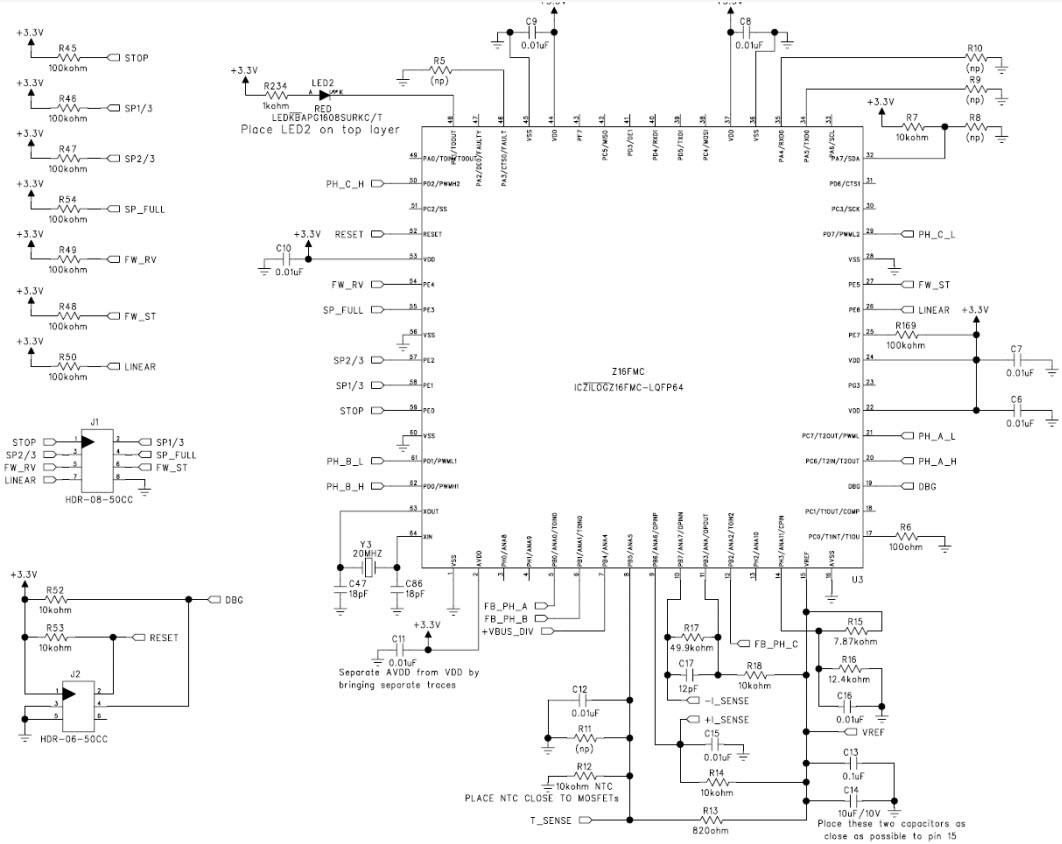
Z16FMC32AG20EG | Zilog | Microcontrollers - MCUs | MCU 16-bit Z16FMC ZNEO CISC 32KB Flash 3.3V 64-Pin LQFP | In den Warenkorb | |
|
|
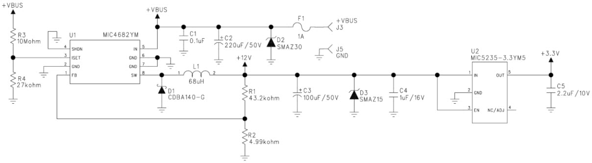
MIC5235-3.3YM5-TR | Microchip Technology | Linear Regulators | LDO Regulator Pos 3.3V 0.15A 5-Pin SOT-23 T/R | In den Warenkorb | |
|
|
MIC4682YM-TR | Microchip Technology | DC to DC Converter and Switching Regulator Chip | Conv DC-DC 4V to 34V Step Down Single-Out 1.23V 2A 8-Pin SOIC N T/R | In den Warenkorb | |
|
|
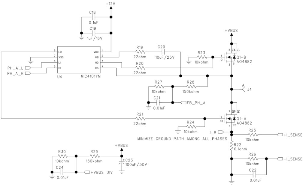
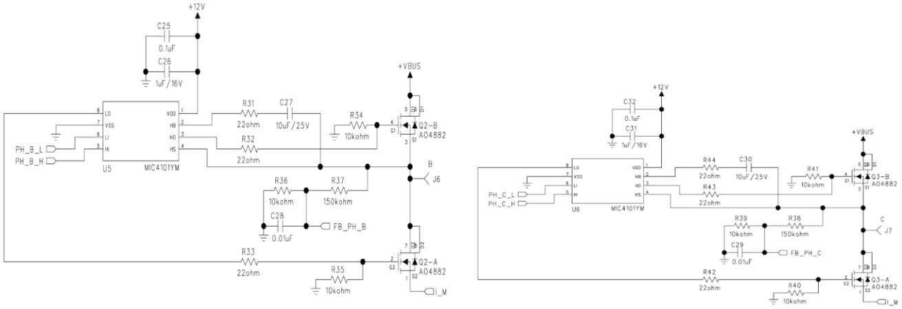
MIC4101YM-TR | Microchip Technology | Gate and Power Drivers | Driver 100V 2A 2-OUT High Side/Low Side Half Brdg Non-Inv 8-Pin SOIC N T/R | In den Warenkorb | |
|
|
MIC4682YM | Microchip Technology | DC to DC Converter and Switching Regulator Chip | Conv DC-DC 4V to 34V Step Down Single-Out 1.23V 2A 8-Pin SOIC N Tube | In den Warenkorb | |
|
|
MIC4101YM | Microchip Technology | Gate and Power Drivers | Driver 100V 2A 2-OUT High Side/Low Side Half Brdg Non-Inv 8-Pin SOIC N Tube | In den Warenkorb | |
|
|
MIC5235-3.3YM5-TX | Microchip Technology | Linear Regulators | LDO Regulator Pos 3.3V 0.15A 5-Pin SOT-23 | In den Warenkorb | |
|
|
MIC4604YM-TR | Microchip Technology | Gate and Power Drivers | Driver 1.5A 2-OUT High Side/Low Side Half Brdg Non-Inv 8-Pin SOIC N T/R | In den Warenkorb | |
|
|
MIC4604YMT-TR | Microchip Technology | Gate and Power Drivers | Driver 1.5A 2-OUT High Side/Low Side Half Brdg Non-Inv 10-Pin TDFN EP T/R | In den Warenkorb | |