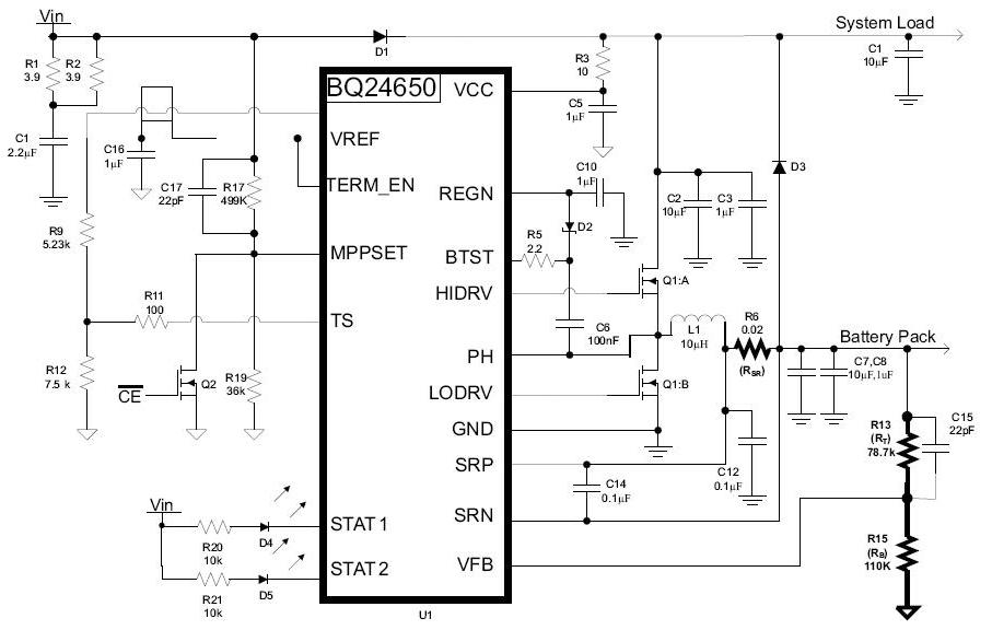
3.6V, 1 to 3-Cell, Lithium-Ion Battery Charger for Instrumentation

Referenzdesign unter Verwendung des Teils BQ24650 von Texas Instruments

Hersteller

Texas Instruments
  • Anwendungskategorie
    Batteriemanagement
  • Produkttyp
    Akkuladegeräte

Zugehörige Dokumente

Für Endprodukte

  • Automotive and Transportation
  • Cell Basestation
  • Instrumentation and Measurement
  • Solar Power
  • Wireless Base Station

Beschreibung

  • Charge Management Device to Provide High Efficiency Switching Mode Charging for LiFePO4 Battery

Haupteigenschaften

  • Battery Type
    Lithium-Ion
  • Output Voltage
    3.6 V
  • Number of Battery Cells
    1 to 3

Aktuelles über Elektronikkomponenten­

Wir haben unsere Datenschutzbestimmungen aktualisiert. Bitte nehmen Sie sich einen Moment Zeit, diese Änderungen zu überprüfen. Mit einem Klick auf "Ich stimme zu", stimmen Sie den Datenschutz- und Nutzungsbedingungen von Arrow Electronics zu.

Wir verwenden Cookies, um den Anwendernutzen zu vergrößern und unsere Webseite zu optimieren. Mehr über Cookies und wie man sie abschaltet finden Sie hier. Cookies und tracking Technologien können für Marketingzwecke verwendet werden.
Durch Klicken von „RICHTLINIEN AKZEPTIEREN“ stimmen Sie der Verwendung von Cookies auf Ihrem Endgerät und der Verwendung von tracking Technologien zu. Klicken Sie auf „MEHR INFORMATIONEN“ unten für mehr Informationen und Anleitungen wie man Cookies und tracking Technologien abschaltet. Das Akzeptieren von Cookies und tracking Technologien ist zwar freiwillig, das Blockieren kann aber eine korrekte Ausführung unserer Website verhindern, und bestimmte Werbung könnte für Sie weniger relevant sein.
Ihr Datenschutz ist uns wichtig. Lesen Sie mehr über unsere Datenschutzrichtlinien hier.