5V Instrumentation Amplifier for Instrumentation
Referenzdesign unter Verwendung des Teils LT1880 von Analog Devices
Für Endprodukte
- Instrumentation and Measurement
- Thermocouple
Beschreibung
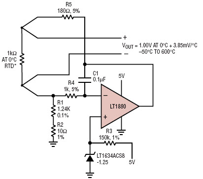
- Circuit shows the LT1880 providing a simple precision current source for a remote 1kW RTD on a 4-wire connection
Haupteigenschaften
-
Number of SuppliesSingle
-
Supply Voltage5 V
Empfohlene Bauteile (28)
| Teilenummer | Hersteller | Typ | Beschreibung | |||
|---|---|---|---|---|---|---|
|
|
LT1634ACS8-5 | Analog Devices | Voltage References | V-Ref Precision 5V 0.01mA 8-Pin SOIC N | In den Warenkorb | |
|
|
LT1634ACS8-2.5#TR | Analog Devices | Voltage References | V-Ref Precision 2.5V 0.01mA 8-Pin SOIC N T/R | In den Warenkorb | |
|
|
LT1634ACS8-4.096 | Analog Devices | Voltage References | V-Ref Precision 4.096V 0.01mA 8-Pin SOIC N | In den Warenkorb | |
|
|
LT1634ACS8-5#TRPBF | Analog Devices | Voltage References | V-Ref Precision 5V 0.01mA 8-Pin SOIC N T/R | In den Warenkorb | |
|
|
LT1634ACS8-4.096#TR | Analog Devices | Voltage References | V-Ref Precision 4.096V 0.01mA 8-Pin SOIC N T/R | In den Warenkorb | |
|
|
LT1634ACS8-1.25 | Analog Devices | Voltage References | V-Ref Precision 1.25V 0.01mA 8-Pin SOIC N | In den Warenkorb | |
|
|
LT1634ACS8-5#PBF | Analog Devices | Voltage References | V-Ref Precision 5V 0.01mA 8-Pin SOIC N Tube | In den Warenkorb | |
|
|
LT1634ACS8-2.5#PBF | Analog Devices | Voltage References | V-Ref Precision 2.5V 0.01mA 8-Pin SOIC N Tube | In den Warenkorb | |
|
|
LT1634ACS8-1.25#PBF | Analog Devices | Voltage References | V-Ref Precision 1.25V 0.01mA 8-Pin SOIC N Tube | In den Warenkorb | |
|
|
LT1634ACS8-2.5#TRPBF | Analog Devices | Voltage References | V-Ref Precision 2.5V 0.01mA 8-Pin SOIC N T/R | In den Warenkorb | |
|
|
LT1634ACS8-2.5 | Analog Devices | Voltage References | V-Ref Precision 2.5V 0.01mA 8-Pin SOIC N | In den Warenkorb | |
|
|
LT1634ACS8-4.096#PBF | Analog Devices | Voltage References | V-Ref Precision 4.096V 0.01mA 8-Pin SOIC N Tube | In den Warenkorb | |