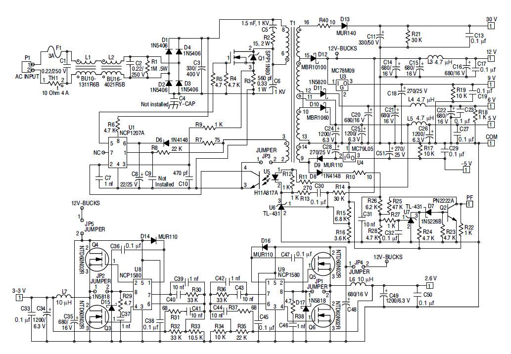
60W, -5V, 2.6V, 3.3V, 5V, 6.2V, 9V, 12V, 30V AC to DC Multi-Output Power Supply for Set-Top Box
Referenzdesign unter Verwendung des Teils NCP1207A von onsemi
Zugehörige Dokumente
- 1N5818 SPICE2
- TL431 PSPICE
- MBR1060 SABER
- MUR140RL SPICE2
- NCP1207 IsSPICE
- NTD60N02R SPICE2
- NTD60N02R SPICE3
- 1N5818 SPICE3
- MUR140RL PSPICE
- 1N5406RL PSPICE
- 1N5406RL SPICE2
- 1N5406RL SABER
- 1N5818 LIB Model
- 1N5818 SIN
- 1N5820RL SPICE2
- MBR10100 PSPICE
- MBR1060 SPICE3
- MUR110RL SPICE2
- 1N5820RL PSPICE
- 1N5820RL SABER
- MBR10100 SABER
- MBR1060 SPICE2
- MUR110RL PSPICE
- 1N5406RL SPICE3
- MBR10100 SPICE2
- MBR1060 PSPICE
- NTD60N02R SABER
- MUR110RL SABER
- MUR110RL SPICE3
- MUR140RL SABER
- MUR140RL SPICE3
- 1N5820RL SPICE3
- MBR10100 SPICE3
- NTD60N02R PSPICE
- NCP1207 PSPICE
Für Endprodukte
- Set-Top Box
Beschreibung
- NCP1207A, quasi-resonant, critical conduction mode flyback topology, use in high volume consumer applications where minimum cost is the driving factor, set-top box power supplies
Haupteigenschaften
-
Conversion TypeAC to DC
-
Input Voltage90 to 265 (AC) V
-
Output Voltage-5|2.6|3.3|5|6.2|9|12|30 V
-
Output Current0.02@30V|0.03@-5V|0.1@9V|1@12V|1.5@6.2V|3@2.6V|3@5V|4@3.3V A
-
Output Power60 W
-
Efficiency75 %
-
TopologyFlyback- Quasi Resonant
Empfohlene Bauteile (17)
| Teilenummer | Hersteller | Typ | Beschreibung | |||
|---|---|---|---|---|---|---|
|
|
TL431BIDG | onsemi | Voltage References | V-Ref Adjustable 2.495V to 36V 100mA 8-Pin SOIC N Tube | In den Warenkorb | |
|
|
TL431BCDR2G | onsemi | Voltage References | V-Ref Adjustable 2.495V to 36V 100mA 8-Pin SOIC N T/R | In den Warenkorb | |
|
|
MC78M09BDTRKG | onsemi | Linear Regulators | Standard Regulator Pos 9V 0.5A 3-Pin(2+Tab) DPAK T/R | In den Warenkorb | |
|
|
TL431BIDR2G | onsemi | Voltage References | V-Ref Adjustable 2.495V to 36V 100mA 8-Pin SOIC N T/R | In den Warenkorb | |
|
|
TL431BILPRAG | onsemi | Voltage References | V-Ref Adjustable 2.495V to 36V 100mA 3-Pin TO-92 T/R | In den Warenkorb | |
|
|
TL431AILPG | onsemi | Voltage References | V-Ref Adjustable 2.495V to 36V 100mA 3-Pin TO-92 Bag | In den Warenkorb | |
|
|
TL431BVDR2G | onsemi | Voltage References | V-Ref Adjustable 2.495V to 36V 100mA 8-Pin SOIC N T/R | In den Warenkorb | |
|
|
TL431IDR2G | onsemi | Voltage References | V-Ref Adjustable 2.495V to 36V 100mA 8-Pin SOIC N T/R | In den Warenkorb | |
|
|
TL431ILPRAG | onsemi | Voltage References | V-Ref Adjustable 2.495V to 36V 100mA 3-Pin TO-92 T/R | In den Warenkorb | |
|
|
TL431CDR2G | onsemi | Voltage References | V-Ref Adjustable 2.495V to 36V 100mA 8-Pin SOIC N T/R | In den Warenkorb | |
|
|
TL431BCLPRAG | onsemi | Voltage References | V-Ref Adjustable 2.495V to 36V 100mA 3-Pin TO-92 T/R | In den Warenkorb | |
|
|
MC78M09CDTRKG | onsemi | Linear Regulators | Standard Regulator Pos 9V 0.5A 3-Pin(2+Tab) DPAK T/R | In den Warenkorb | |