68HC16MODULE, Evaluation System for the MAX194, 14-Bit, 85-KSPS Analog to Digital Converter
Referenzdesign unter Verwendung des Teils MAX194 von Analog Devices
Für Endprodukte
- Audio
- Industrial Control
- Measurement Instruments
- Medical and Healthcare
- Portable
- Processor Power Management
- Robotics
Beschreibung
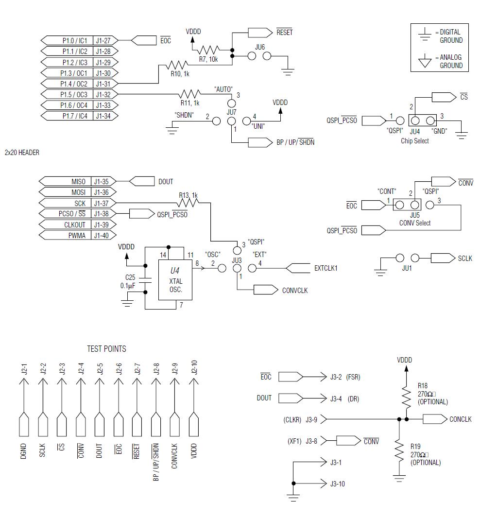
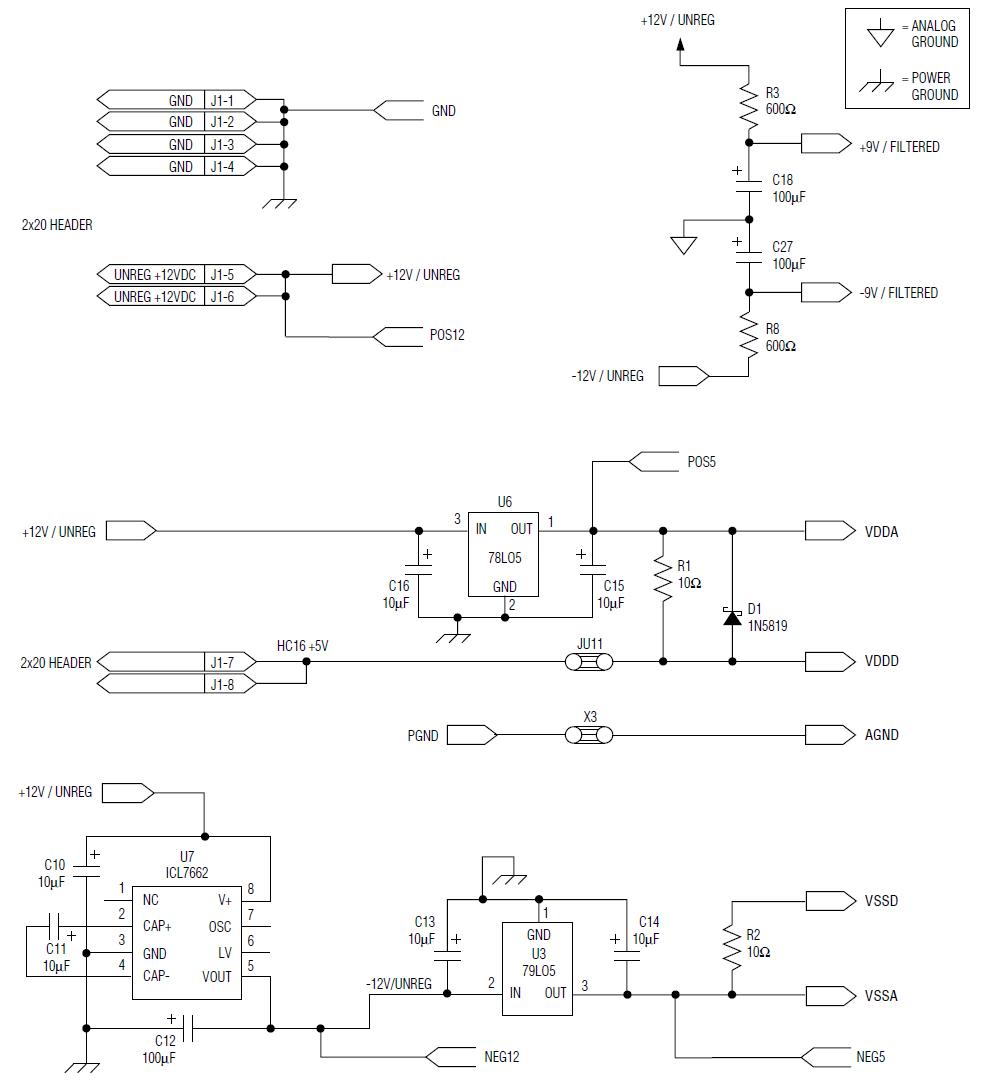
- 68HC16MODULE, Evaluation System for the MAX194, 14-Bit, 85-KSPS Analog to Digital Converter. Evaluation software supplied with the kit demonstrates the use of the MAX194 or (MAX195) with Motorola's high-speed QSPI serial interface. Complete source code is included. The EV system requires an IBM PC with a serial port and a 5, 1/4 disk drive
Haupteigenschaften
-
ADC Resolution14 Bit
-
ADC Sampling Rate85K SPS
Empfohlene Bauteile (36)
| Teilenummer | Hersteller | Typ | Beschreibung | |||
|---|---|---|---|---|---|---|
|
|
ICL7662CPA+ | Analog Devices | Charge Pump | Charge Pump INV -4.5V to -20V 20mA 8-Pin PDIP N Tube | In den Warenkorb | |
|
|
ICL7662EBA+T | Analog Devices | Charge Pump | Charge Pump INV -4.5V to -20V 20mA 8-Pin SOIC N T/R | In den Warenkorb | |
|
|
ICL7662EBD+ | Analog Devices | Charge Pump | Charge Pump INV -4.5V to -20V 20mA 14-Pin SOIC N Tube | In den Warenkorb | |
|
|
ICL7662EPA+ | Analog Devices | Charge Pump | Charge Pump INV -4.5V to -20V 8-Pin PDIP N Tube | In den Warenkorb | |
|
|
ICL7662EBD+T | Analog Devices | Charge Pump | Charge Pump INV -4.5V to -20V 20mA 14-Pin SOIC N T/R | In den Warenkorb | |
|
|
ICL7662CBA+T | Analog Devices | Charge Pump | Charge Pump INV -4.5V to -20V 20mA 8-Pin SOIC N T/R | In den Warenkorb | |
|
|
ICL7662CBD+T | Analog Devices | Charge Pump | Charge Pump INV -4.5V to -20V 20mA 14-Pin SOIC N T/R | In den Warenkorb | |
|
|
ICL7662EBD+T | Analog Devices | Charge Pump | Charge Pump INV -4.5V to -20V 20mA 14-Pin SOIC N T/R | In den Warenkorb | |
|
|
ICL7662EBD+ | Analog Devices | Charge Pump | Charge Pump INV -4.5V to -20V 20mA 14-Pin SOIC N Tube | In den Warenkorb | |
|
|
ICL7662MJA | Analog Devices | Charge Pump | Charge Pump INV -4.5V to -20V 20mA 8-Pin CDIP N Tube | In den Warenkorb | |
|
|
ICL7662MJA | Analog Devices | Charge Pump | Charge Pump INV -4.5V to -20V 20mA 8-Pin CDIP N Tube | In den Warenkorb | |
|
|
ICL7662CBD+ | Analog Devices | Charge Pump | Charge Pump INV -4.5V to -20V 20mA 14-Pin SOIC N Tube | In den Warenkorb | |