A000078, Arduino Robot - Development Kit based on the ATmega32U4 8-bit AVR RISC MCU
Referenzdesign unter Verwendung des Teils ATMEGA32U4-MU von Arduino S.r.l.
Zugehörige Dokumente
Für Endprodukte
- Robotics
- System Monitoring and Control
Beschreibung
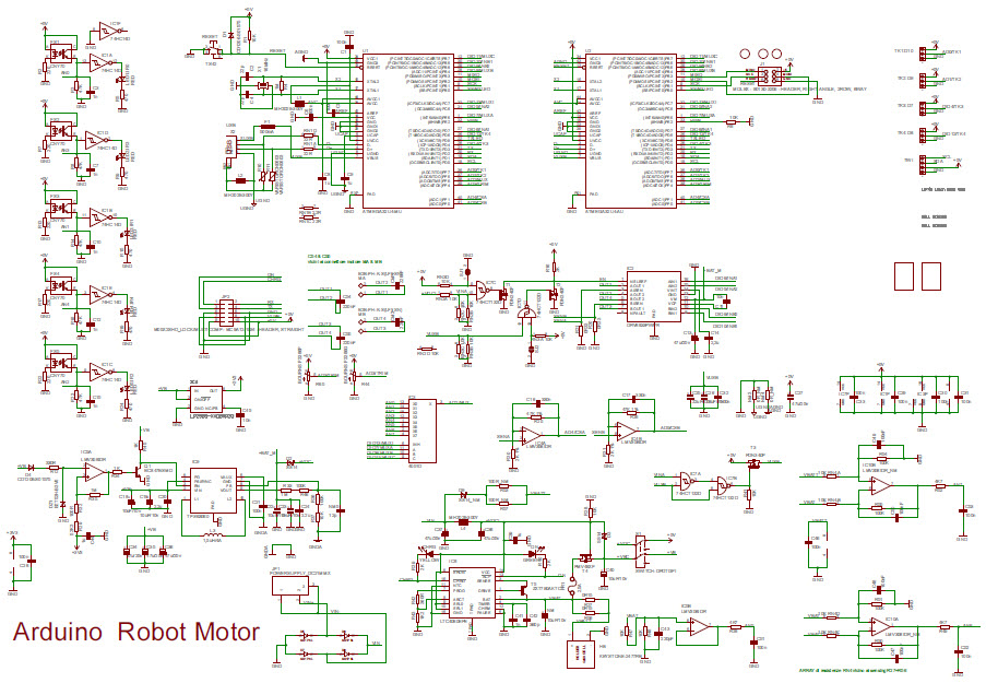
- A000078, Arduino Robot Development Kit based on the ATmega32U4 8-bit AVR RISC MCU. The Arduino Robot is the first official Arduino on wheels. The robot has two processors, one on each of its two boards. The Motor Board controls the motors and the Control Board reads sensors and decides how to operate. Each of the boards is a full Arduino board programmable using the Arduino IDE. Both Motor and Control boards are microcontroller boards based on the ATmega32U4. Programming the robot is similar to the process with the Arduino Leonardo. Both processors have built-in USB communication, eliminating the need for a secondary processor. This allows the Robot to appear to a connected computer as a virtual (CDC) serial/COM port
Haupteigenschaften
-
Embedded System TypeMCU
-
Family NameAtmega
-
Core ProcessorAVR
-
PlatformArduino Robot
Empfohlene Bauteile (10)
| Teilenummer | Hersteller | Typ | Beschreibung | |||
|---|---|---|---|---|---|---|
|
|
TPS63060MDSCTEP | Texas Instruments | DC to DC Converter and Switching Regulator Chip | Conv DC-DC 2.5V to 12V Step Down/Step Up Single-Out 2.5V to 8V 1A 10-Pin WSON EP T/R | In den Warenkorb | |
|
|
TPS63060DSCT | Texas Instruments | DC to DC Converter and Switching Regulator Chip | Conv DC-DC 2.5V to 12V Step Down/Step Up Single-Out 2.5V to 8V 2A/1.3A 10-Pin WSON EP T/R | In den Warenkorb | |
|
|
LTC4060EFE | Analog Devices | Battery Management ICs | Linear Battery Charger NiCd/NiMH 2000mA -0.3V to 10.3V 16-Pin TSSOP EP | In den Warenkorb | |
|
|
LMV358IDR | Texas Instruments | Operational Amplifiers - Op Amps | Op Amp Dual Low Voltage Amplifier R-R O/P 5.5V 8-Pin SOIC T/R | In den Warenkorb | |
|
|
LP2985-33DBVR | Texas Instruments | Linear Regulators | LDO Regulator Pos 3.3V 0.15A 5-Pin SOT-23 T/R | In den Warenkorb | |
|
|
AT24C512C-SSHD-B | Microchip Technology | EEPROM | EEPROM Serial-I2C 512K-bit 64K x 8 3.3V/5V 8-Pin SOIC N Tube | In den Warenkorb | |
|
|
DRV8833PWPR | Texas Instruments | Motor Controller and Driver ICs | Dual Full Bridge Motor Driver 16-Pin HTSSOP EP T/R | In den Warenkorb | |
|
|
TPS63060DSCR | Texas Instruments | DC to DC Converter and Switching Regulator Chip | Conv DC-DC 2.5V to 12V Step Down/Step Up Single-Out 2.5V to 8V 1A 10-Pin WSON EP T/R | In den Warenkorb | |
|
|
ATMEGA32U4-AU | Microchip Technology | Microcontrollers - MCUs | MCU 8-bit AVR RISC 32KB Flash 3.3V/5V 44-Pin TQFP Tray | In den Warenkorb | |
|
|
ATMEGA32U4-MU | Microchip Technology | Microcontrollers - MCUs | MCU 8-bit AVR RISC 32KB Flash 3.3V/5V 44-Pin QFN EP Tray | In den Warenkorb | |