AD10465/PCB, Evaluation Board for Evaluating the AD10465 Dual Channel, 14-Bit, 65 MSPS A/D Converter
Referenzdesign unter Verwendung des Teils AD10465BZ von Analog Devices
Für Endprodukte
- Communication Receiver
- FLIR System
- GPS
- Receivers
- Secure Web Transactions
Beschreibung
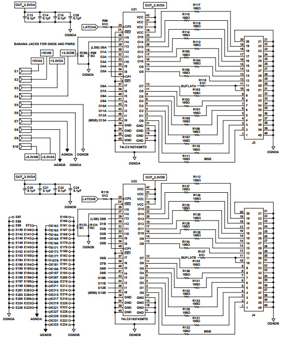
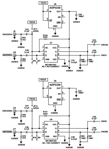
- AD10465/PCB, Evaluation Board for the AD10465 is a full channel ADC solution with on-module signal conditioning for improved dynamic performance and fully matched channel-to-channel performance. The module includes two wide dynamic range AD6644 ADCs. Each AD6644 has a dc-coupled amplifier front end including an AD8037 low distortion, high bandwidth amplifier that provides high input impedance and gain and drives the AD8138 single-to-differential amplifier. The AD6644s have on-chip track-and-hold circuitry and utilize an innovative multi-pass architecture to achieve 14-bit, 65 MSPS performance
Haupteigenschaften
-
ADC Resolution14 Bit
-
ADC Sampling Rate65M SPS
Empfohlene Bauteile (13)
| Teilenummer | Hersteller | Typ | Beschreibung | |||
|---|---|---|---|---|---|---|
|
|
ADP3330ARTZ-2.85R7 | Analog Devices | Linear Regulators | LDO Regulator Pos 2.85V 0.2A 6-Pin SOT-23 T/R | In den Warenkorb | |
|
|
ADP3330ART-2.5-RL | Analog Devices | Linear Regulators | LDO Regulator Pos 2.5V 0.2A 6-Pin SOT-23 T/R | In den Warenkorb | |
|
|
ADP3330ARTZ-2.5-R7 | Analog Devices | Linear Regulators | LDO Regulator Pos 2.5V 0.2A 6-Pin SOT-23 T/R | In den Warenkorb | |
|
|
ADP3330ART-3.3-RL | Analog Devices | Linear Regulators | LDO Regulator Pos 3.3V 0.2A 6-Pin SOT-23 T/R | In den Warenkorb | |
|
|
74LCX16374MTDX | onsemi | Flip Flops | Flip Flop D-Type Bus Interface Pos-Edge 3-ST 2-Element 48-Pin TSSOP W T/R | In den Warenkorb | |
|
|
ADP3330ARTZ-3.6-R7 | Analog Devices | Linear Regulators | LDO Regulator Pos 3.6V 0.2A 6-Pin SOT-23 T/R | In den Warenkorb | |
|
|
ADP3330ARTZ-3-RL7 | Analog Devices | Linear Regulators | LDO Regulator Pos 3V 0.2A 6-Pin SOT-23 T/R | In den Warenkorb | |
|
|
ADP3330ART-3.6-RL | Analog Devices | Linear Regulators | LDO Regulator Pos 3.6V 0.2A 6-Pin SOT-23 T/R | In den Warenkorb | |
|
|
ADP3330ARTZ3.3-RL7 | Analog Devices | Linear Regulators | LDO Regulator Pos 3.3V 0.2A 6-Pin SOT-23 T/R | In den Warenkorb | |
|
|
ADP3330ARTZ-5-RL7 | Analog Devices | Linear Regulators | LDO Regulator Pos 5V 0.2A 6-Pin SOT-23 T/R | In den Warenkorb | |
|
|
ADP3330ARTZ-2.75R7 | Analog Devices | Linear Regulators | LDO Regulator Pos 2.75V 0.2A 6-Pin SOT-23 T/R | In den Warenkorb | |
|
|
ADP3330ART-3.3 | Analog Devices | Linear Regulators | LDO Regulator Pos 3.3V 0.2A 6-Pin SOT-23 | In den Warenkorb | |