AD8175-EVALZ, Evaluation Board based on AD8175 Triple Video Crosspoint Switch

Referenzdesign unter Verwendung des Teils AD8175 von Analog Devices

Hersteller

Analog Devices
  • Anwendungskategorie
    Video
  • Produkttyp
    Videoschalter

Für Endprodukte

  • KVM
  • Professional Video
  • RGB Video Switching

Beschreibung

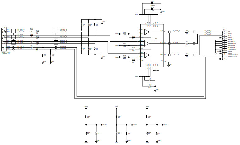
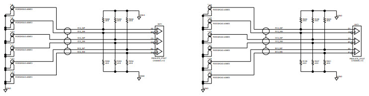
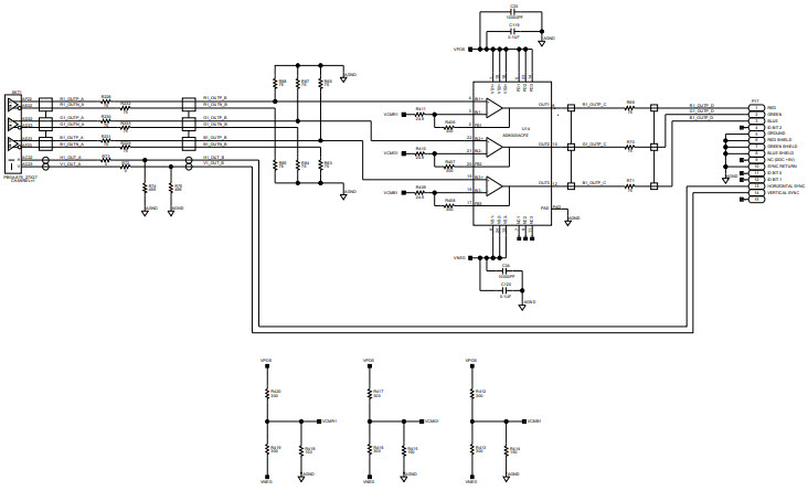
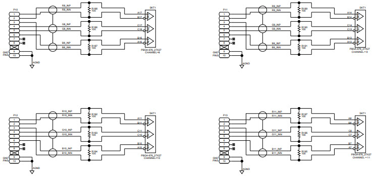
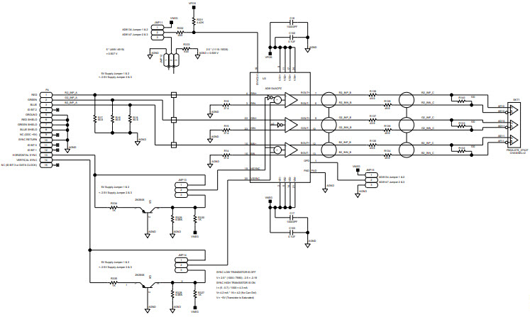
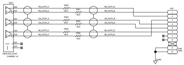
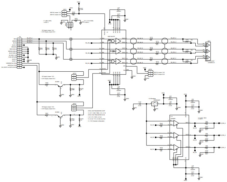
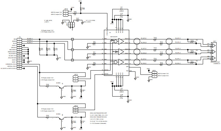
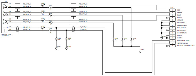
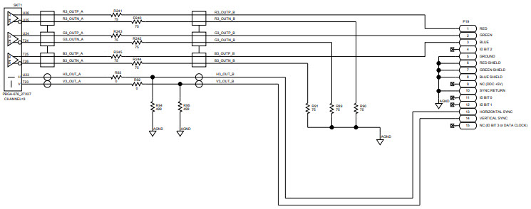
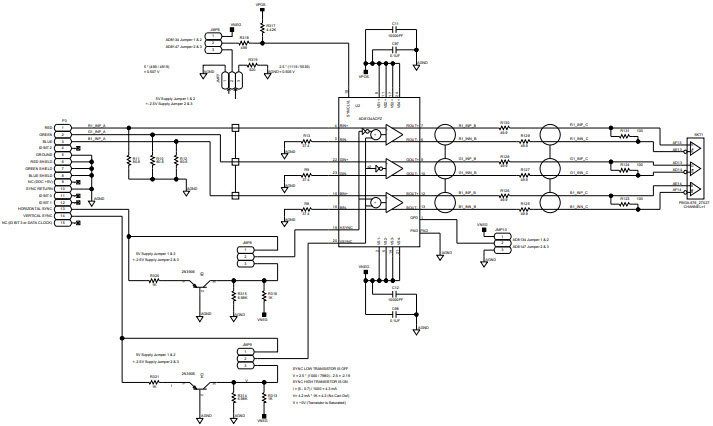
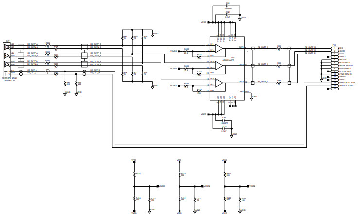
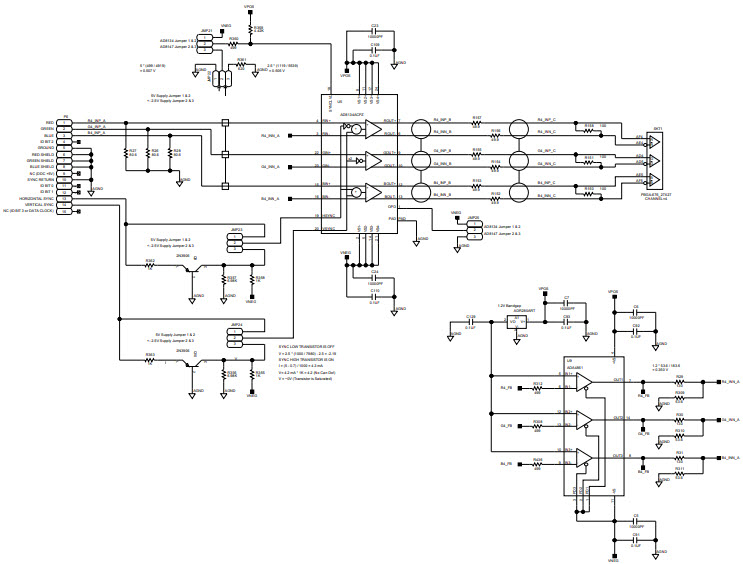
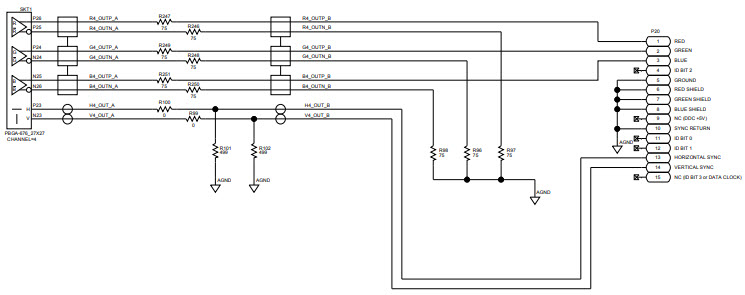
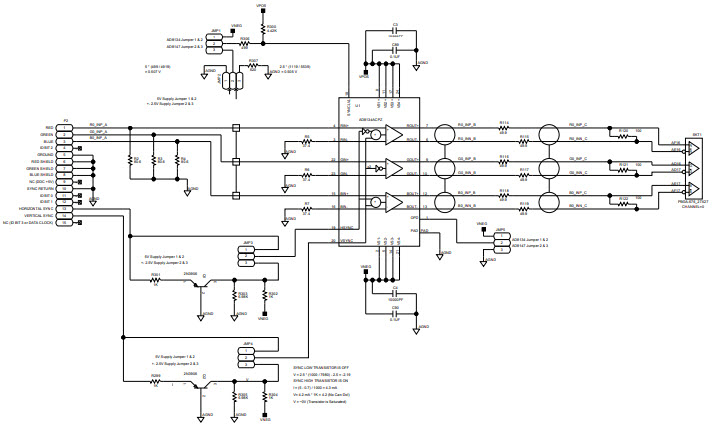
  • AD8175-EVALZ, Evaluation Board for the AD8175 is a high speed, triple 16 × 9 video Crosspoint switch matrixes with a gain of 2 and 4, respectively. The AD8175 supports 1600 × 1200 RGB displays at a 85 Hz refresh rate. The AD8175 has a 500 MHz bandwidth, 1800 V/us slew rate, -88 dB crosstalk, and -94 dB isolation (at 5 MHz). The AD8175 is 16 × 5 video Crosspoint switch matrixes. The AD8175 supports two modes of operation: differential in to differential out mode with sync on common-mode (CM) signaling passed through the switch and differential in to differential out mode with CM signaling removed through the switch. The output CM and black level can be conveniently set via external pins. The outputs can be single ended in conjunction with decoded H and V outputs to drive a monitor directly

Haupteigenschaften

  • Video Interface Type
    RGBHV
  • Gain
    2 dB

Aktuelles über Elektronikkomponenten­

Wir haben unsere Datenschutzbestimmungen aktualisiert. Bitte nehmen Sie sich einen Moment Zeit, diese Änderungen zu überprüfen. Mit einem Klick auf "Ich stimme zu", stimmen Sie den Datenschutz- und Nutzungsbedingungen von Arrow Electronics zu.

Wir verwenden Cookies, um den Anwendernutzen zu vergrößern und unsere Webseite zu optimieren. Mehr über Cookies und wie man sie abschaltet finden Sie hier. Cookies und tracking Technologien können für Marketingzwecke verwendet werden.
Durch Klicken von „RICHTLINIEN AKZEPTIEREN“ stimmen Sie der Verwendung von Cookies auf Ihrem Endgerät und der Verwendung von tracking Technologien zu. Klicken Sie auf „MEHR INFORMATIONEN“ unten für mehr Informationen und Anleitungen wie man Cookies und tracking Technologien abschaltet. Das Akzeptieren von Cookies und tracking Technologien ist zwar freiwillig, das Blockieren kann aber eine korrekte Ausführung unserer Website verhindern, und bestimmte Werbung könnte für Sie weniger relevant sein.
Ihr Datenschutz ist uns wichtig. Lesen Sie mehr über unsere Datenschutzrichtlinien hier.