AD9154-M6720-EBZ, DPG3 Evaluation Board with ADRF6720 Modulator for evaluating AD9154 Quad, 16-Bit, 2.4-GSPS, TxDAC+ Digital-to-Analog Converter
Referenzdesign unter Verwendung des Teils AD9154BCPZ von Analog Devices
Für Endprodukte
- Automatic Test Equipment
- Basestation
- Ethernet Microwave Radio
- Portable Instrumentation
- Software Defined Radio
- Wireless Communications
- Wireless Repeater
Beschreibung
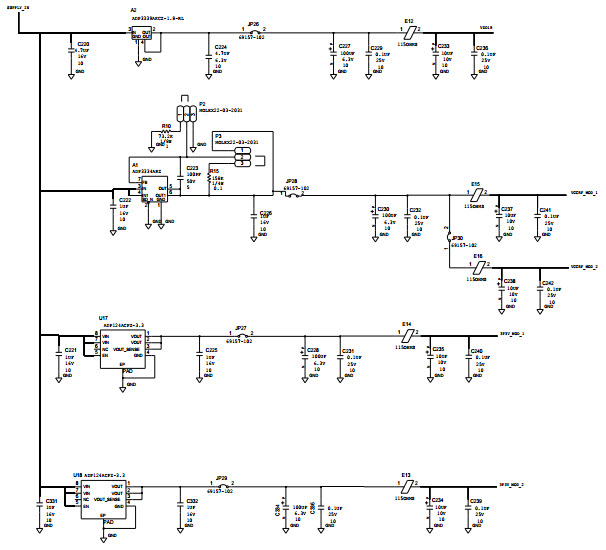
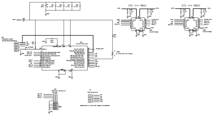
- AD9154-M6720-EBZ, Evaluation Board supports the AD9154 which is a quad, 16-bit, high dynamic range digital-to-analog converter (DAC) that provides a maximum sample rate of 2.4 GSPS, permitting multicarrier generation up to the Nyquist frequency in baseband mode. The AD9154 includes features optimized for direct conversion transmit applications including complex digital modulation, input signal power detection and gain, phase and offset compensation. The DAC outputs are optimized to interface seamlessly with the ADRF672x radio frequency quadrature modulators (AQMs). In Mix-Mode the AD9154 DACs can reconstruct carriers in the 2nd and 3rd Nyquist Zones. A serial port interface (SPI) provides for programming/read back of internal parameters
Haupteigenschaften
-
DAC Resolution16 Bit
-
DAC Sampling Rate2.4G SPS
-
Number of Channels4CH
Empfohlene Bauteile (9)
| Teilenummer | Hersteller | Typ | Beschreibung | |||
|---|---|---|---|---|---|---|
|
|
AD9516-1BCPZ | Analog Devices | Clock Generators and Synthesizers | Clock Generator 0MHz to 2.4GHz-IN 2950MHz-OUT 64-Pin LFCSP EP Tray | In den Warenkorb | |
|
|
PIC18F24J50-I/ML | Microchip Technology | Microcontrollers - MCUs | MCU 8-bit PIC RISC 16KB Flash 2.5V/3.3V 28-Pin QFN EP Tube | In den Warenkorb | |
|
|
FXL4TD245BQX | onsemi | Level Translators | Voltage Level Translator 4-CH Bidirectional 6-Pin WDFN EP T/R | In den Warenkorb | |
|
|
ADP1707ACPZ-3.3-R7 | Analog Devices | Linear Regulators | LDO Regulator Pos 3.3V 1A 8-Pin LFCSP EP T/R | In den Warenkorb | |
|
|
ADCLK905BCPZ-WP | Analog Devices | Clock Buffers and Drivers | Clock Fanout Buffer 1-OUT 1-IN 1:1 16-Pin LFCSP EP Tray | In den Warenkorb | |
|
|
ADP124ACPZ-3.3-R7 | Analog Devices | Linear Regulators | LDO Regulator Pos 3.3V 0.5A 8-Pin LFCSP EP T/R | In den Warenkorb | |
|
|
AD9516-1BCPZ-REEL7 | Analog Devices | Clock Generators and Synthesizers | Clock Generator 0MHz to 2.4GHz-IN 2950MHz-OUT 64-Pin LFCSP EP T/R | In den Warenkorb | |
|
|
ADCLK925BCPZ-WP | Analog Devices | Clock Buffers and Drivers | Clock Fanout Buffer 2-OUT 1-IN 1:2 16-Pin LFCSP EP Tray | In den Warenkorb | |
|
|
AD9154BCPZ | Analog Devices | Digital to Analog Converters - DACs | DAC 4-CH Interpolation Filter 16-bit 88-Pin LFCSP EP Tray | In den Warenkorb | |