ADA4571R-EBZ, End of Shaft Evaluation Board based on ADA4571 Magnetoresistive Sensor

Referenzdesign unter Verwendung des Teils ADA4571BRZ von Analog Devices

Hersteller

Analog Devices
  • Anwendungskategorie
    Sensoren und Wandler
  • Produkttyp
    Magnetsensor

Zugehörige Dokumente

Für Endprodukte

  • Current Sensing
  • EV/HEV Stands
  • Position & Speed Sensing

Beschreibung

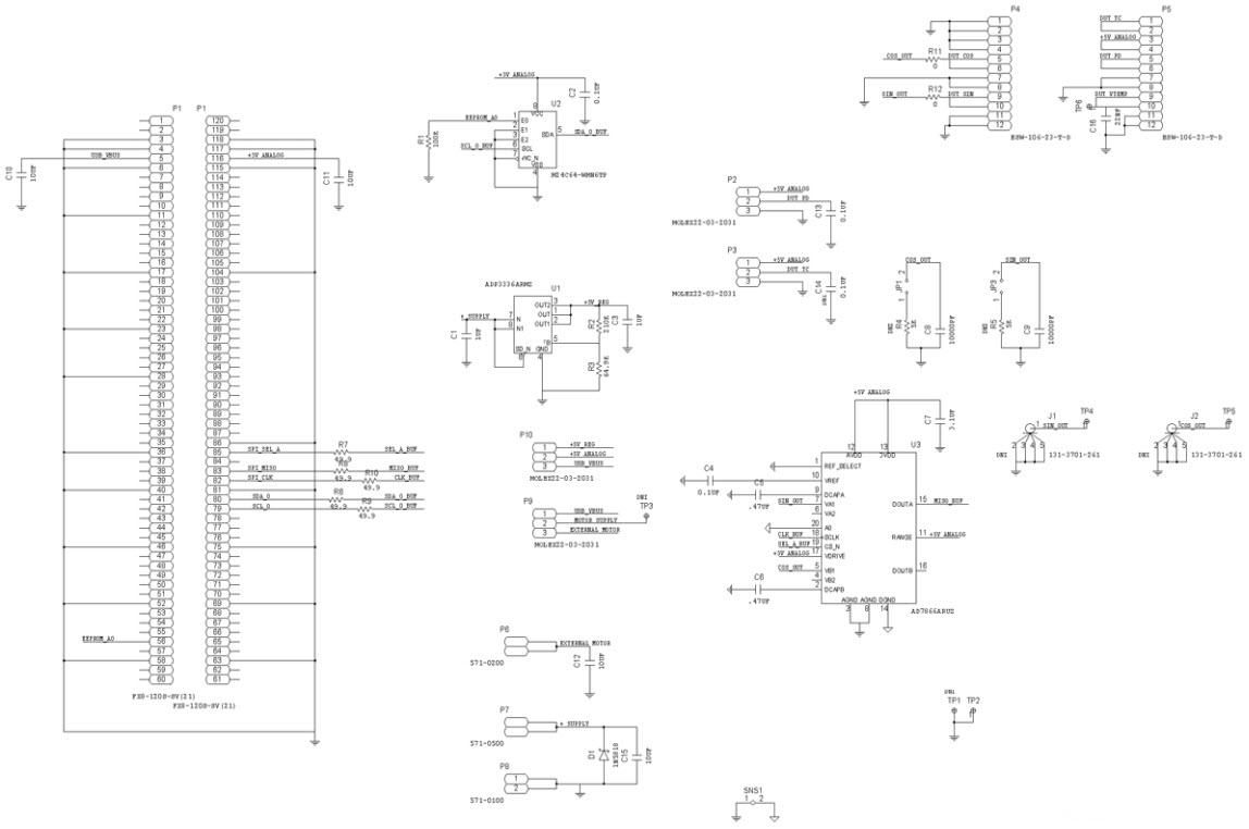
  • ADA4571R-EBZ, End of Shaft Evaluation System is composed of a Windows LabVIEW GUI software, an ADA4571 motherboard, a magnetic stimulus mounted on top of a brushless dc motor, a daughter board with ADA4571 in its SOIC package, and a USB interface and controller board, the SDP-S. The motherboard features an on-board 5V regulator, 2-channel simultaneous sampling ADC and jumpers for enabling the temperature compensation and power-down modes within the ADA4571. The motherboard also features test points and unpopulated coaxial connectors for the three outputs of the device. The daughter board features the ADA4571 mounted above the magnetic stimulus as well as test points for the three outputs of the device. The SDP board is used to control the ADC on the motherboard and interface with the GUI

Haupteigenschaften

  • Signal Conditioning Type
    Anisotropic Magneto Resistive (AMR)
  • Input Signal Amplitude
    6 to 12 V

Aktuelles über Elektronikkomponenten­

Wir haben unsere Datenschutzbestimmungen aktualisiert. Bitte nehmen Sie sich einen Moment Zeit, diese Änderungen zu überprüfen. Mit einem Klick auf "Ich stimme zu", stimmen Sie den Datenschutz- und Nutzungsbedingungen von Arrow Electronics zu.

Wir verwenden Cookies, um den Anwendernutzen zu vergrößern und unsere Webseite zu optimieren. Mehr über Cookies und wie man sie abschaltet finden Sie hier. Cookies und tracking Technologien können für Marketingzwecke verwendet werden.
Durch Klicken von „RICHTLINIEN AKZEPTIEREN“ stimmen Sie der Verwendung von Cookies auf Ihrem Endgerät und der Verwendung von tracking Technologien zu. Klicken Sie auf „MEHR INFORMATIONEN“ unten für mehr Informationen und Anleitungen wie man Cookies und tracking Technologien abschaltet. Das Akzeptieren von Cookies und tracking Technologien ist zwar freiwillig, das Blockieren kann aber eine korrekte Ausführung unserer Website verhindern, und bestimmte Werbung könnte für Sie weniger relevant sein.
Ihr Datenschutz ist uns wichtig. Lesen Sie mehr über unsere Datenschutzrichtlinien hier.