ADCLK914/PCBZ, Evaluation Board for ADCLK954 Clock Fanout Buffer

Referenzdesign unter Verwendung des Teils ADCLK914BCPZ___ von Analog Devices

Hersteller

Analog Devices
  • Anwendungskategorie
    Takt und Timing
  • Produkttyp
    Taktpuffer

Für Endprodukte

  • Clock Management and Distribution
  • Level Translation System
  • Medical Imaging
  • Wired Networking
  • Wireless Communications

Beschreibung

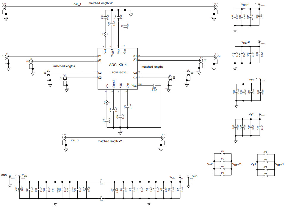
  • ADCLK914/PCBZ, Evaluation Board for the ADCLK914 clock buffer is very fast, making it important to use adequate high bandwidth instruments to evaluate it. To that end, the evaluation board is fabricated using a high quality dielectric material between layers to maintain high signal integrity. Transmission line paths are kept as close to 50 Ohm as possible

Aktuelles über Elektronikkomponenten­

Wir haben unsere Datenschutzbestimmungen aktualisiert. Bitte nehmen Sie sich einen Moment Zeit, diese Änderungen zu überprüfen. Mit einem Klick auf "Ich stimme zu", stimmen Sie den Datenschutz- und Nutzungsbedingungen von Arrow Electronics zu.

Wir verwenden Cookies, um den Anwendernutzen zu vergrößern und unsere Webseite zu optimieren. Mehr über Cookies und wie man sie abschaltet finden Sie hier. Cookies und tracking Technologien können für Marketingzwecke verwendet werden.
Durch Klicken von „RICHTLINIEN AKZEPTIEREN“ stimmen Sie der Verwendung von Cookies auf Ihrem Endgerät und der Verwendung von tracking Technologien zu. Klicken Sie auf „MEHR INFORMATIONEN“ unten für mehr Informationen und Anleitungen wie man Cookies und tracking Technologien abschaltet. Das Akzeptieren von Cookies und tracking Technologien ist zwar freiwillig, das Blockieren kann aber eine korrekte Ausführung unserer Website verhindern, und bestimmte Werbung könnte für Sie weniger relevant sein.
Ihr Datenschutz ist uns wichtig. Lesen Sie mehr über unsere Datenschutzrichtlinien hier.