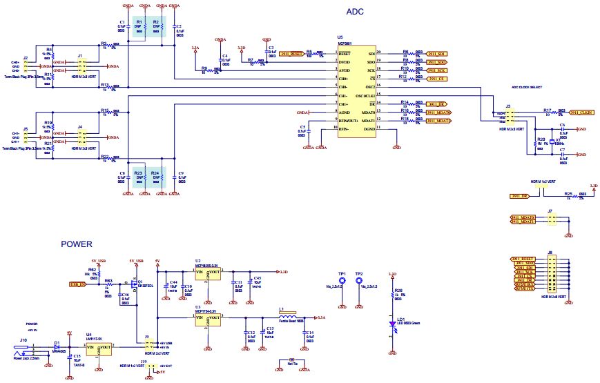
ADM00398, ADC Evaluation Board for 16-Bit MCUs system provides the ability to evaluate the performance of the MCP3911 dual-channel ADC
Referenzdesign unter Verwendung des Teils MCP3911A0T-E/SS von Microchip Technology
Zugehörige Dokumente
Für Endprodukte
- Audio
- Automotive and Transportation
- Energy Meter
- Instrumentation and Measurement
- Medical and Healthcare
Beschreibung
- ADM00398, MCP3911 ADC Evaluation Board for 16-Bit MCUs system provides the ability to evaluate the performance of the MCP3911 dual-channel ADC. It also provides a development platform for 16-bit PIC-based applications, using existing 100-pin PIM systems compatible with the Explorer-16 and other high pin count PIC demo boards. The system comes with a programmed PIC24FJ256GA110 PIM module that communicates with the included PC software for data exchange and ADC configuration
Haupteigenschaften
-
ADC Resolution16 Bit
-
Number of Channels2CH
Empfohlene Bauteile (10)
| Teilenummer | Hersteller | Typ | Beschreibung | |||
|---|---|---|---|---|---|---|
|
|
TXS0102DCUR | Texas Instruments | Level Translators | Voltage Level Translator 2-CH Bidirectional 8-Pin VSSOP T/R | In den Warenkorb | |
|
|
MCP2200-I/SS | Microchip Technology | Interface Controllers | USB 2.0 to UART Protocol Converter with GPIO UART Interface 3.3V/5V 20-Pin SSOP Tube | In den Warenkorb | |
|
|
ABLS-10.000MHZ-B4-T | Abracon | Crystals | Crystal 10MHz ±30ppm (Tol) ±50ppm (Stability) 18pF FUND 50Ohm 2-Pin HC-49/US SMD T/R | In den Warenkorb | |
|
|
MCP1754ST-3302E/DB | Microchip Technology | Linear Regulators | LDO Regulator Pos 3.3V 0.15A Automotive AEC-Q100 4-Pin(3+Tab) SOT-223 T/R | In den Warenkorb | |
|
|
ABLS-7.3728MHZ-B4-T | Abracon | Crystals | Crystal 7.3728MHz ±30ppm (Tol) ±50ppm (Stability) 18pF FUND 100Ohm 2-Pin HC-49/US SMD T/R | In den Warenkorb | |
|
|
DSPIC33FJ256MC710-I/PF | Microchip Technology | Microcontrollers - MCUs | MCU 16-bit dsPIC RISC 256KB Flash 3.3V 100-Pin TQFP Tray | In den Warenkorb | |
|
|
LM1117MPX-5.0/NOPB | Texas Instruments | Linear Regulators | LDO Regulator Pos 5V 0.8A 4-Pin(3+Tab) SOT-223 T/R | In den Warenkorb | |
|
|
LM1117MPX-5.0/NOPB | Texas Instruments | Linear Regulators | LDO Regulator Pos 5V 0.8A 4-Pin(3+Tab) SOT-223 T/R | In den Warenkorb | |
|
|
MCP1825S-3302E/DB | Microchip Technology | Linear Regulators | LDO Regulator Pos 3.3V 0.5A 4-Pin(3+Tab) SOT-223 Tube Automotive AEC-Q100 | In den Warenkorb | |
|
|
MCP3911A0T-E/SS | Microchip Technology | Analog Front End - AFE | AFE General Purpose 2 ADC 24bit 3.3V Automotive AEC-Q100 20-Pin SSOP T/R | In den Warenkorb | |