ADN4612-EVALZ, Evaluation Board for Evaluating the ADN4612, 11.3 Gbps, 12 × 12 Digital Crosspoint Switch
Referenzdesign unter Verwendung des Teils ADN4612 von Analog Devices
Zugehörige Dokumente
Für Endprodukte
- Backplane
- Optical Networking
- SONET
Beschreibung
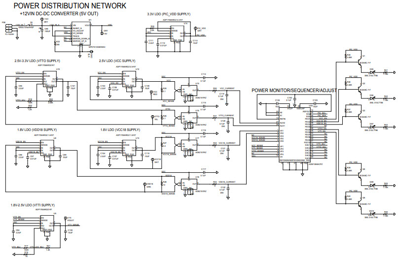
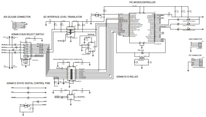
- ADN4612-EVALZ, Evaluation Board for the ADN4612, 11.3 Gbps, 12 × 12 digital Crosspoint switch. The ADN4612 evaluation board provides access to all 12 differential input ports and 12 differential output ports of the ADN4612 via top launch SMA connectors. Each input and output pair is ac-coupled using a 0.1 uF capacitor
Empfohlene Bauteile (10)
| Teilenummer | Hersteller | Typ | Beschreibung | |||
|---|---|---|---|---|---|---|
|
|
AD8215YRZ | Analog Devices | Special Purpose Amplifiers | SP Amp Current Sense Amp Single 5.5V 8-Pin SOIC N Tube | In den Warenkorb | |
|
|
ADG784BCPZ | Analog Devices | Analog Switch Multiplexers | Analog Multiplexer Quad 2:1 20-Pin LFCSP EP Tray | In den Warenkorb | |
|
|
ADP1706ARDZ-1.8-R7 | Analog Devices | Linear Regulators | LDO Regulator Pos 1.8V 1A 8-Pin SOIC N EP T/R | In den Warenkorb | |
|
|
PIC18F4550IPT | 8-bit MCU | Microchip Technology | Microcontrollers - MCUs | MCU 8-bit PIC RISC 32KB Flash 3.3V/5V 44-Pin TQFP Tray | In den Warenkorb | |
|
|
AT24C08C-XHM-B | Microchip Technology | EEPROM | EEPROM Serial-I2C 8K-bit 1K x 8 1.8V/2.5V/3.3V/5V 8-Pin TSSOP Tube | In den Warenkorb | |
|
|
ADP1706ARDZ-2.5-R7 | Analog Devices | Linear Regulators | LDO Regulator Pos 2.5V 1A 8-Pin SOIC N EP T/R | In den Warenkorb | |
|
|
ADP1706ARDZ-3.3-R7 | Analog Devices | Linear Regulators | LDO Regulator Pos 3.3V 1A 8-Pin SOIC N EP T/R | In den Warenkorb | |
|
|
ADP1708ARDZ-R7 | Analog Devices | Linear Regulators | LDO Regulator Pos 0.8V to 5V 1A 8-Pin SOIC N EP T/R | In den Warenkorb | |
|
|
ADM1066ACPZ | Analog Devices | Supervisory Circuits | Processor Supervisor 10 Open Collector/Push-Pull 40-Pin LFCSP EP Tray | In den Warenkorb | |
|
|
ADN4612ACPZ | Analog Devices | Digital Crosspoint Switches | Digital Crosspoint Single 12x12 11.3Gbps 88-Pin LFCSP EP Tray | In den Warenkorb | |