ADRF6701-EVALZ, Evaluation Board for Evaluating the ADRF6701 400 to 1250 MHz Quadrature Modulator with 750 to 1150 MHz Frac-N PLL and Integrated VCO

Referenzdesign unter Verwendung des Teils ADRF6701ACPZ von Analog Devices

Hersteller

Analog Devices
  • Anwendungskategorie
    Drahtlose Kommunikation
  • Produkttyp
    Modulatoren

Für Endprodukte

  • Broadband Access
  • Satellite
  • Telecommunication System

Beschreibung

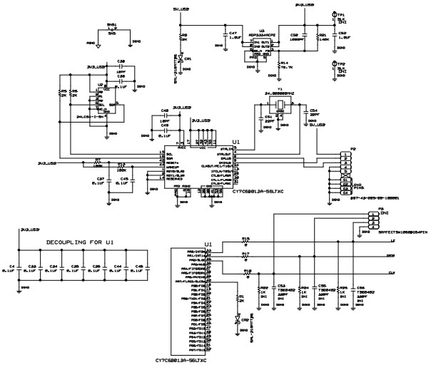
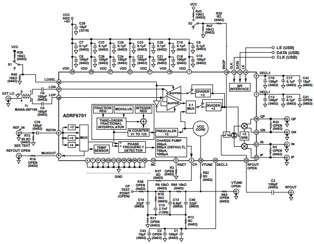
  • ADRF6701-EVALZ, Evaluation Board for the ADRF6701 provides a quadrature modulator and synthesizer solution within a small 6 mm + 6 mm footprint while requiring minimal external components. The ADRF6701 is designed for RF outputs from 400 MHz to 1250 MHz. The low phase noise VCO and high performance quadrature modulator make the ADRF6701 suitable for next generation communication systems requiring high signal dynamic range and linearity. The integration of the IQ modulator, PLL and VCO provides for significant board savings and reduces the BOM and design complexity. The integrated fractional-N PLL/synthesizer generates a 2+ fLO input to the IQ modulator. The phase detector together with an external loop filter is used to control the VCO output. The VCO output is applied to a quadrature divider

Haupteigenschaften

  • Operating Frequency
    400 to 1250 MHz

Aktuelles über Elektronikkomponenten­

Wir haben unsere Datenschutzbestimmungen aktualisiert. Bitte nehmen Sie sich einen Moment Zeit, diese Änderungen zu überprüfen. Mit einem Klick auf "Ich stimme zu", stimmen Sie den Datenschutz- und Nutzungsbedingungen von Arrow Electronics zu.

Wir verwenden Cookies, um den Anwendernutzen zu vergrößern und unsere Webseite zu optimieren. Mehr über Cookies und wie man sie abschaltet finden Sie hier. Cookies und tracking Technologien können für Marketingzwecke verwendet werden.
Durch Klicken von „RICHTLINIEN AKZEPTIEREN“ stimmen Sie der Verwendung von Cookies auf Ihrem Endgerät und der Verwendung von tracking Technologien zu. Klicken Sie auf „MEHR INFORMATIONEN“ unten für mehr Informationen und Anleitungen wie man Cookies und tracking Technologien abschaltet. Das Akzeptieren von Cookies und tracking Technologien ist zwar freiwillig, das Blockieren kann aber eine korrekte Ausführung unserer Website verhindern, und bestimmte Werbung könnte für Sie weniger relevant sein.
Ihr Datenschutz ist uns wichtig. Lesen Sie mehr über unsere Datenschutzrichtlinien hier.