ADS8320EVM-PDK, MSOP8 Evaluation Module is an EVM that permits the testing of ADS8320, 16 bit MS0P8 devices
Referenzdesign unter Verwendung des Teils ADS8320 von Texas Instruments
Für Endprodukte
- Battery Management
- Data Acquisition System
- Industrial Control
- Robotics
Beschreibung
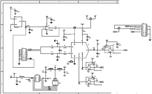
- ADS8320EVM-PDK, MSOP8 Evaluation Module is an EVM that permits the testing of ADS8320, 16 bit MS0P8 devices. for maximum flexibility the EVM is designed for easy interfacing to multiple analog sources. The modular EVM form factor allows for direct evaluation of the ADC's performance and operating characteristics
Haupteigenschaften
-
ADC Resolution16 Bit
-
ADC Sampling Rate100K SPS
-
Number of Channels1CH
Empfohlene Bauteile (25)
| Teilenummer | Hersteller | Typ | Beschreibung | |||
|---|---|---|---|---|---|---|
|
|
OPA353NA/250 | Texas Instruments | Operational Amplifiers - Op Amps | Op Amp Single GP R-R I/O 5.5V 5-Pin SOT-23 T/R | In den Warenkorb | |
|
|
OPA353NA/250G4 | Texas Instruments | Operational Amplifiers - Op Amps | Op Amp Single GP R-R I/O 5.5V 5-Pin SOT-23 T/R | In den Warenkorb | |
|
|
OPA353NA/250 | Texas Instruments | Operational Amplifiers - Op Amps | Op Amp Single GP R-R I/O 5.5V 5-Pin SOT-23 T/R | In den Warenkorb | |
|
|
SN74LVC1G125DBVT | Texas Instruments | Buffers and Line Drivers | Buffer/Line Driver 1-CH Non-Inverting 3-ST CMOS 5-Pin SOT-23 T/R | In den Warenkorb | |
|
|
REF3025AIDBZT | Texas Instruments | Voltage References | V-Ref Precision 2.5V 25mA 3-Pin SOT-23 T/R | In den Warenkorb | |
|
|
ADS8320SKGD1 | Texas Instruments | Analog to Digital Converters - ADCs | 1-Channel Single ADC SAR 100ksps 16-bit Serial XCEPT Bulk | In den Warenkorb | |
|
|
ADS8320E/250G4 | Texas Instruments | Analog to Digital Converters - ADCs | 1-Channel Single ADC SAR 100ksps 16-bit Serial 8-Pin VSSOP T/R | In den Warenkorb | |
|
|
ADS8320E/2K5 | Texas Instruments | Analog to Digital Converters - ADCs | 1-Channel Single ADC SAR 100ksps 16-bit Serial 8-Pin VSSOP T/R | In den Warenkorb | |
|
|
ADS8320EB/2K5G4 | Texas Instruments | Analog to Digital Converters - ADCs | 1-Channel Single ADC SAR 100ksps 16-bit Serial 8-Pin VSSOP T/R | In den Warenkorb | |
|
|
ADS8320E/2K5G4 | Texas Instruments | Analog to Digital Converters - ADCs | 1-Channel Single ADC SAR 100ksps 16-bit Serial 8-Pin VSSOP T/R | In den Warenkorb | |
|
|
ADS8320E/2K5 | Texas Instruments | Analog to Digital Converters - ADCs | 1-Channel Single ADC SAR 100ksps 16-bit Serial 8-Pin VSSOP T/R | In den Warenkorb | |
|
|
ADS8320E/250 | Texas Instruments | Analog to Digital Converters - ADCs | 1-Channel Single ADC SAR 100ksps 16-bit Serial 8-Pin VSSOP T/R | In den Warenkorb | |