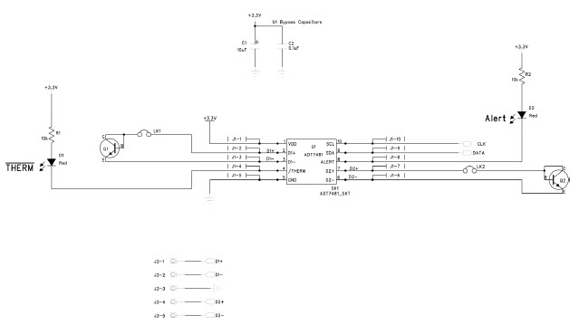
ADT7481EBZEVB, Evaluation Board based on ADT7481 3-Ch Digital thermometer and Under/Over Temperature Alarm

Referenzdesign unter Verwendung des Teils ADT7481ARMZ von onsemi

Hersteller

onsemi
  • Anwendungskategorie
    Motorkontrolle
  • Produkttyp
    Lüftermotor Kontrolle

Beschreibung

  • ADT7481EBZEVB, Evaluation Board for ADT7481 is a 3-channel digital thermometer and under/over temperature alarm, intended for use in PCs and thermal management systems. It can measure its own ambient temperature or the temperature of two remote thermal diodes. These thermal diodes can be located in a CPU or GPU or they can be discrete diode connected transistors. The ambient temperature or the temperature of the remote thermal diode

Aktuelles über Elektronikkomponenten­

Wir haben unsere Datenschutzbestimmungen aktualisiert. Bitte nehmen Sie sich einen Moment Zeit, diese Änderungen zu überprüfen. Mit einem Klick auf "Ich stimme zu", stimmen Sie den Datenschutz- und Nutzungsbedingungen von Arrow Electronics zu.

Wir verwenden Cookies, um den Anwendernutzen zu vergrößern und unsere Webseite zu optimieren. Mehr über Cookies und wie man sie abschaltet finden Sie hier. Cookies und tracking Technologien können für Marketingzwecke verwendet werden.
Durch Klicken von „RICHTLINIEN AKZEPTIEREN“ stimmen Sie der Verwendung von Cookies auf Ihrem Endgerät und der Verwendung von tracking Technologien zu. Klicken Sie auf „MEHR INFORMATIONEN“ unten für mehr Informationen und Anleitungen wie man Cookies und tracking Technologien abschaltet. Das Akzeptieren von Cookies und tracking Technologien ist zwar freiwillig, das Blockieren kann aber eine korrekte Ausführung unserer Website verhindern, und bestimmte Werbung könnte für Sie weniger relevant sein.
Ihr Datenschutz ist uns wichtig. Lesen Sie mehr über unsere Datenschutzrichtlinien hier.