ADuM4135 Gate Driver Performance Driving SiC Power Switches Application Note
Referenzdesign unter Verwendung des Teils ADUM4135BRWZ von Analog Devices
Für Endprodukte
- Energy Storage
- Solar Photovoltaic
Beschreibung
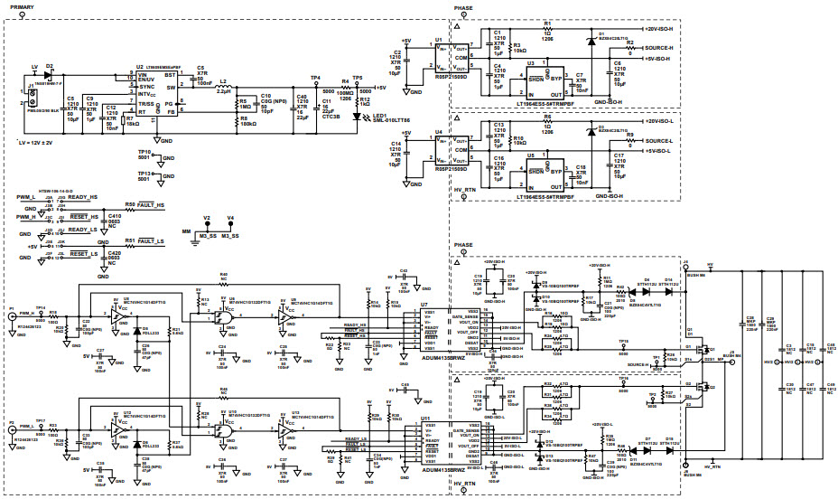
- In solar photovoltaics (PV) and energy storage applications, there is a trend towards increased power density along with the ever present need of improved efficiency. A solution to this problem comes in the form of silicon carbide (SiC) power devices. The ADuM4135 gate driver is a single-channel device with a typical drive capability of 7A source/sink at a 25 V operating voltage (VDD to VSS)
Haupteigenschaften
-
Isolation Voltage2.5K
Empfohlene Bauteile (8)
| Teilenummer | Hersteller | Typ | Beschreibung | |||
|---|---|---|---|---|---|---|
|
|
LT8609EMSE#PBF | Analog Devices | DC to DC Converter and Switching Regulator Chip | Conv DC-DC 3V to 42V Synchronous Step Down Single-Out 0.8V to 41.5V 3A 10-Pin MSOP EP Tube | In den Warenkorb | |
|
|
MC74VHC1G14DFT1G | onsemi | Inverters and Schmitt Triggers | Inverter Schmitt Trigger 1-Element CMOS 5-Pin SC-88A T/R | In den Warenkorb | |
|
|
LT1964ES5-5#TRMPBF (CUT REEL) | Analog Devices | Linear Regulators | LDO Regulator Neg -5V 0.2A 5-Pin TSOT-23 T/R | In den Warenkorb | |
|
|
LT8609EMSE#TRPBF | Analog Devices | DC to DC Converter and Switching Regulator Chip | Conv DC-DC 3V to 42V Synchronous Step Down Single-Out 0.8V to 41.5V 3A 10-Pin MSOP EP T/R | In den Warenkorb | |
|
|
LT1964ES5-5#TRMPBF | Analog Devices | Linear Regulators | LDO Regulator Neg -5V 0.2A 5-Pin TSOT-23 T/R | In den Warenkorb | |
|
|
R05P21509D | RECOM Power GmbH | DC to DC Converter and Switching Regulator Module | Module DC-DC 5VIN 2-OUT 15V/-9V 0.067A/-0.111A 2W 5-Pin SIP Module Tube | In den Warenkorb | |
|
|
ADUM4135 | Analog Devices | Digital Isolators | Driver 4.61A 1-OUT High Side/Low Side 16-Pin SOIC W Tube | In den Warenkorb | |
|
|
ADUM4135BRWZ | Analog Devices | Digital Isolators | Driver 4.61A 1-OUT High Side/Low Side 16-Pin SOIC W Tube | In den Warenkorb | |