ADZS-CM408F-EZLITE, ADSP-CM40x EZ-Kit Lite Evaluation System provides a Low-Cost Hardware Solutions for Evaluating the ADSP-CM40x Mixed-Signal Control Processors
Referenzdesign unter Verwendung des Teils ADSP-CM408BSWZ von Analog Devices
Für Endprodukte
- Environmental
- Industrial Applications
- Motor Control
Beschreibung
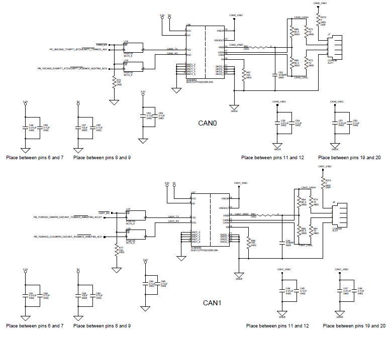
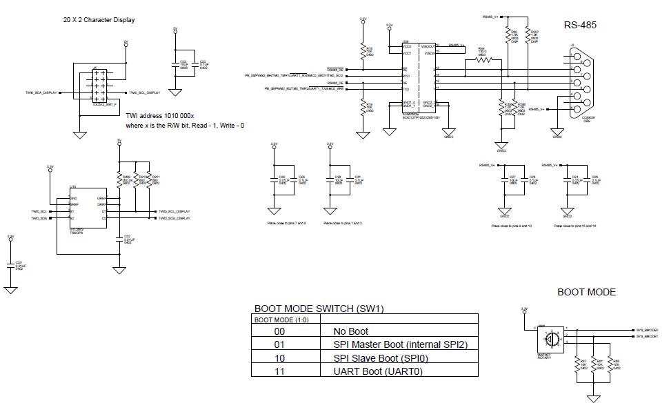
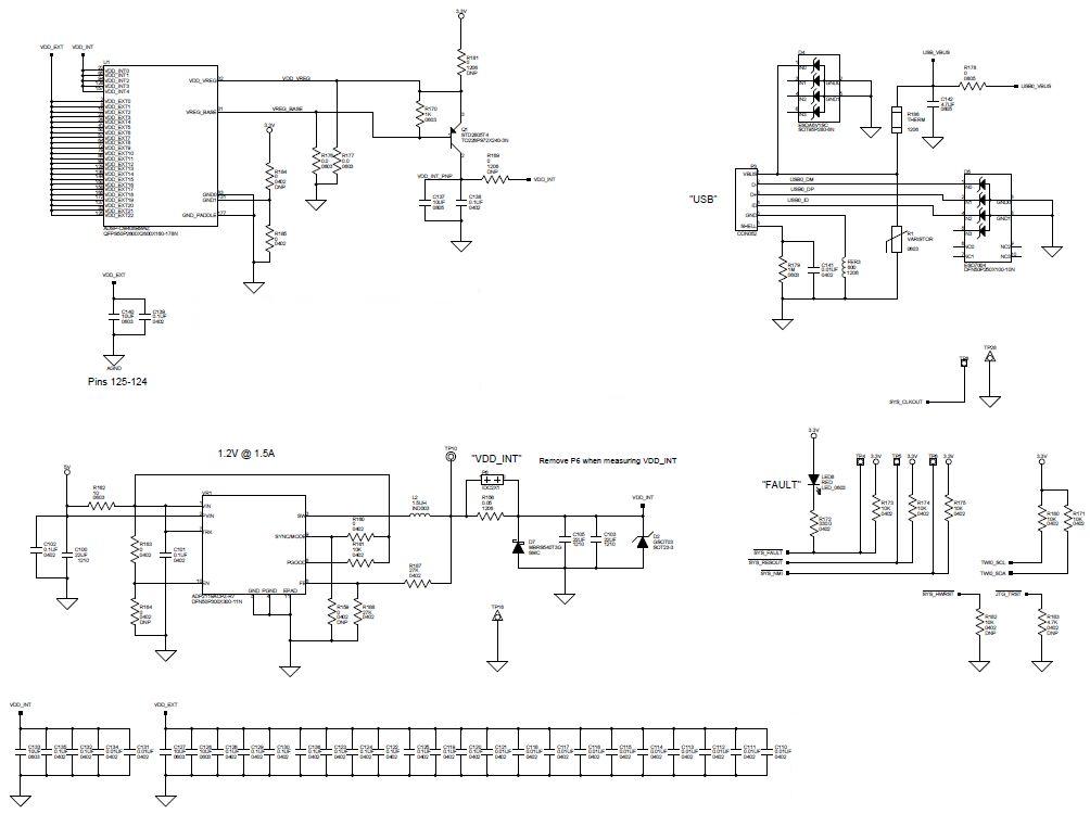
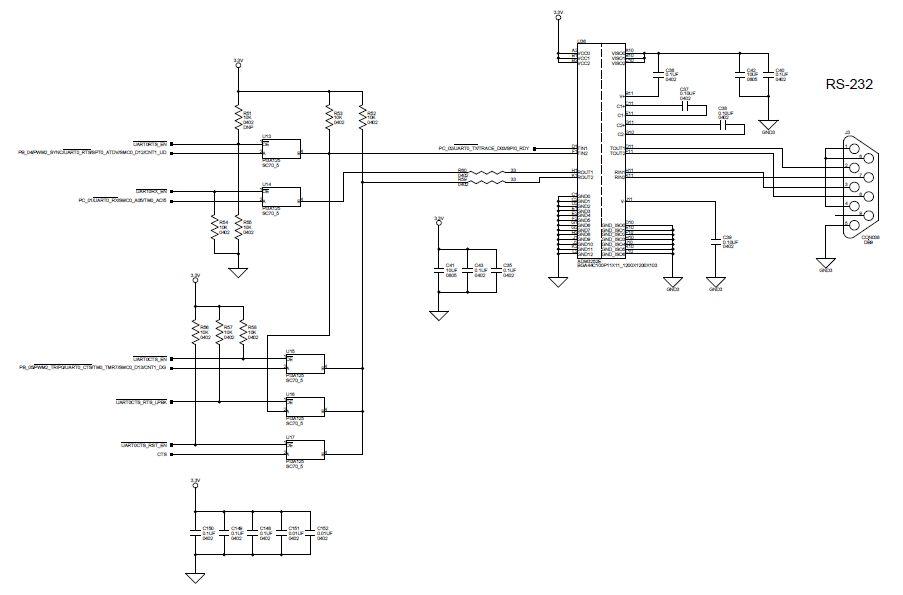
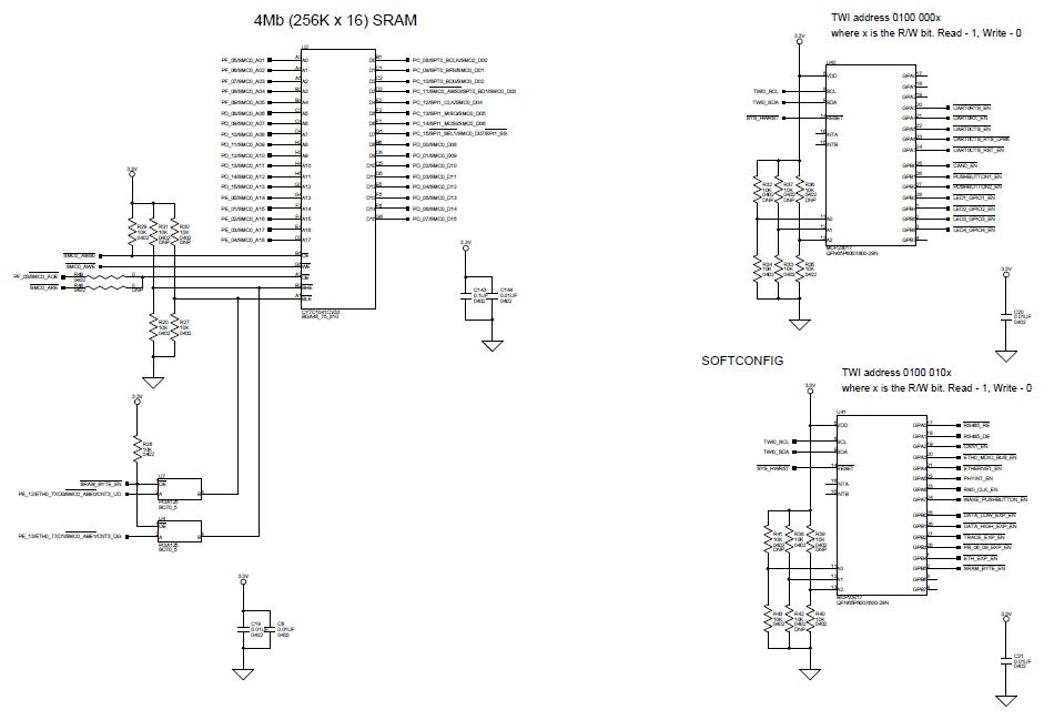
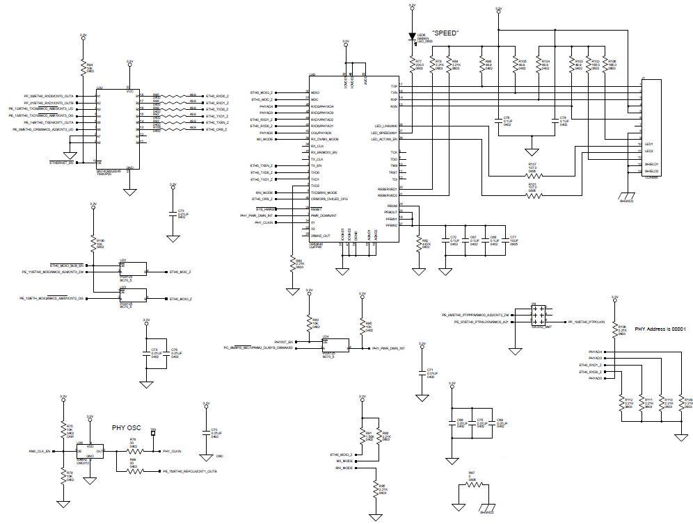
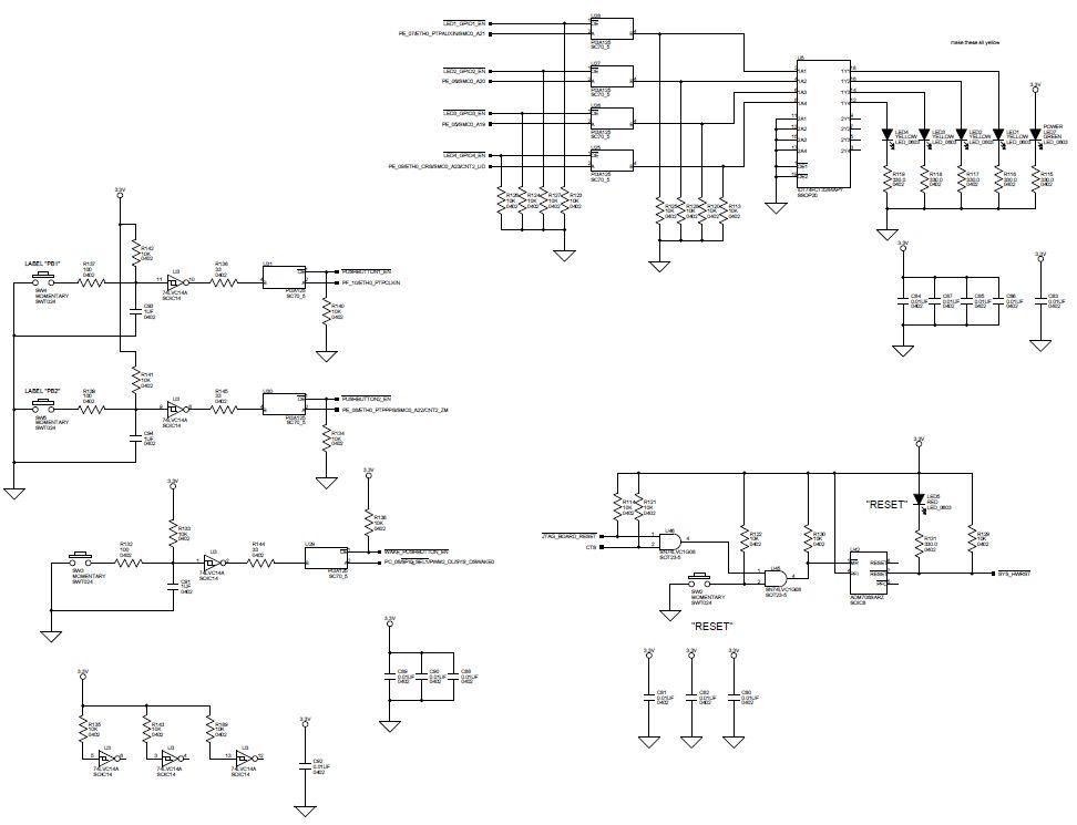
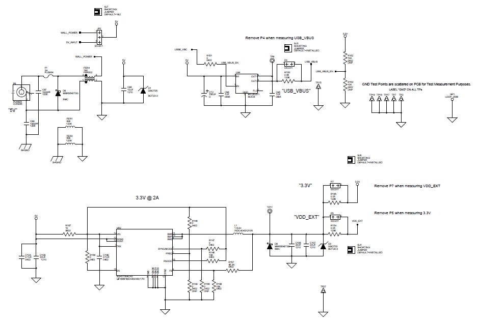
- ADZS-CM408F-EZLITE, ADSP-CM40x EZ-Kit Lite Evaluation System for the ADSP-CM408 mixed-signal control processors. The ADSP-CM40x processor family is based on the ARM Cortex-M4 core and is designed for motor control and industrial applications. The ADSP-CM40x Evaluation Hardware provides a low cost hardware solution for evaluating the ADSP-CM40x mixed-signal control processor family, and consists of the ADSP-CM403F and ADSP-CM408F EZ-Boards, J-LINK LITE ARM debug probe from Segger and optional probing boards. The ADSP-CM403F EZ-KIT Lite and ADSP-CM408F EZ-KIT Lite include all hardware necessary to immediately begin evaluation
Haupteigenschaften
-
Embedded System TypeDSP
-
Core ProcessorARM Cortex-M4
-
PlatformEZ-KIT Lite
Empfohlene Bauteile (21)
| Teilenummer | Hersteller | Typ | Beschreibung | |||
|---|---|---|---|---|---|---|
|
|
PI4ULS3V08MZLE | Diodes Incorporated | Level Translators | Voltage Level Translator 8-CH Bidirectional 32-Pin TQFN EP | In den Warenkorb | |
|
|
MIC2025-1YM | Microchip Technology | USB Power Switches | USB Power Switch Single 5.5V 0.7A 8-Pin SOIC N Tube | In den Warenkorb | |
|
|
ADP2118ACPZ-1.2-R7 | Analog Devices | DC to DC Converter and Switching Regulator Chip | Conv DC-DC 2.3V to 5.5V Synchronous Step Down Single-Out 1.2V 3A 16-Pin LFCSP EP T/R | In den Warenkorb | |
|
|
SN74CB3Q3245PWR | Texas Instruments | Bus Switches | Bus Switch 1-Element CMOS 8-IN 20-Pin TSSOP T/R | In den Warenkorb | |
|
|
ADP2118ACPZ-3.3-R7 | Analog Devices | DC to DC Converter and Switching Regulator Chip | Module DC-DC 1-OUT 3.3V 3A 16-Pin LFCSP EP T/R | In den Warenkorb | |
|
|
ASFL1-50.000MHZ-EC-T | Abracon | SMD Crystal Oscillators | Oscillator XO 50MHz ±50ppm 15pF HCMOS/TTL 60% 3.3V 4-Pin SMD T/R | In den Warenkorb | |
|
|
DP83848CVV /NOPB | Texas Instruments | PHY | PHY 1-CH 10Mbps/100Mbps 3.3V Automotive AEC-Q100 48-Pin LQFP Tray | In den Warenkorb | |
|
|
ADR441ARMZ | Analog Devices | Voltage References | V-Ref Precision 2.5V 10mA 8-Pin MSOP Tube | In den Warenkorb | |
|
|
MCP23017-E/ML | Microchip Technology | GPIO Expanders | I2C Interface 1700kHz 5.5V 28-Pin QFN EP Tube | In den Warenkorb | |
|
|
ADA4899-1YRDZ-R7 | Analog Devices | Operational Amplifiers - Op Amps | Op Amp Single High Speed Amplifier ±6V/12V 8-Pin SOIC N EP T/R | In den Warenkorb | |
|
|
SN74LVC1G08DBVT | Texas Instruments | Logic Gates | AND Gate 1-Element 2-IN CMOS 5-Pin SOT-23 T/R | In den Warenkorb | |
|
|
ADM708SARZ | Analog Devices | Supervisory Circuits | Processor Supervisor 2.93V 1 Active High/Active Low/Push-Pull 8-Pin SOIC N Tube | In den Warenkorb | |