AFE5801EVM, Evaluation Module is designed for the AFE5801 ultrasound analog front-end (AFE)
Referenzdesign unter Verwendung des Teils AFE5801 von Texas Instruments
Zugehörige Dokumente
Für Endprodukte
- Medical Imaging
- Portable
- Ultrasound Imaging
Beschreibung
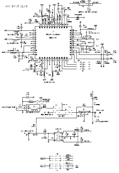
- AFE5801EVM, Evaluation Module for the AFE5801 includes an 8-channel Voltage-Controlled-Amplifier (VCA) with digital control and an 8-channel 65MSPS analog-to-digital converter (ADC). The 8 analog input signals will be processed by the analog front-end circuit of AFE5801, the outputs of the analog front-end will then be digitalized by the ADC within the device. The TSW1250EVM includes a High-Speed LVDS Deserializer, DE multiplexer and Analysis System which provide a comprehensive set of hardware and user interface software to effectively evaluate the performance of AFE5801
Haupteigenschaften
-
ADC Resolution12 Bit
-
ADC Sampling Rate65M SPS
-
Number of Channels8CH
Empfohlene Bauteile (12)
| Teilenummer | Hersteller | Typ | Beschreibung | |||
|---|---|---|---|---|---|---|
|
|
TPS79318DBVR | Texas Instruments | Linear Regulators | LDO Regulator Pos 1.8V 0.2A 5-Pin SOT-23 T/R | In den Warenkorb | |
|
|
ECS-3953M-400-BN-TR | ECS, Inc. International | SMD Crystal Oscillators | Oscillator XO 40MHz ±50ppm 15pF HCMOS 60% 3.3V 4-Pin SMD T/R | In den Warenkorb | |
|
|
TPS79318DBVRG4 | Texas Instruments | Linear Regulators | LDO Regulator Pos 1.8V 0.2A 5-Pin SOT-23 T/R | In den Warenkorb | |
|
|
CDCE62005RGZR | Texas Instruments | Clock Generators and Synthesizers | Clock Generator MHz to 1.5GHz-IN 1175MHz-OUT 48-Pin VQFN EP T/R | In den Warenkorb | |
|
|
TPS79633DCQR | Texas Instruments | Linear Regulators | LDO Regulator Pos 3.3V 1A 6-Pin(5+Tab) SOT-223 T/R | In den Warenkorb | |
|
|
ECS-3953M-400-BN | ECS, Inc. International | SMD Crystal Oscillators | Oscillator XO 40MHz ±50ppm 15pF HCMOS 60% 3.3V 4-Pin SMD | In den Warenkorb | |
|
|
TPS79318DBVRQ1 | Texas Instruments | Linear Regulators | LDO Regulator Pos 1.8V 0.2A Automotive AEC-Q100 5-Pin SOT-23 T/R | In den Warenkorb | |
|
|
CDCE62005RGZT | Texas Instruments | Clock Generators and Synthesizers | Clock Generator MHz to 1.5GHz-IN 1175MHz-OUT 48-Pin VQFN EP T/R | In den Warenkorb | |
|
|
TPS79318DBVREP | Texas Instruments | Linear Regulators | LDO Regulator Pos 1.8V 0.2A 5-Pin SOT-23 T/R | In den Warenkorb | |
|
|
TPS79618DCQR | Texas Instruments | Linear Regulators | LDO Regulator Pos 1.8V 1A 6-Pin(5+Tab) SOT-223 T/R | In den Warenkorb | |
|
|
AFE5801IRGCR | Texas Instruments | Analog Front End - AFE | AFE General Purpose 8 ADC 12bit 1.8V/3.3V 64-Pin VQFN EP T/R | In den Warenkorb | |
|
|
AFE5801IRGCT | Texas Instruments | Analog Front End - AFE | AFE General Purpose 8 ADC 12bit 1.8V/3.3V 64-Pin VQFN EP T/R | In den Warenkorb | |