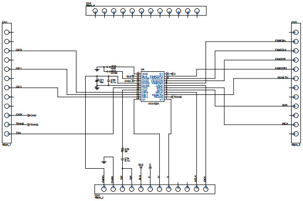
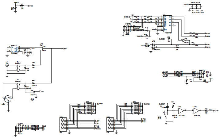
AKD4103A, Evaluation Board for AK4103A 192kHz DIT for Audio Interfaces

Referenzdesign unter Verwendung des Teils AK4103AVF von Asahi Kasei Microdevices Corporation

Hersteller

Asahi Kasei Microdevices Corporation
  • Anwendungskategorie
    Audio
  • Produkttyp
    Audioschnittstellen

Für Endprodukte

  • Audio Interfaces

Beschreibung

  • AKD4103A, Evaluation Board for the AK4103A, 192kHz DIT. The AKD4103A has the interface with A/D converter evaluation boards and DIR evaluation boards. Therefore, it is easy to evaluate the AK4103A. The AKD4103A also has the digital audio interface and can achieve the interface with digital audio systems via optical link, BNC unbalance or XLR balance connector

Aktuelles über Elektronikkomponenten­

Wir haben unsere Datenschutzbestimmungen aktualisiert. Bitte nehmen Sie sich einen Moment Zeit, diese Änderungen zu überprüfen. Mit einem Klick auf "Ich stimme zu", stimmen Sie den Datenschutz- und Nutzungsbedingungen von Arrow Electronics zu.

Wir verwenden Cookies, um den Anwendernutzen zu vergrößern und unsere Webseite zu optimieren. Mehr über Cookies und wie man sie abschaltet finden Sie hier. Cookies und tracking Technologien können für Marketingzwecke verwendet werden.
Durch Klicken von „RICHTLINIEN AKZEPTIEREN“ stimmen Sie der Verwendung von Cookies auf Ihrem Endgerät und der Verwendung von tracking Technologien zu. Klicken Sie auf „MEHR INFORMATIONEN“ unten für mehr Informationen und Anleitungen wie man Cookies und tracking Technologien abschaltet. Das Akzeptieren von Cookies und tracking Technologien ist zwar freiwillig, das Blockieren kann aber eine korrekte Ausführung unserer Website verhindern, und bestimmte Werbung könnte für Sie weniger relevant sein.
Ihr Datenschutz ist uns wichtig. Lesen Sie mehr über unsere Datenschutzrichtlinien hier.