AKD4641EN-A, Evaluation Board for AK4641 16bit Stereo CODEC with built-in Microphone-Amp and 16bit Mono CODEC for Bluetooth Interface
Referenzdesign unter Verwendung des Teils AK4641VN von Asahi Kasei Microdevices Corporation
Für Endprodukte
- Bluetooth
- Microphone
Beschreibung
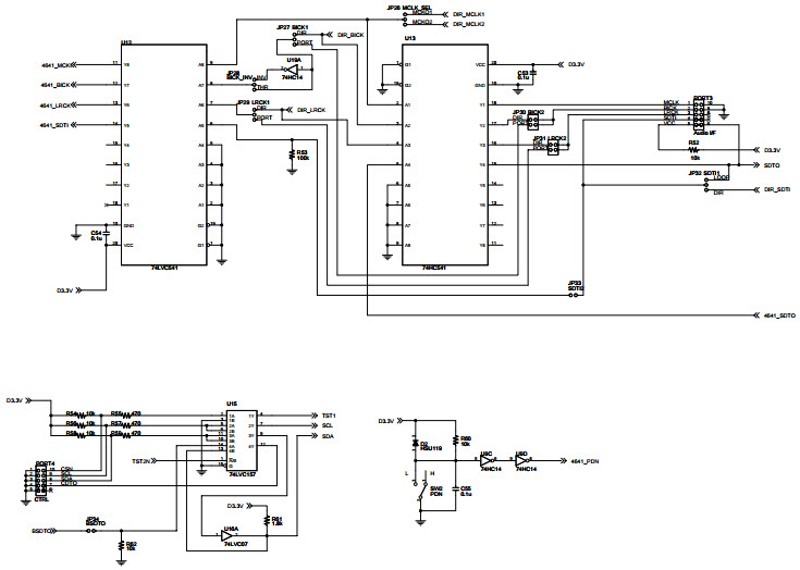
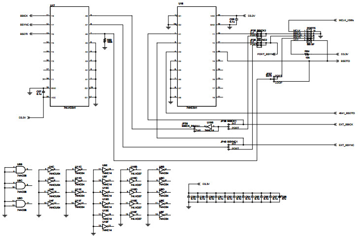
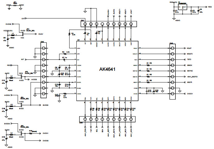
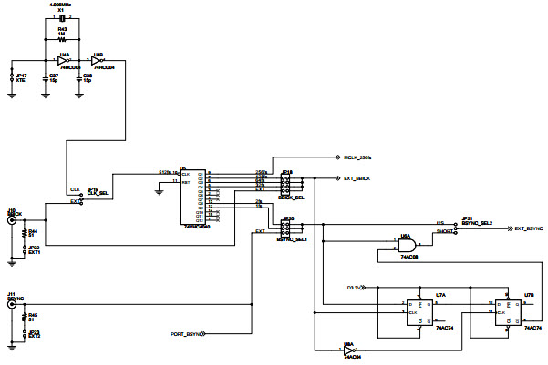
- AKD4641EN-A, Evaluation Board for the AK4641, 16bit stereo CODEC with built-in Microphone-amplifier and 16bit Mono CODEC for Bluetooth Interface. The AKD4641 can evaluate A/D converter and D/A converter separately in addition to loopback mode (A/D to D/A). The AKD4641 also has the digital audio interface and can achieve the interface with digital audio systems via opt-connector
Haupteigenschaften
-
CODEC Resolution16 Bit
Empfohlene Bauteile (28)
| Teilenummer | Hersteller | Typ | Beschreibung | |||
|---|---|---|---|---|---|---|
|
|
74LVC541APW,118 | Nexperia | Buffers and Line Drivers | Buffer/Line Driver 8-CH Non-Inverting 3-ST CMOS 20-Pin TSSOP T/R | In den Warenkorb | |
|
|
74LVC541AD-Q100J | Nexperia | Buffers and Line Drivers | Buffer/Line Driver 8-CH Non-Inverting 3-ST CMOS Automotive AEC-Q100 20-Pin SO T/R | In den Warenkorb | |
|
|
74AC08MTCX | onsemi | Logic Gates | AND Gate 4-Element 2-IN CMOS 14-Pin TSSOP W T/R | In den Warenkorb | |
|
|
74LVC07APW/AUJ | Nexperia | Buffers and Line Drivers | Buffer/Driver 6-CH Non-Inverting Open Drain CMOS 14-Pin TSSOP T/R | In den Warenkorb | |
|
|
74LVC07APW,118 | Nexperia | Buffers and Line Drivers | Buffer/Driver 6-CH Non-Inverting Open Drain CMOS 14-Pin TSSOP T/R | In den Warenkorb | |
|
|
74LVC07AD-Q100J | Nexperia | Buffers and Line Drivers | Buffer/Driver 6-CH Non-Inverting Open Drain CMOS 14-Pin SO T/R Automotive AEC-Q100 | In den Warenkorb | |
|
|
74LVC07AD,118 | Nexperia | Buffers and Line Drivers | Buffer/Driver 6-CH Non-Inverting Open Drain CMOS 14-Pin SO T/R | In den Warenkorb | |
|
|
74LVC07ABQ-Q100X | Nexperia | Buffers and Line Drivers | Buffer/Driver 6-CH Non-Inverting Open Drain CMOS Automotive AEC-Q100 14-Pin DHVQFN EP T/R | In den Warenkorb | |
|
|
LM4889MMX/NOPB | Texas Instruments | Audio Amplifiers | Audio Amp Speaker 1-CH Mono 1W Class-AB 8-Pin VSSOP T/R | In den Warenkorb | |
|
|
74LVC541APW,118 | Nexperia | Buffers and Line Drivers | Buffer/Line Driver 8-CH Non-Inverting 3-ST CMOS 20-Pin TSSOP T/R | In den Warenkorb | |
|
|
74LVC07APW/S411,11 | Nexperia | Buffers and Line Drivers | HEX BUFFER WITH OPEN-DRAIN OUTPUTS | In den Warenkorb | |
|
|
74LVC07APW/AUJ | Nexperia | Buffers and Line Drivers | Buffer/Driver 6-CH Non-Inverting Open Drain CMOS 14-Pin TSSOP T/R | In den Warenkorb | |