AKD4958EG-B, Evaluation Board for AK4958 24-bit Audio Codec

Referenzdesign unter Verwendung des Teils AK4958EG von Asahi Kasei Microdevices Corporation

Hersteller

Asahi Kasei Microdevices Corporation
  • Anwendungskategorie
    CODEC
  • Produkttyp
    Audio Codec

Für Endprodukte

  • Audio Interfaces

Beschreibung

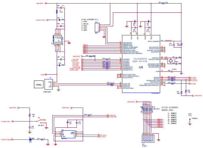
  • AKD4958EG-B, Evaluation Board for the AK4958, 24-bit stereo CODEC with a microphone, speaker, video amplifiers and LDO. The AKD4958EG-B is controlled via USB port, allowing simple evaluation. It features a USB audio device therefore audio signals can be input through the USB port from a PC. The built-in digital audio interface realizes interfacing to digital audio systems via optical connector. for analog connections, the AKD4958EG-B has a Line output, Microphone input, and HeadPhone output terminals. In addition, it has a Flash Rom that enables a stand-alone operation

Haupteigenschaften

  • CODEC Resolution
    24 Bit

Aktuelles über Elektronikkomponenten­

Wir haben unsere Datenschutzbestimmungen aktualisiert. Bitte nehmen Sie sich einen Moment Zeit, diese Änderungen zu überprüfen. Mit einem Klick auf "Ich stimme zu", stimmen Sie den Datenschutz- und Nutzungsbedingungen von Arrow Electronics zu.

Wir verwenden Cookies, um den Anwendernutzen zu vergrößern und unsere Webseite zu optimieren. Mehr über Cookies und wie man sie abschaltet finden Sie hier. Cookies und tracking Technologien können für Marketingzwecke verwendet werden.
Durch Klicken von „RICHTLINIEN AKZEPTIEREN“ stimmen Sie der Verwendung von Cookies auf Ihrem Endgerät und der Verwendung von tracking Technologien zu. Klicken Sie auf „MEHR INFORMATIONEN“ unten für mehr Informationen und Anleitungen wie man Cookies und tracking Technologien abschaltet. Das Akzeptieren von Cookies und tracking Technologien ist zwar freiwillig, das Blockieren kann aber eine korrekte Ausführung unserer Website verhindern, und bestimmte Werbung könnte für Sie weniger relevant sein.
Ihr Datenschutz ist uns wichtig. Lesen Sie mehr über unsere Datenschutzrichtlinien hier.