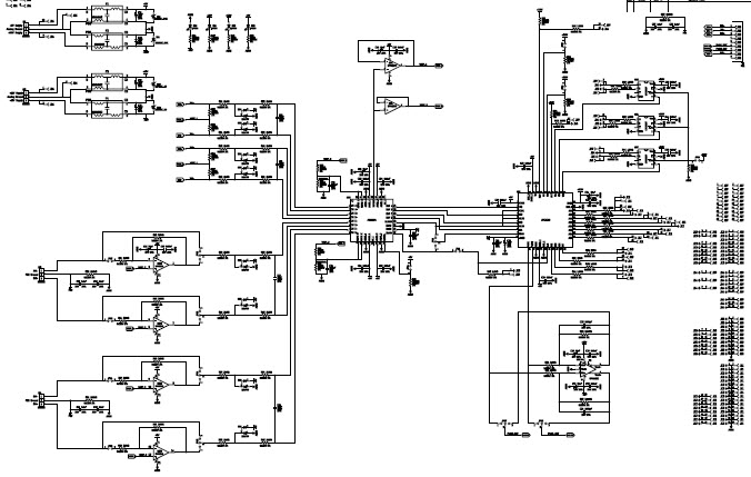
AMC1210EVM, AMC1210 modular evaluation module, 16-Bit, 40KSPS, 4CH ADC for Motion Motor Control
Referenzdesign unter Verwendung des Teils ADS1204I von Texas Instruments
Für Endprodukte
- Motion Motor Control
Beschreibung
- AMC1210EVM, AMC1210 modular evaluation module provides four modulator channels from ADS1204 for AMC1210. Two are designated for resolver applications and two are designated for current measurements
Haupteigenschaften
-
ADC Resolution16 Bit
-
ADC Sampling Rate40K SPS
-
Number of Channels4CH
Empfohlene Bauteile (21)
| Teilenummer | Hersteller | Typ | Beschreibung | |||
|---|---|---|---|---|---|---|
|
|
OPA2347UA | Texas Instruments | Operational Amplifiers - Op Amps | Op Amp Dual Low Input Bias Current Amplifier R-R I/O 5.5V 8-Pin SOIC Tube | In den Warenkorb | |
|
|
AMC1210IRHAT | Texas Instruments | Data Conversion Misc | Digital Filter 40ksps 40-Pin VQFN EP T/R | In den Warenkorb | |
|
|
OPA1632DGNR | Texas Instruments | Audio Amplifiers | Audio Amp Speaker 1-CH Mono/2-CH Stereo/4-CH Stereo Class-AB 8-Pin HVSSOP EP T/R | In den Warenkorb | |
|
|
OPA2347UA/2K5 | Texas Instruments | Operational Amplifiers - Op Amps | Op Amp Dual Low Input Bias Current Amplifier R-R I/O 5.5V 8-Pin SOIC T/R | In den Warenkorb | |
|
|
OPA2347UA/2K5G4 | Texas Instruments | Operational Amplifiers - Op Amps | Op Amp Dual Low Input Bias Current Amplifier R-R I/O 5.5V 8-Pin SOIC T/R | In den Warenkorb | |
|
|
OPA4354AID | Texas Instruments | Operational Amplifiers - Op Amps | Op Amp Quad High Speed Amplifier R-R I/O ±2.75V/5.5V 14-Pin SOIC Tube | In den Warenkorb | |
|
|
OPA4354AIPWRG4 | Texas Instruments | Operational Amplifiers - Op Amps | Op Amp Quad High Speed Amplifier R-R I/O ±2.75V/5.5V 14-Pin TSSOP T/R | In den Warenkorb | |
|
|
OPA4354AIPWT | Texas Instruments | Operational Amplifiers - Op Amps | Op Amp Quad High Speed Amplifier R-R I/O ±2.75V/5.5V 14-Pin TSSOP T/R | In den Warenkorb | |
|
|
SN74LVC2G157DCT3 | Texas Instruments | Multiplexers | Multiplexer 1-Element CMOS Push-Pull 2-IN 8-Pin SSOP T/R | In den Warenkorb | |
|
|
AMC1210IRHAR | Texas Instruments | Data Conversion Misc | Digital Filter 40ksps 40-Pin VQFN EP T/R | In den Warenkorb | |
|
|
SN74LVC2G157DCTRG4 | Texas Instruments | Multiplexers | Multiplexer 1-Element CMOS Push-Pull 2-IN 8-Pin SSOP T/R | In den Warenkorb | |
|
|
OPA2347UA/2K5 | Texas Instruments | Operational Amplifiers - Op Amps | Op Amp Dual Low Input Bias Current Amplifier R-R I/O 5.5V 8-Pin SOIC T/R | In den Warenkorb | |