AN10419 - PCA9518A Single Card I2C Bus Buffer Application Circuit

Referenzdesign unter Verwendung des Teils PCA9518A von NXP Semiconductors

Hersteller

NXP Semiconductors
  • Anwendungskategorie
    Schnittstelle
  • Produkttyp
    Adapterkarte

Für Endprodukte

  • Laptop
  • Notebook
  • VoIP Telephone

Beschreibung

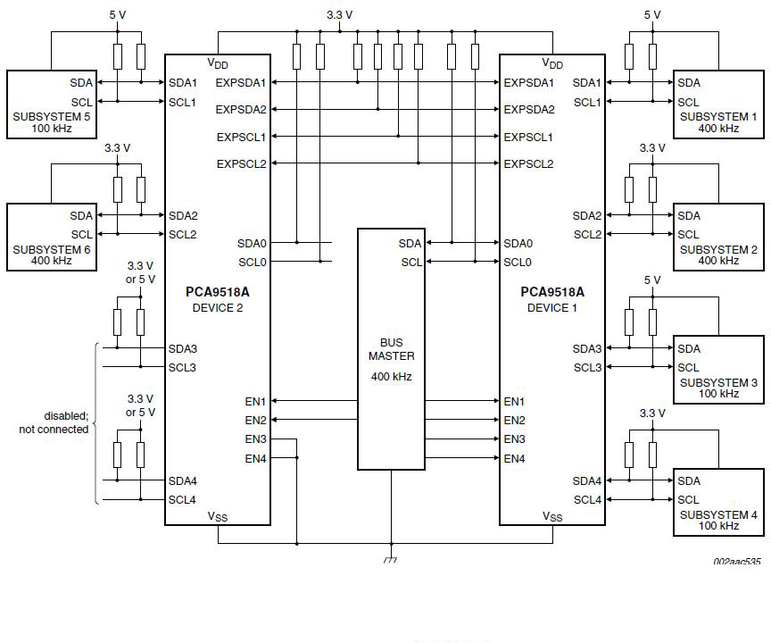
  • AN10419, Application circuit for the PCA9518A series of single card I2C-bus and SMBus bus buffers are used where I/O card insertion into a live backplane is not required such as telephones, personal computers and laptop computers. These applications do not require long bus length when masters and slave are located on the same PC boards or enclosed in a same small cabinet

Haupteigenschaften

  • Supply Voltage
    Single(3.3) V

Aktuelles über Elektronikkomponenten­

Wir haben unsere Datenschutzbestimmungen aktualisiert. Bitte nehmen Sie sich einen Moment Zeit, diese Änderungen zu überprüfen. Mit einem Klick auf "Ich stimme zu", stimmen Sie den Datenschutz- und Nutzungsbedingungen von Arrow Electronics zu.

Wir verwenden Cookies, um den Anwendernutzen zu vergrößern und unsere Webseite zu optimieren. Mehr über Cookies und wie man sie abschaltet finden Sie hier. Cookies und tracking Technologien können für Marketingzwecke verwendet werden.
Durch Klicken von „RICHTLINIEN AKZEPTIEREN“ stimmen Sie der Verwendung von Cookies auf Ihrem Endgerät und der Verwendung von tracking Technologien zu. Klicken Sie auf „MEHR INFORMATIONEN“ unten für mehr Informationen und Anleitungen wie man Cookies und tracking Technologien abschaltet. Das Akzeptieren von Cookies und tracking Technologien ist zwar freiwillig, das Blockieren kann aber eine korrekte Ausführung unserer Website verhindern, und bestimmte Werbung könnte für Sie weniger relevant sein.
Ihr Datenschutz ist uns wichtig. Lesen Sie mehr über unsere Datenschutzrichtlinien hier.