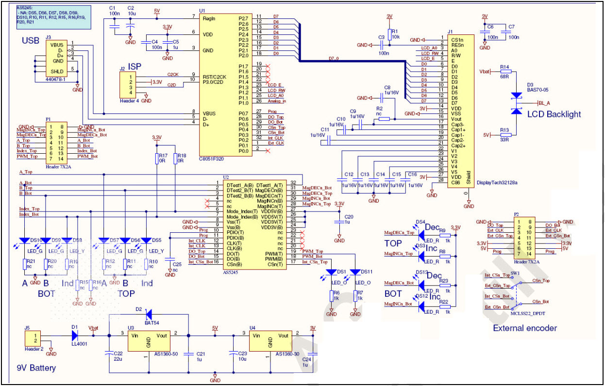
AS5245-DB, Demo Board for AS5245 Programmable Magnetic Rotary Encoder

Referenzdesign unter Verwendung des Teils AS5245 von ams OSRAM

Hersteller

ams OSRAM
  • Anwendungskategorie
    Sensoren und Wandler
  • Produkttyp
    Magnetsensor

Für Endprodukte

  • Automotive Applications
  • Position & Speed Sensing

Beschreibung

  • AS5245-DB, Demo Board for the AS5245 is a contactless magnetic angle encoder for accurate measurement up to 360 degree and includes two AS5145 devices in a punched stacked leadframe. It is a system-on-chip, combining integrated Hall elements, analog front end and digital signal processing in a single device. To measure the angle, only a simple two-pole magnet, rotating over the center of the chip is required. The magnet may be placed above or below the IC. The absolute angle measurement provides instant indication of the magnet's angular position with a resolution of 0.0879 degree = 4096 positions per revolution

Aktuelles über Elektronikkomponenten­

Wir haben unsere Datenschutzbestimmungen aktualisiert. Bitte nehmen Sie sich einen Moment Zeit, diese Änderungen zu überprüfen. Mit einem Klick auf "Ich stimme zu", stimmen Sie den Datenschutz- und Nutzungsbedingungen von Arrow Electronics zu.

Wir verwenden Cookies, um den Anwendernutzen zu vergrößern und unsere Webseite zu optimieren. Mehr über Cookies und wie man sie abschaltet finden Sie hier. Cookies und tracking Technologien können für Marketingzwecke verwendet werden.
Durch Klicken von „RICHTLINIEN AKZEPTIEREN“ stimmen Sie der Verwendung von Cookies auf Ihrem Endgerät und der Verwendung von tracking Technologien zu. Klicken Sie auf „MEHR INFORMATIONEN“ unten für mehr Informationen und Anleitungen wie man Cookies und tracking Technologien abschaltet. Das Akzeptieren von Cookies und tracking Technologien ist zwar freiwillig, das Blockieren kann aber eine korrekte Ausführung unserer Website verhindern, und bestimmte Werbung könnte für Sie weniger relevant sein.
Ihr Datenschutz ist uns wichtig. Lesen Sie mehr über unsere Datenschutzrichtlinien hier.