AS541X-DB-1.0, Demo Board based on AS5410 3D-Hall Encoder Absolute Linear

Referenzdesign unter Verwendung des Teils AS5410 von ams OSRAM

Hersteller

ams OSRAM
  • Anwendungskategorie
    Sensoren und Wandler
  • Produkttyp
    Magnetsensor

Für Endprodukte

  • Industrial Applications
  • Position Measurement

Beschreibung

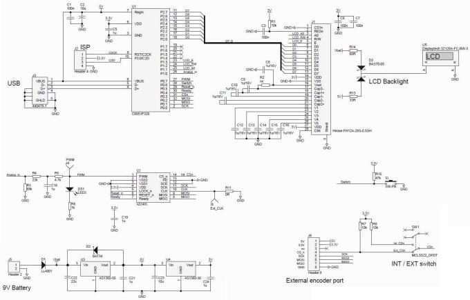
  • AS541X-DB-1.0, Demo Board for the AS5410 supports absolute linear position measurement applications. Only a simple 2-pole magnet is required as the magnetic field source. Using two 3D-Hall cells allows both absolute as well as differential 3D magnetic field measurement. The differential measurement makes the AS5410 ideal for use in rough industrial position sensing applications that include not only dust, dirt or moisture but also unwanted magnetic fields. All the signal conditioning, including compensation of temperature effects, magnet-to-chip gap changes as well as linearization of the output is included in the IC

Aktuelles über Elektronikkomponenten­

Wir haben unsere Datenschutzbestimmungen aktualisiert. Bitte nehmen Sie sich einen Moment Zeit, diese Änderungen zu überprüfen. Mit einem Klick auf "Ich stimme zu", stimmen Sie den Datenschutz- und Nutzungsbedingungen von Arrow Electronics zu.

Wir verwenden Cookies, um den Anwendernutzen zu vergrößern und unsere Webseite zu optimieren. Mehr über Cookies und wie man sie abschaltet finden Sie hier. Cookies und tracking Technologien können für Marketingzwecke verwendet werden.
Durch Klicken von „RICHTLINIEN AKZEPTIEREN“ stimmen Sie der Verwendung von Cookies auf Ihrem Endgerät und der Verwendung von tracking Technologien zu. Klicken Sie auf „MEHR INFORMATIONEN“ unten für mehr Informationen und Anleitungen wie man Cookies und tracking Technologien abschaltet. Das Akzeptieren von Cookies und tracking Technologien ist zwar freiwillig, das Blockieren kann aber eine korrekte Ausführung unserer Website verhindern, und bestimmte Werbung könnte für Sie weniger relevant sein.
Ihr Datenschutz ist uns wichtig. Lesen Sie mehr über unsere Datenschutzrichtlinien hier.