AT01180 Barcode and QR Code Scanner Application Circuit
Referenzdesign unter Verwendung des Teils ATSAM4S16CA-AU von Microchip Technology
Beschreibung
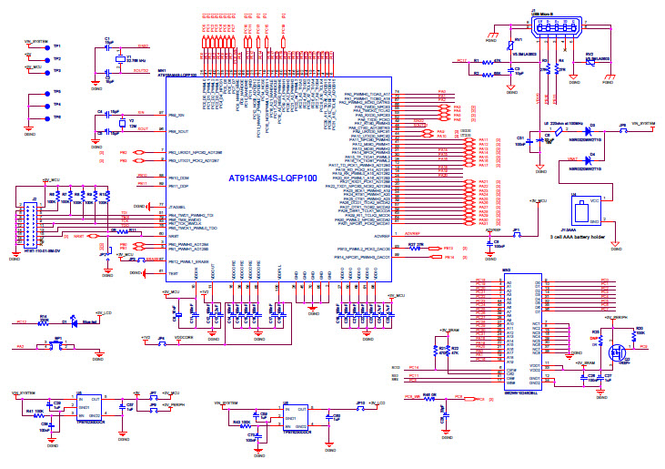
- AT01180 Barcode and QR Code Scanner Application Circuit. The demo software of Barcode and QR code scanner is created to showcase a barcode and QR code example solution based on SAM4S_WPIR_RD kit
Haupteigenschaften
-
Embedded System TypeMCU
-
Family NameSAM4S
Empfohlene Bauteile (9)
| Teilenummer | Hersteller | Typ | Beschreibung | |||
|---|---|---|---|---|---|---|
|
|
IS62WV10248DBLL-55TLI | Integrated Silicon Solution Inc | SRAM Chip | SRAM Chip Async Single 2.5V/3.3V 8M-bit 1M x 8 55ns 44-Pin TSOP-II | In den Warenkorb | |
|
|
LT1495CS8#TRPBF | Analog Devices | Operational Amplifiers - Op Amps | Op Amp Dual Precision Amplifier R-R I/O ±18V/36V 8-Pin SOIC N T/R | In den Warenkorb | |
|
|
LT1495CS8 | Analog Devices | Operational Amplifiers - Op Amps | Op Amp Dual Precision Amplifier R-R I/O ±18V/36V 8-Pin SOIC N | In den Warenkorb | |
|
|
IS62WV10248DBLL-55TLI-TR | Integrated Silicon Solution Inc | SRAM Chip | SRAM Chip Async Single 2.5V/3.3V 8M-bit 1M x 8 55ns 44-Pin TSOP-II T/R | In den Warenkorb | |
|
|
LT1495CS8#TR | Analog Devices | Operational Amplifiers - Op Amps | Op Amp Dual Precision Amplifier R-R I/O ±18V/36V 8-Pin SOIC N T/R | In den Warenkorb | |
|
|
LT1495CS8#PBF | Analog Devices | Operational Amplifiers - Op Amps | Op Amp Dual Precision Amplifier R-R I/O ±18V/36V 8-Pin SOIC N Tube | In den Warenkorb | |
|
|
TPS78230DDCR | Texas Instruments | Linear Regulators | LDO Regulator Pos 3V 0.15A 5-Pin TSOT-23 T/R | In den Warenkorb | |
|
|
ATSAM4S16CA-AUR | Microchip Technology | Microcontrollers - MCUs | MCU 32-bit ARM Cortex M4 RISC 1MB Flash 1.2V/1.8V/2.5V/3.3V 100-Pin LQFP T/R | In den Warenkorb | |
|
|
ATSAM4S16CA-AU | Microchip Technology | Microcontrollers - MCUs | MCU 32-bit ARM Cortex M4 RISC 1MB Flash 1.2V/3.3V 100-Pin LQFP Tray | In den Warenkorb | |