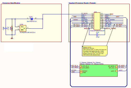
ATEtheRNET1-XPRO, Ethernet1 Xplained Pro is an Extension Board to the Atmel Xplained Pro evaluation platform

Referenzdesign unter Verwendung des Teils KSZ8851SNLI von Microchip Technology

Hersteller

Microchip Technology
  • Anwendungskategorie
    Drahtgebundene Kommunikation
  • Produkttyp
    Ethernet-Karte

Zugehörige Dokumente

Für Endprodukte

  • Building Automation
  • Industrial Communications
  • Networking

Beschreibung

  • ATEtheRNET1-XPRO, Ethernet1 Xplained Pro is an Extension Board to the Atmel Xplained Pro evaluation platform. The board enables the user to experiment with Ethernet network connectivity applications. The Ethernet1 Xplained Pro is a basic extension board for the Xplained Pro platform. The Ethernet is controlled via a SPI interface up to 40MHz for high throughput Ethernet applications. Ethernet1 Xplained Pro connects to any Xplained Pro standard extension header on any Xplained Pro MCU board

Haupteigenschaften

  • Ethernet Communication Standard
    10Base-T|100Base-T

Aktuelles über Elektronikkomponenten­

Wir haben unsere Datenschutzbestimmungen aktualisiert. Bitte nehmen Sie sich einen Moment Zeit, diese Änderungen zu überprüfen. Mit einem Klick auf "Ich stimme zu", stimmen Sie den Datenschutz- und Nutzungsbedingungen von Arrow Electronics zu.

Wir verwenden Cookies, um den Anwendernutzen zu vergrößern und unsere Webseite zu optimieren. Mehr über Cookies und wie man sie abschaltet finden Sie hier. Cookies und tracking Technologien können für Marketingzwecke verwendet werden.
Durch Klicken von „RICHTLINIEN AKZEPTIEREN“ stimmen Sie der Verwendung von Cookies auf Ihrem Endgerät und der Verwendung von tracking Technologien zu. Klicken Sie auf „MEHR INFORMATIONEN“ unten für mehr Informationen und Anleitungen wie man Cookies und tracking Technologien abschaltet. Das Akzeptieren von Cookies und tracking Technologien ist zwar freiwillig, das Blockieren kann aber eine korrekte Ausführung unserer Website verhindern, und bestimmte Werbung könnte für Sie weniger relevant sein.
Ihr Datenschutz ist uns wichtig. Lesen Sie mehr über unsere Datenschutzrichtlinien hier.