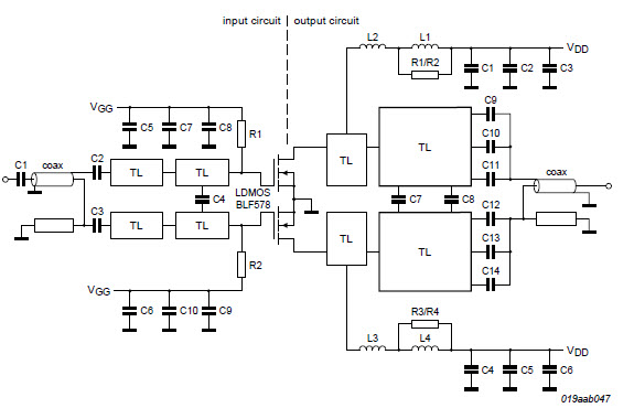
BLF578 demo for 352 MHz 1kW CW power Application Circuit

Referenzdesign unter Verwendung des Teils BLF578 von NXP Semiconductors

Hersteller

NXP Semiconductors
  • Anwendungskategorie
    Drahtlose Kommunikation
  • Produkttyp
    Hochfrequenz Verstärker

Für Endprodukte

  • Industrial
  • Medical and Healthcare

Beschreibung

  • BLF578 demo for 352 MHz 1kW CW power with an efficiency of approximately 70 %. This amplifier design can be used in synchrotron particle accelerators, but can also be used for other applications at this frequency

Haupteigenschaften

  • Operating Frequency
    352 MHz
  • Output Power
    1000 W
  • Gain
    1.5 dB

Aktuelles über Elektronikkomponenten­

Wir haben unsere Datenschutzbestimmungen aktualisiert. Bitte nehmen Sie sich einen Moment Zeit, diese Änderungen zu überprüfen. Mit einem Klick auf "Ich stimme zu", stimmen Sie den Datenschutz- und Nutzungsbedingungen von Arrow Electronics zu.

Wir verwenden Cookies, um den Anwendernutzen zu vergrößern und unsere Webseite zu optimieren. Mehr über Cookies und wie man sie abschaltet finden Sie hier. Cookies und tracking Technologien können für Marketingzwecke verwendet werden.
Durch Klicken von „RICHTLINIEN AKZEPTIEREN“ stimmen Sie der Verwendung von Cookies auf Ihrem Endgerät und der Verwendung von tracking Technologien zu. Klicken Sie auf „MEHR INFORMATIONEN“ unten für mehr Informationen und Anleitungen wie man Cookies und tracking Technologien abschaltet. Das Akzeptieren von Cookies und tracking Technologien ist zwar freiwillig, das Blockieren kann aber eine korrekte Ausführung unserer Website verhindern, und bestimmte Werbung könnte für Sie weniger relevant sein.
Ihr Datenschutz ist uns wichtig. Lesen Sie mehr über unsere Datenschutzrichtlinien hier.