BQ2000EVM, Evaluation Module for Battery Charge Management IC

Referenzdesign unter Verwendung des Teils bq2000PW von Texas Instruments

Hersteller

Texas Instruments
  • Anwendungskategorie
    Batteriemanagement
  • Produkttyp
    Akkuladegeräte

Zugehörige Dokumente

Für Endprodukte

  • Portable

Beschreibung

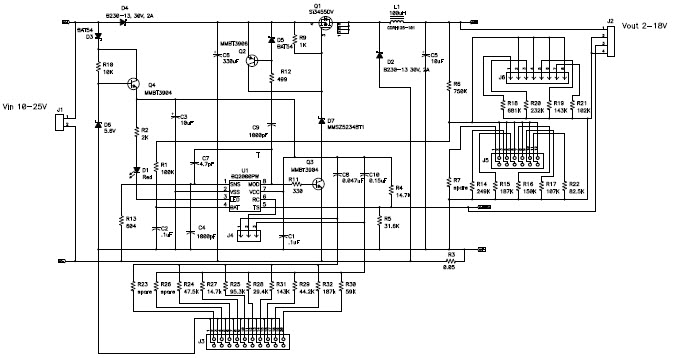
  • BQ2000EVM provides a convenient method for evaluating the performance of a charge management solution for portable applications using either the bq2000 or bq2000T. A complete and tested charger is presented. The charger is designed to deliver up to 1.0A of continuous output current. The DV2000S1 is shipped with a programmed default charging current of 1.0A. Refer to the bq2000/bq2000T data sheet (literature ID bq2000) prior to using this EVM for detailed information on the bq2000 or bq2000T device

Haupteigenschaften

  • Battery Type
    Nickel-Cadmium|Nickel-Metal Hydride
  • Input Voltage
    10 to 25 V
  • Output Voltage
    2 to 18 V
  • Number of Battery Cells
    10

Aktuelles über Elektronikkomponenten­

Wir haben unsere Datenschutzbestimmungen aktualisiert. Bitte nehmen Sie sich einen Moment Zeit, diese Änderungen zu überprüfen. Mit einem Klick auf "Ich stimme zu", stimmen Sie den Datenschutz- und Nutzungsbedingungen von Arrow Electronics zu.

Wir verwenden Cookies, um den Anwendernutzen zu vergrößern und unsere Webseite zu optimieren. Mehr über Cookies und wie man sie abschaltet finden Sie hier. Cookies und tracking Technologien können für Marketingzwecke verwendet werden.
Durch Klicken von „RICHTLINIEN AKZEPTIEREN“ stimmen Sie der Verwendung von Cookies auf Ihrem Endgerät und der Verwendung von tracking Technologien zu. Klicken Sie auf „MEHR INFORMATIONEN“ unten für mehr Informationen und Anleitungen wie man Cookies und tracking Technologien abschaltet. Das Akzeptieren von Cookies und tracking Technologien ist zwar freiwillig, das Blockieren kann aber eine korrekte Ausführung unserer Website verhindern, und bestimmte Werbung könnte für Sie weniger relevant sein.
Ihr Datenschutz ist uns wichtig. Lesen Sie mehr über unsere Datenschutzrichtlinien hier.