bq20z60EVM-001 SBS 1.1 Impedance Track Technology Enabled Battery Management Solution Evaluation Module
Referenzdesign unter Verwendung des Teils BQ20Z60DBT von Texas Instruments
Zugehörige Dokumente
Für Endprodukte
- Instrumentation and Measurement
- Laptop
- Notebook
- Test Equipment
Beschreibung
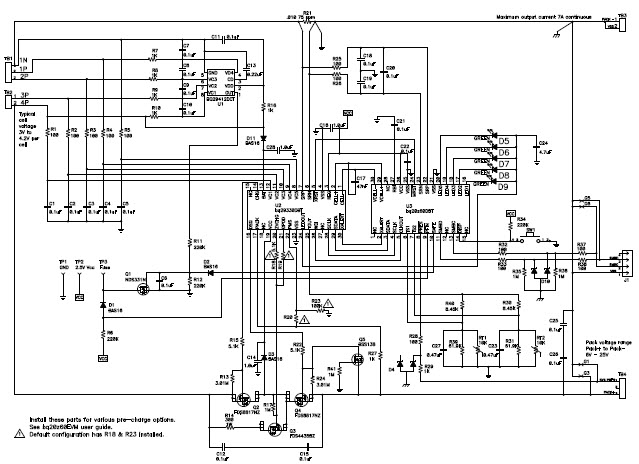
- Evaluation module (EVM) is a complete evaluation system for the bq20z60/bq29330/bq29412 battery management system. The EVM includes one bq20z60/bq29330/bq29412 circuit module, a current sense resistor, two thermistors, and Windows-based PC software
Haupteigenschaften
-
Battery TypeLithium-Ion|Lithium-Polymer
-
Input Voltage6 to 25 V
-
Output Voltage0 to 16.4 V
-
Number of Battery Cells2 to 4
Empfohlene Bauteile (14)
| Teilenummer | Hersteller | Typ | Beschreibung | |||
|---|---|---|---|---|---|---|
|
|
EVQ-PLHA15. | Panasonic Industry | Switch Tactile | Switch Tactile N.O. SPST Round Button J-Lead 0.02A 15VDC 1.6N SMD T/R | In den Warenkorb | |
|
|
BQ29412DCTR | Texas Instruments | Battery Management ICs | Battery Protection Li-Ion 2V 8-Pin SSOP T/R | In den Warenkorb | |
|
|
EVQ-PLHA15 | Panasonic Industry | Switch Tactile | Switch Tactile N.O. SPST Round Button J-Lead 0.02A 15VDC 1.6N SMD T/R | In den Warenkorb | |
|
|
BQ29330DBTR | Texas Instruments | Battery Management ICs | Battery Protection Li-Ion/Li-Pol 50mA 25V 30-Pin TSSOP T/R | In den Warenkorb | |
|
|
BQ29330DBTRG4 | Texas Instruments | Battery Management ICs | Battery Protection Li-Ion/Li-Pol 50mA 25V 30-Pin TSSOP T/R | In den Warenkorb | |
|
|
BQ29412DCT3R | Texas Instruments | Battery Management ICs | Battery Protection Li-Ion 2V 8-Pin SSOP T/R | In den Warenkorb | |
|
|
BQ29412DCTTG4 | Texas Instruments | Battery Management ICs | Battery Protection Li-Ion 2V 8-Pin SSOP T/R | In den Warenkorb | |
|
|
BQ29330DBTG4 | Texas Instruments | Battery Management ICs | Battery Protection Li-Ion/Li-Pol 50mA 25V 30-Pin TSSOP Tube | In den Warenkorb | |
|
|
BQ29330DBT | Texas Instruments | Battery Management ICs | Battery Protection Li-Ion/Li-Pol 50mA 25V 30-Pin TSSOP Tube | In den Warenkorb | |
|
|
BQ29412DCT3RE6 | Texas Instruments | Battery Management ICs | Battery Protection Li-Ion 2V 8-Pin SSOP T/R | In den Warenkorb | |
|
|
BQ29412DCTRG4 | Texas Instruments | Battery Management ICs | Battery Protection Li-Ion 2V 8-Pin SSOP T/R | In den Warenkorb | |
|
|
BQ29412DCTT | Texas Instruments | Battery Management ICs | Battery Protection Li-Ion 2V 8-Pin SSOP T/R | In den Warenkorb | |