BQ27505EVM, System-Side, Single-Cell Impedance Track Technology Evaluation Module
Referenzdesign unter Verwendung des Teils BQ27505YZG von Texas Instruments
Zugehörige Dokumente
Für Endprodukte
- Digital Still Camera (DSC)
- MP3 Player
- Personal Digital Assistant
- Portable Media Player
- Smart Phone
Beschreibung
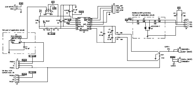
- BQ27505EVM, is a complete evaluation system for the bq27505. The EVM includes one bq27505 circuit module, a current sense resistor, one thermistor, an EV2300 PC interface board for gas gauge interface, a PC USB cable, and Windows-based PC software. The circuit module includes one bq27505 integrated circuit and all other on-board components necessary to monitor and predict capacity for a system-side fuel gauge solution. The circuit module connects directly across the battery pack. With the EV2300 interface board and software, the user can read the bq27505 data registers, program the chipset for different pack configurations, log cycling data for further evaluation, and evaluate the overall functionality of the bq27505 solution under different charge and discharge conditions
Haupteigenschaften
-
Battery TypeLithium-Ion
-
Input Voltage2.7 to 4.3 V
-
Output Voltage0 to 16.4 V
-
Number of Battery Cells1
Empfohlene Bauteile (11)
| Teilenummer | Hersteller | Typ | Beschreibung | |||
|---|---|---|---|---|---|---|
|
|
TPS71525DCKR | Texas Instruments | Linear Regulators | LDO Regulator Pos 2.5V 0.05A 5-Pin SC-70 T/R | In den Warenkorb | |
|
|
BQ27505YZGR-J4 | Texas Instruments | Battery Management ICs | Fuel Gauge Li-Ion/Li-Pol 12-Pin DSBGA T/R | In den Warenkorb | |
|
|
BQ27505YZGT-J2 | Texas Instruments | Battery Management ICs | Fuel Gauge Li-Ion/Li-Pol 12-Pin DSBGA T/R | In den Warenkorb | |
|
|
BQ27505YZGT-J5 | Texas Instruments | Battery Management ICs | Fuel Gauge Li-Ion/Li-Pol 12-Pin DSBGA T/R | In den Warenkorb | |
|
|
BQ27505YZGR-J2 | Texas Instruments | Battery Management ICs | Fuel Gauge Li-Ion/Li-Pol 12-Pin DSBGA T/R | In den Warenkorb | |
|
|
BQ27505YZGT-J1 | Texas Instruments | Battery Management ICs | Fuel Gauge Li-Ion/Li-Pol 12-Pin DSBGA T/R | In den Warenkorb | |
|
|
BQ27505YZGT-J4 | Texas Instruments | Battery Management ICs | Fuel Gauge Li-Ion/Li-Pol 12-Pin DSBGA T/R | In den Warenkorb | |
|
|
BQ27505YZGR-J1 | Texas Instruments | Battery Management ICs | Fuel Gauge Li-Ion/Li-Pol 12-Pin DSBGA T/R | In den Warenkorb | |
|
|
BQ27505YZGR-J3 | Texas Instruments | Battery Management ICs | Fuel Gauge Li-Ion/Li-Pol 12-Pin DSBGA T/R | In den Warenkorb | |
|
|
BQ27505YZGR-J5 | Texas Instruments | Battery Management ICs | Fuel Gauge Li-Ion/Li-Pol 12-Pin DSBGA T/R | In den Warenkorb | |
|
|
BQ27505YZGT-J3 | Texas Instruments | Battery Management ICs | Fuel Gauge Li-Ion/Li-Pol 12-Pin DSBGA T/R | In den Warenkorb | |