CC1020EMX_REFDES, CC1020EMX Reference Design for CC1020 433-MHZ RF Transceiver

Referenzdesign unter Verwendung des Teils CC1020 von Texas Instruments

Hersteller

Texas Instruments
  • Anwendungskategorie
    Drahtlose Kommunikation
  • Produkttyp
    Hochfrequenz Transceiver

Zugehörige Dokumente

Für Endprodukte

  • Wireless LAN

Beschreibung

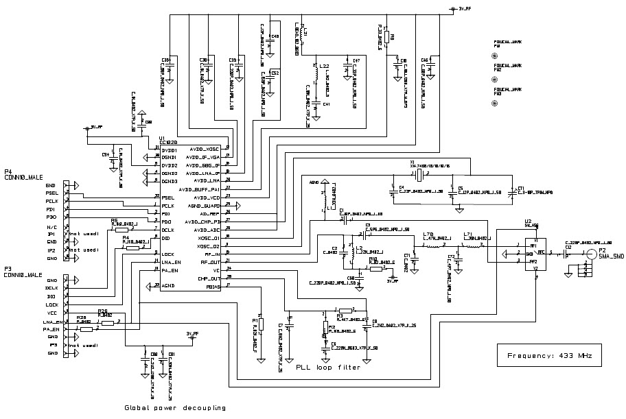
  • CC1020EMX_REFDES, CC1020EMX Reference Design for CC1020 433-MHZ RF Transceiver. The CC1020EMX is designed for easy connection to most MCU evaluation modules for quick and easy application development and testing. The reference design demonstrates good techniques for CC1020 decoupling and RF layout. for optimum RF performance, these parts should be copied accurately. This is a 2-layer reference design with a discrete impedance match network for a single ended 50 ohm SMA antenna connector and an external antenna switch that is used to achieve optimum RF sensitivity. The design contains two different part lists for operation in either the 433 MHz or 868 MHz frequency band

Haupteigenschaften

  • Communication Standard
    RX/TX
  • Operating Frequency
    433 MHz

Aktuelles über Elektronikkomponenten­

Wir haben unsere Datenschutzbestimmungen aktualisiert. Bitte nehmen Sie sich einen Moment Zeit, diese Änderungen zu überprüfen. Mit einem Klick auf "Ich stimme zu", stimmen Sie den Datenschutz- und Nutzungsbedingungen von Arrow Electronics zu.

Wir verwenden Cookies, um den Anwendernutzen zu vergrößern und unsere Webseite zu optimieren. Mehr über Cookies und wie man sie abschaltet finden Sie hier. Cookies und tracking Technologien können für Marketingzwecke verwendet werden.
Durch Klicken von „RICHTLINIEN AKZEPTIEREN“ stimmen Sie der Verwendung von Cookies auf Ihrem Endgerät und der Verwendung von tracking Technologien zu. Klicken Sie auf „MEHR INFORMATIONEN“ unten für mehr Informationen und Anleitungen wie man Cookies und tracking Technologien abschaltet. Das Akzeptieren von Cookies und tracking Technologien ist zwar freiwillig, das Blockieren kann aber eine korrekte Ausführung unserer Website verhindern, und bestimmte Werbung könnte für Sie weniger relevant sein.
Ihr Datenschutz ist uns wichtig. Lesen Sie mehr über unsere Datenschutzrichtlinien hier.