CC2420DB_REFDES, CC2420DB Reference Design for the CC2420 RF Transceiver
Referenzdesign unter Verwendung des Teils CC2420 von Texas Instruments
Zugehörige Dokumente
Für Endprodukte
- Building Management
- Computers and Peripherals
- Consumer Electronics
- Home Appliances
- Industrial Control
- Wireless
- Wireless Sensor
Beschreibung
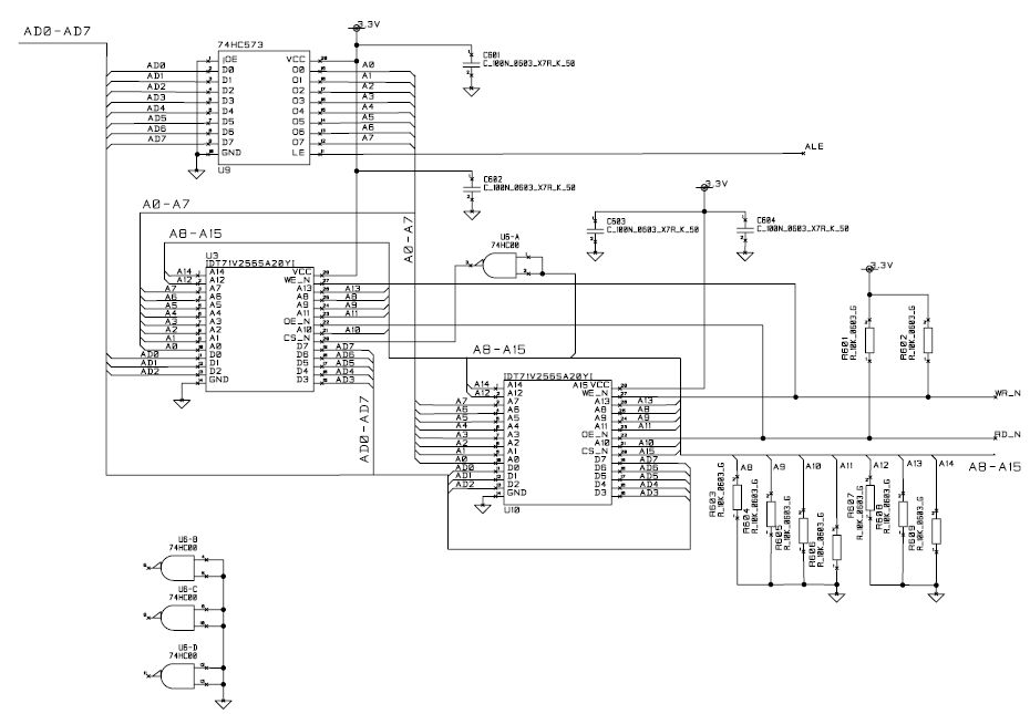
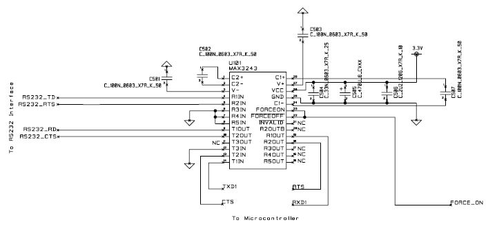
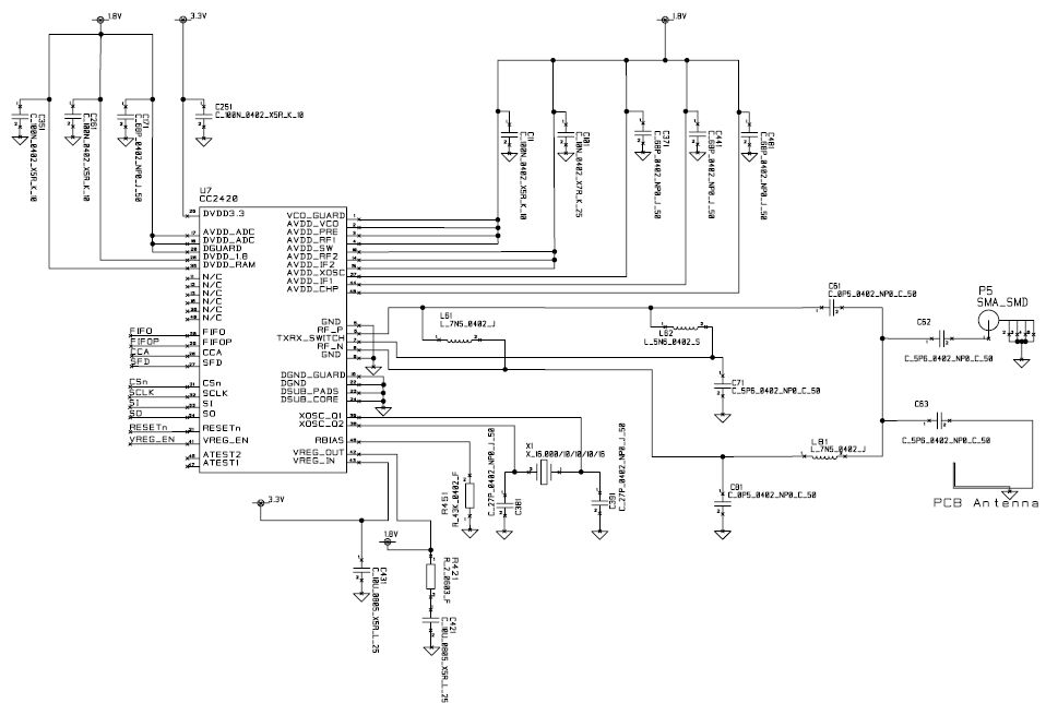
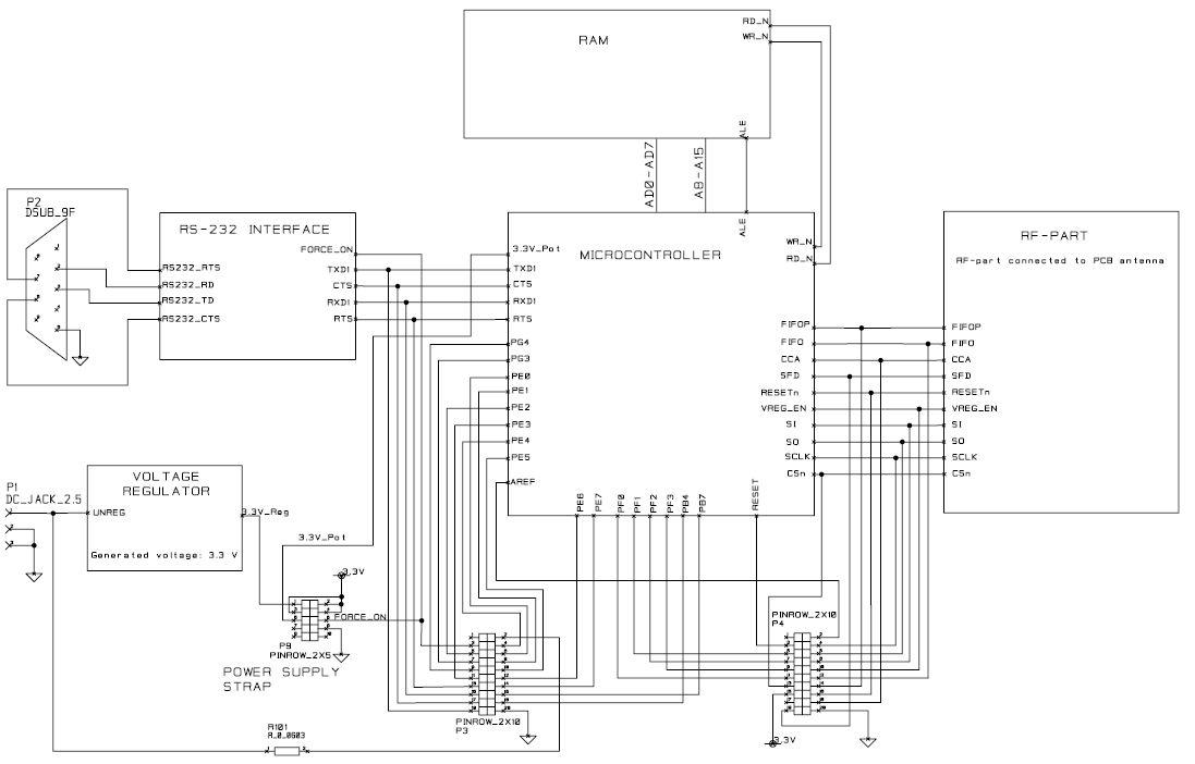
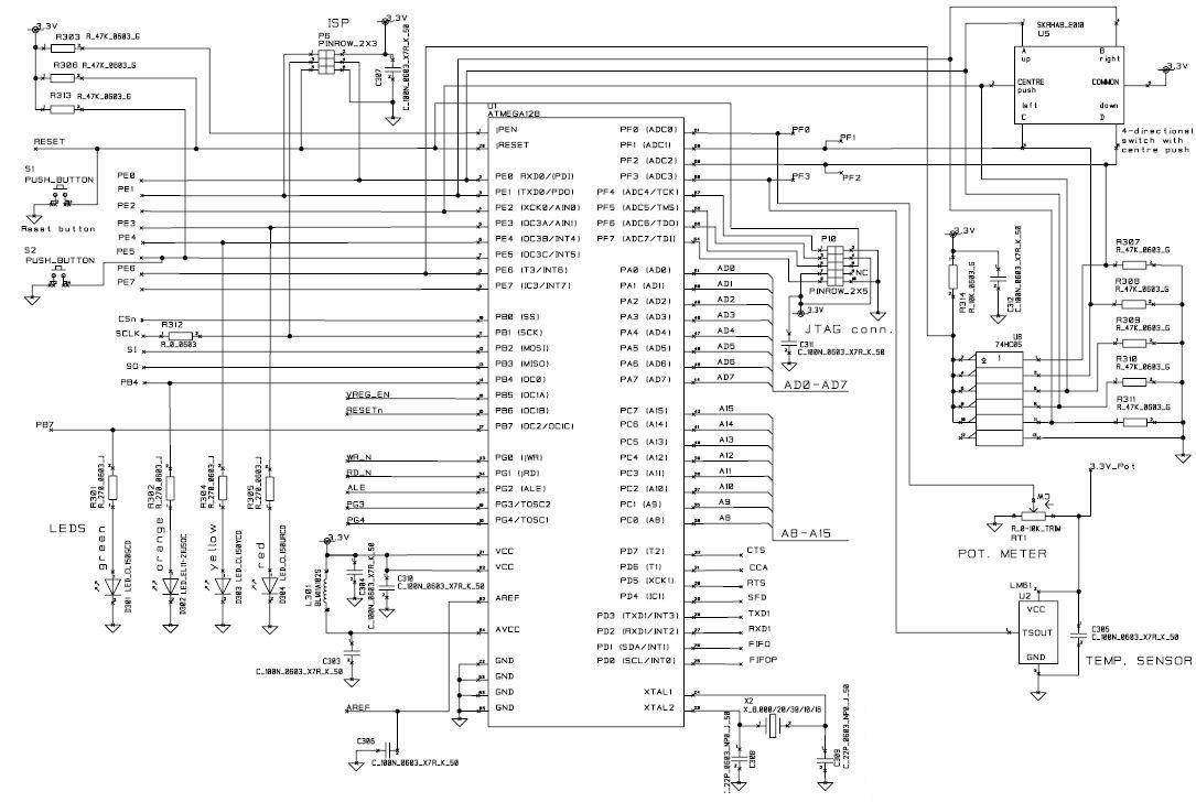
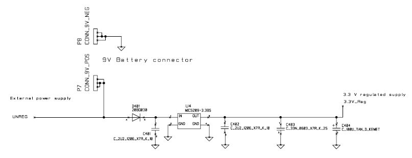
- CC2420DB_REFDES, CC2420DB Reference Design contains schematics and layout files for the CC2420DB module used in development kits. The reference design demonstrates good techniques for CC2420 decoupling and RF layout. for optimum RF performance, the reference design should be copied accurately. This is a 4-layer reference design with a discrete balun and an inverted F PCB antenna. In addition to the RF part, this design contains a DB-9 serial port and a number of IO units. Most of the CC2420 application examples are using this HW platform
Haupteigenschaften
-
Communication StandardRX/TX
Empfohlene Bauteile (22)
| Teilenummer | Hersteller | Typ | Beschreibung | |||
|---|---|---|---|---|---|---|
|
|
MAX3243CAI+ | Analog Devices | Bus Line Transceivers | Triple Transmitter Quint Receiver RS-232 28-Pin SSOP Tube | In den Warenkorb | |
|
|
MAX3243CWI+T | Analog Devices | Bus Line Transceivers | Triple Transmitter Quint Receiver RS-232 28-Pin SOIC W T/R | In den Warenkorb | |
|
|
MAX3243CAI+T | Analog Devices | Bus Line Transceivers | Triple Transmitter Quint Receiver RS-232 28-Pin SSOP T/R | In den Warenkorb | |
|
|
74HC573D,653 | Nexperia | Latches | Latch Transparent 3-ST 8-CH D-Type 20-Pin SO T/R | In den Warenkorb | |
|
|
ATMEGA1281-16AU | Microchip Technology | Microcontrollers - MCUs | MCU 8-bit AVR RISC 128KB Flash 3.3V/5V 64-Pin TQFP Tray | In den Warenkorb | |
|
|
MAX3243CAI+ | Analog Devices | Bus Line Transceivers | Triple Transmitter Quint Receiver RS-232 28-Pin SSOP Tube | In den Warenkorb | |
|
|
ATMEGA1281-16AUR | Microchip Technology | Microcontrollers - MCUs | MCU 8-bit AVR RISC 128KB Flash 3.3V/5V 64-Pin TQFP T/R | In den Warenkorb | |
|
|
MAX3243CUI+ | Analog Devices | Bus Line Transceivers | Triple Transmitter Quint Receiver RS-232 28-Pin TSSOP Tube | In den Warenkorb | |
|
|
MAX3243CAI+T | Analog Devices | Bus Line Transceivers | Triple Transmitter Quint Receiver RS-232 28-Pin SSOP T/R | In den Warenkorb | |
|
|
ATMEGA1281-16AU-T | Microchip Technology | Microcontrollers - MCUs | MCU 8-bit AVR RISC 128KB Flash 3.3V/5V 64-Pin TQFP T/R | In den Warenkorb | |
|
|
ATMEGA1281-16MU | Microchip Technology | Microcontrollers - MCUs | MCU 8-bit AVR RISC 128KB Flash 3.3V/5V 64-Pin VQFN EP Tray | In den Warenkorb | |
|
|
MAX3243CWI+ | Analog Devices | Bus Line Transceivers | Triple Transmitter Quint Receiver RS-232 28-Pin SOIC W Tube | In den Warenkorb | |