CC2430BALUN_REFDES, CC2430 Anaren Balun Reference Design for CC2430 System-on-Chip Solution for 2.4 GHz IEEE 802.15.4/ZigBee

Referenzdesign unter Verwendung des Teils CC2430F von Texas Instruments

Hersteller

Texas Instruments
  • Anwendungskategorie
    Drahtlose Kommunikation
  • Produkttyp
    Drahtlos Systeme

Für Endprodukte

  • Wireless

Beschreibung

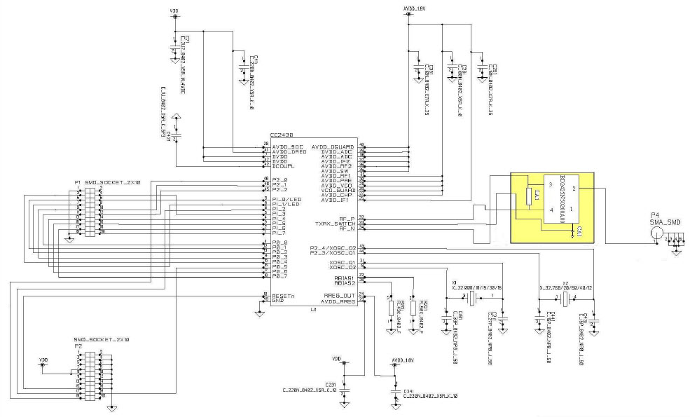
  • CC2430BALUN_REFDES, Anaren Balun Optimized for CC2430 Reference Design contains schematics and layout files for a module which has compatible pinout with the CC2430EM used in development kits. This reference design demonstrates how a chip balun can be implemented with CC2430 to make a compact design. This is a 2 layer reference design with a chip balun and SMA antenna connector designed for a single ended 50-ohm antenna

Aktuelles über Elektronikkomponenten­

Wir haben unsere Datenschutzbestimmungen aktualisiert. Bitte nehmen Sie sich einen Moment Zeit, diese Änderungen zu überprüfen. Mit einem Klick auf "Ich stimme zu", stimmen Sie den Datenschutz- und Nutzungsbedingungen von Arrow Electronics zu.

Wir verwenden Cookies, um den Anwendernutzen zu vergrößern und unsere Webseite zu optimieren. Mehr über Cookies und wie man sie abschaltet finden Sie hier. Cookies und tracking Technologien können für Marketingzwecke verwendet werden.
Durch Klicken von „RICHTLINIEN AKZEPTIEREN“ stimmen Sie der Verwendung von Cookies auf Ihrem Endgerät und der Verwendung von tracking Technologien zu. Klicken Sie auf „MEHR INFORMATIONEN“ unten für mehr Informationen und Anleitungen wie man Cookies und tracking Technologien abschaltet. Das Akzeptieren von Cookies und tracking Technologien ist zwar freiwillig, das Blockieren kann aber eine korrekte Ausführung unserer Website verhindern, und bestimmte Werbung könnte für Sie weniger relevant sein.
Ihr Datenschutz ist uns wichtig. Lesen Sie mehr über unsere Datenschutzrichtlinien hier.