CC3000BOOST-RD, SimpleLink Wi-Fi CC3000 Booster pack Reference Design

Referenzdesign unter Verwendung des Teils CC3000MOD von Texas Instruments

Hersteller

Texas Instruments
  • Anwendungskategorie
    Drahtlose Kommunikation
  • Produkttyp
    Drahtlos Systeme

Für Endprodukte

  • Home Connectivity
  • Home Entertainment
  • Security System

Beschreibung

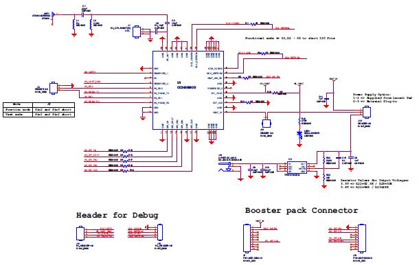
  • CC3000BOOST-RD, SimpleLink Wi-Fi CC3000 Booster pack Reference Design, featuring easy-to-use CC3000 SimpleLink Wi-Fi solution, was designed to enable Internet of Things (IoT) applications when paired with any Microcontroller Unit (MCU) LaunchPad Evaluation Kit, including MSP430 and Tiva C Series LaunchPads. BoosterPack reference solution is FCC/IC/CE/TELEC certified so you can easily add Wi-Fi into your MCU design

Aktuelles über Elektronikkomponenten­

Wir haben unsere Datenschutzbestimmungen aktualisiert. Bitte nehmen Sie sich einen Moment Zeit, diese Änderungen zu überprüfen. Mit einem Klick auf "Ich stimme zu", stimmen Sie den Datenschutz- und Nutzungsbedingungen von Arrow Electronics zu.

Wir verwenden Cookies, um den Anwendernutzen zu vergrößern und unsere Webseite zu optimieren. Mehr über Cookies und wie man sie abschaltet finden Sie hier. Cookies und tracking Technologien können für Marketingzwecke verwendet werden.
Durch Klicken von „RICHTLINIEN AKZEPTIEREN“ stimmen Sie der Verwendung von Cookies auf Ihrem Endgerät und der Verwendung von tracking Technologien zu. Klicken Sie auf „MEHR INFORMATIONEN“ unten für mehr Informationen und Anleitungen wie man Cookies und tracking Technologien abschaltet. Das Akzeptieren von Cookies und tracking Technologien ist zwar freiwillig, das Blockieren kann aber eine korrekte Ausführung unserer Website verhindern, und bestimmte Werbung könnte für Sie weniger relevant sein.
Ihr Datenschutz ist uns wichtig. Lesen Sie mehr über unsere Datenschutzrichtlinien hier.