DC to DC Single Output Power Supply for Portable Consumer Electronics

Referenzdesign unter Verwendung des Teils MIC5330-1.8/1.5YML von Microchip Technology

Hersteller

Microchip Technology
  • Anwendungskategorie
    Spannungsversorgungen
  • Produkttyp
    Mehrfach Gleichspannungs Netzteil

Für Endprodukte

  • Cellular Phone
  • Digital Still Camera (DSC)
  • GPS
  • Personal Digital Assistant
  • Portable Consumer Electronics
  • Portable Media Player
  • Smart Phone
  • Video Camera

Beschreibung

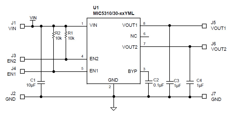
  • MIC5330 is tiny dual output, ultra low dropout linear regulators. MIC5330 provides two high performance 300mA LDOs

Haupteigenschaften

  • Conversion Type
    DC to DC
  • Input Voltage
    2.3 to 5.5 V
  • Output Current
    0.3 A

Aktuelles über Elektronikkomponenten­

Wir haben unsere Datenschutzbestimmungen aktualisiert. Bitte nehmen Sie sich einen Moment Zeit, diese Änderungen zu überprüfen. Mit einem Klick auf "Ich stimme zu", stimmen Sie den Datenschutz- und Nutzungsbedingungen von Arrow Electronics zu.

Wir verwenden Cookies, um den Anwendernutzen zu vergrößern und unsere Webseite zu optimieren. Mehr über Cookies und wie man sie abschaltet finden Sie hier. Cookies und tracking Technologien können für Marketingzwecke verwendet werden.
Durch Klicken von „RICHTLINIEN AKZEPTIEREN“ stimmen Sie der Verwendung von Cookies auf Ihrem Endgerät und der Verwendung von tracking Technologien zu. Klicken Sie auf „MEHR INFORMATIONEN“ unten für mehr Informationen und Anleitungen wie man Cookies und tracking Technologien abschaltet. Das Akzeptieren von Cookies und tracking Technologien ist zwar freiwillig, das Blockieren kann aber eine korrekte Ausführung unserer Website verhindern, und bestimmte Werbung könnte für Sie weniger relevant sein.
Ihr Datenschutz ist uns wichtig. Lesen Sie mehr über unsere Datenschutzrichtlinien hier.