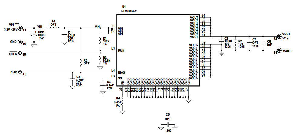
DC1559A, Demo Board features the LTM8046, 2kVAC Isolated Flyback Module Converter, 3.2V = VIN = 26V, Vout = 5V at Up to 550mA

Referenzdesign unter Verwendung des Teils LTM8046EY#PBF von Analog Devices

Hersteller

Analog Devices
  • Anwendungskategorie
    Spannungsversorgungen
  • Produkttyp
    Einzelausgangs Gleichspannungs Netzteil

Zugehörige Dokumente

Für Endprodukte

  • Industrial Ethernet Switch
  • Industrial Sensor

Beschreibung

  • DC1559A, Demo Board 1559A features the LTM8046, 2kVAC, 2.5W isolated flyback Module converter. The demo circuit is designed for a 5V output from a 3.2V to 26V input. The typical current capability of the 5V output varies with input voltage from about 150mA at VIN = 4V to about 550mA at VIN = 26V. R2 provides the necessary minimum load current to keep the VOUT in regulation throughout the entire input voltage range

Haupteigenschaften

  • Conversion Type
    DC to DC
  • Input Voltage
    3.2 to 26 V
  • Output Voltage
    4.75 to 5.25 V
  • Output Current
    0.55 A
  • Output Power
    2.5 W
  • Topology
    Flyback

Aktuelles über Elektronikkomponenten­

Wir haben unsere Datenschutzbestimmungen aktualisiert. Bitte nehmen Sie sich einen Moment Zeit, diese Änderungen zu überprüfen. Mit einem Klick auf "Ich stimme zu", stimmen Sie den Datenschutz- und Nutzungsbedingungen von Arrow Electronics zu.

Wir verwenden Cookies, um den Anwendernutzen zu vergrößern und unsere Webseite zu optimieren. Mehr über Cookies und wie man sie abschaltet finden Sie hier. Cookies und tracking Technologien können für Marketingzwecke verwendet werden.
Durch Klicken von „RICHTLINIEN AKZEPTIEREN“ stimmen Sie der Verwendung von Cookies auf Ihrem Endgerät und der Verwendung von tracking Technologien zu. Klicken Sie auf „MEHR INFORMATIONEN“ unten für mehr Informationen und Anleitungen wie man Cookies und tracking Technologien abschaltet. Das Akzeptieren von Cookies und tracking Technologien ist zwar freiwillig, das Blockieren kann aber eine korrekte Ausführung unserer Website verhindern, und bestimmte Werbung könnte für Sie weniger relevant sein.
Ihr Datenschutz ist uns wichtig. Lesen Sie mehr über unsere Datenschutzrichtlinien hier.