DC1600A, Demo Board for the LTC6412, LTC2261-14 10MHz to 800MHz, 31dB Range Analog Controlled VGA
Referenzdesign unter Verwendung des Teils LTC2261CUJ-14 von Analog Devices
Zugehörige Dokumente
Für Endprodukte
- Cell Basestation
- Data Acquisition System
- Medical Imaging
- Software Defined Radio
Beschreibung
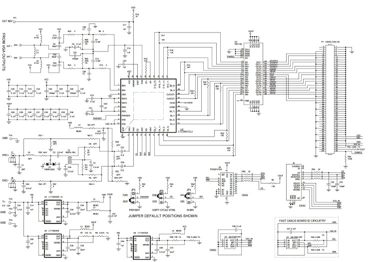
- DC1600A, Demo Board for the LTC6412, LTC2261-14 10MHz to 800MHz, 31dB Range Analog Controlled VGA. the demonstration circuit DC1600A supports the LTC6412 Analog-Controlled VGA driving family of 1.8V,14/12 Bit, 80-125Msps ADC's. The 1600A derives from demonstration circuits 1369A and 1464A by combining the VGA and ADC functions with a suitable matching and anti-aliasing interface circuit to form a fully functional direct-to-digital IF receiver
Haupteigenschaften
-
Input Voltage1.8
-
ADC TypeSingle Pipelined 125 MSPS, 14-Bit ADC
Empfohlene Bauteile (33)
| Teilenummer | Hersteller | Typ | Beschreibung | |||
|---|---|---|---|---|---|---|
|
|
LT1763CDE-5 | Analog Devices | Linear Regulators | LDO Regulator Pos 5V 0.5A 12-Pin DFN EP | In den Warenkorb | |
|
|
LT1763CDE-3 | Analog Devices | Linear Regulators | LDO Regulator Pos 3V 0.5A 12-Pin DFN EP | In den Warenkorb | |
|
|
LT1763CDE-2.5 | Analog Devices | Linear Regulators | LDO Regulator Pos 2.5V 0.5A 12-Pin DFN EP | In den Warenkorb | |
|
|
LT1763CDE-5#TRPBF | Analog Devices | Linear Regulators | LDO Regulator Pos 5V 0.5A 12-Pin DFN EP T/R | In den Warenkorb | |
|
|
LT1763CDE-3#PBF | Analog Devices | Linear Regulators | LDO Regulator Pos 3V 0.5A 12-Pin DFN EP Tube | In den Warenkorb | |
|
|
24LC025-I/ST | Microchip Technology | EEPROM | EEPROM Serial-I2C 2K-bit 256 x 8 3.3V/5V 8-Pin TSSOP Tube | In den Warenkorb | |
|
|
LT1763CDE-1.5 | Analog Devices | Linear Regulators | LDO Regulator Pos 1.5V 0.5A 12-Pin DFN EP | In den Warenkorb | |
|
|
LT1763CDE#TR | Analog Devices | Linear Regulators | LDO Regulator Pos 1.22V to 20V 0.5A 12-Pin DFN EP T/R | In den Warenkorb | |
|
|
FIN1108MTDX | onsemi | LVDS | Repeater 3.3V 48-Pin TSSOP W T/R | In den Warenkorb | |
|
|
LT1763CDE-3.3#TR | Analog Devices | Linear Regulators | LDO Regulator Pos 3.3V 0.5A 12-Pin DFN EP T/R | In den Warenkorb | |
|
|
LT1763CDE-3.3#PBF | Analog Devices | Linear Regulators | LDO Regulator Pos 3.3V 0.5A 12-Pin DFN EP Tube | In den Warenkorb | |
|
|
LT1763CDE-3#TRPBF | Analog Devices | Linear Regulators | LDO Regulator Pos 3V 0.5A 12-Pin DFN EP T/R | In den Warenkorb | |