DC1843B, Demo Kit with DC1842B and DC1680B for LTC4290B and LTC4271 8-Port PSE with Digital Isolation

Referenzdesign unter Verwendung des Teils LTC4271IUF#PBF von Analog Devices

Hersteller

Analog Devices
  • Anwendungskategorie
    Spannungsversorgungen
  • Produkttyp
    Mehrfach Gleichspannungs Netzteil

Für Endprodukte

  • PoE Power Supply

Beschreibung

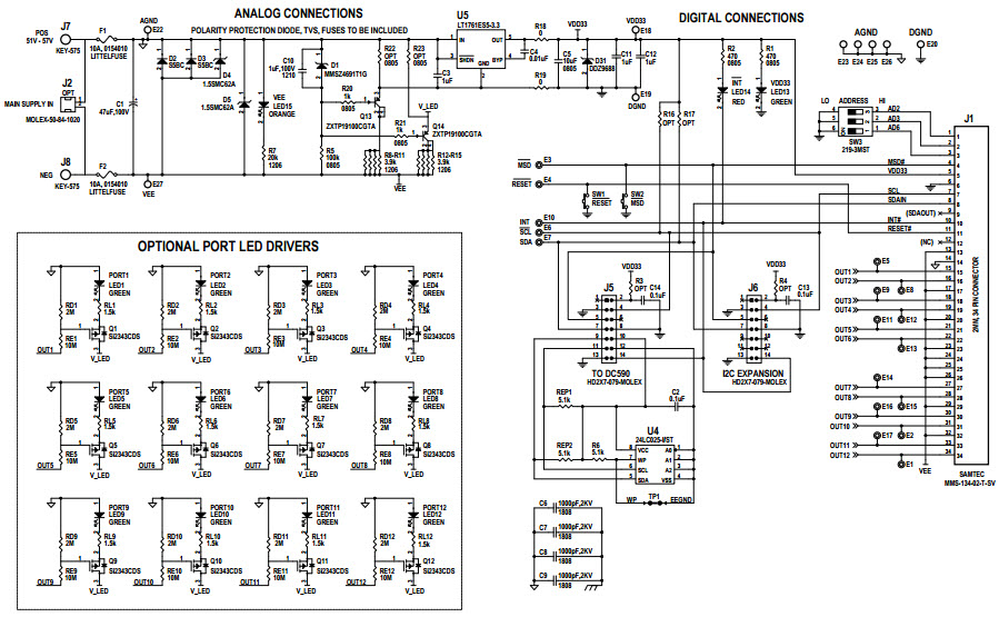
  • DC1843B, (DC1680 + DC1842) Demo Kit for LTC4290B and LTC4271 8-Port, 25.5W POE Controller. The Demonstration kit DC1843B is an 8-port IEEE 802.3at Type 2 power sourcing equipment (PSE) composed of a DC1842B daughter card and DC1680B motherboard. The kit is used for evaluation of the LTC4290B and LTC4271 PSE chipset. Up to 8 powered devices (PDs) can be connected and powered from this system using a single power supply

Haupteigenschaften

  • Conversion Type
    DC to DC
  • Topology
    PoE

Aktuelles über Elektronikkomponenten­

Wir haben unsere Datenschutzbestimmungen aktualisiert. Bitte nehmen Sie sich einen Moment Zeit, diese Änderungen zu überprüfen. Mit einem Klick auf "Ich stimme zu", stimmen Sie den Datenschutz- und Nutzungsbedingungen von Arrow Electronics zu.

Wir verwenden Cookies, um den Anwendernutzen zu vergrößern und unsere Webseite zu optimieren. Mehr über Cookies und wie man sie abschaltet finden Sie hier. Cookies und tracking Technologien können für Marketingzwecke verwendet werden.
Durch Klicken von „RICHTLINIEN AKZEPTIEREN“ stimmen Sie der Verwendung von Cookies auf Ihrem Endgerät und der Verwendung von tracking Technologien zu. Klicken Sie auf „MEHR INFORMATIONEN“ unten für mehr Informationen und Anleitungen wie man Cookies und tracking Technologien abschaltet. Das Akzeptieren von Cookies und tracking Technologien ist zwar freiwillig, das Blockieren kann aber eine korrekte Ausführung unserer Website verhindern, und bestimmte Werbung könnte für Sie weniger relevant sein.
Ihr Datenschutz ist uns wichtig. Lesen Sie mehr über unsere Datenschutzrichtlinien hier.