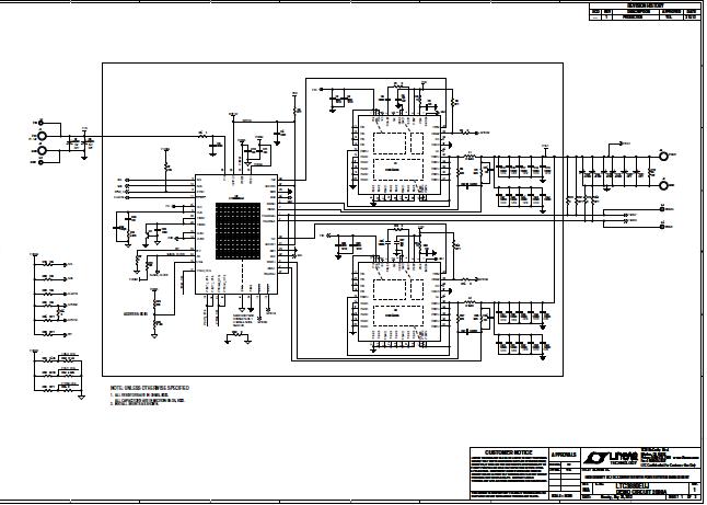
DC2088A, Demo Board featuring High Density LTC3880 Step-Down DC/DC Converter with Power System Management 7V = VIN = 14V, VOUT Range: 0.8V to 1.8V @ Up to 50A

Referenzdesign unter Verwendung des Teils LTC3880EUJ#PBF von Analog Devices

Hersteller

Analog Devices
  • Anwendungskategorie
    Spannungsversorgungen
  • Produkttyp
    Einzelausgangs Gleichspannungs Netzteil

Zugehörige Dokumente

Für Endprodukte

  • Backplane Distributed Power
  • RAID Data Storage System
  • Telecom Infrastructure

Beschreibung

  • DC2088A, Demo Board featuring High Density LTC3880 Step-Down DC/DC Converter with Power System Management. The layout of DC2088A is very compact and the total solutions within a 1.0 + 1.0 area. The DrMOS is used on the board for high current, high efficiency. The input range of this board is from 7V to 14V, and the output voltage can be programmed from 0.8V to 1.8V, with an output current up to 50A. The factory default setting for the output is 1.0V

Haupteigenschaften

  • Conversion Type
    DC to DC
  • Input Voltage
    7 to 14 V
  • Output Voltage
    0.8 to 1.8 V
  • Output Current
    50 A
  • Efficiency
    87.8 %
  • Topology
    Buck

Aktuelles über Elektronikkomponenten­

Wir haben unsere Datenschutzbestimmungen aktualisiert. Bitte nehmen Sie sich einen Moment Zeit, diese Änderungen zu überprüfen. Mit einem Klick auf "Ich stimme zu", stimmen Sie den Datenschutz- und Nutzungsbedingungen von Arrow Electronics zu.

Wir verwenden Cookies, um den Anwendernutzen zu vergrößern und unsere Webseite zu optimieren. Mehr über Cookies und wie man sie abschaltet finden Sie hier. Cookies und tracking Technologien können für Marketingzwecke verwendet werden.
Durch Klicken von „RICHTLINIEN AKZEPTIEREN“ stimmen Sie der Verwendung von Cookies auf Ihrem Endgerät und der Verwendung von tracking Technologien zu. Klicken Sie auf „MEHR INFORMATIONEN“ unten für mehr Informationen und Anleitungen wie man Cookies und tracking Technologien abschaltet. Das Akzeptieren von Cookies und tracking Technologien ist zwar freiwillig, das Blockieren kann aber eine korrekte Ausführung unserer Website verhindern, und bestimmte Werbung könnte für Sie weniger relevant sein.
Ihr Datenschutz ist uns wichtig. Lesen Sie mehr über unsere Datenschutzrichtlinien hier.