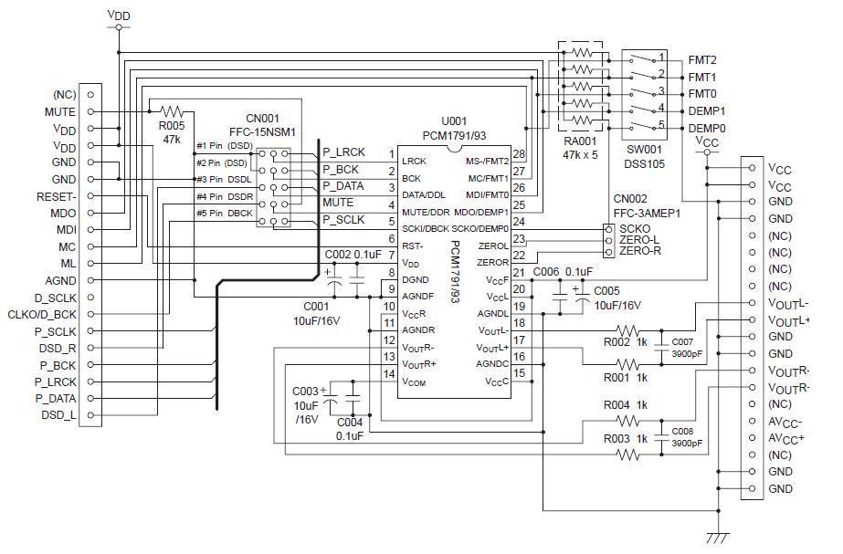
DEM-DSD1791 is an evaluation module for 192-kHz,24-bit stereo differential voltage output DAC DSD1791 family
Referenzdesign unter Verwendung des Teils DSD1793 von Texas Instruments
Zugehörige Dokumente
Für Endprodukte
- Audio
- AV Receiver
- Car Audio
Beschreibung
- DEM-DSD1791 is an evaluation module for 192-kHz,24-bit stereo differential voltage output DAC DSD1791 family
Haupteigenschaften
-
DAC Resolution24 Bit
-
DAC Sampling Rate192K SPS
-
Number of Channels2CH
Empfohlene Bauteile (20)
| Teilenummer | Hersteller | Typ | Beschreibung | |||
|---|---|---|---|---|---|---|
|
|
REG1117-3.3/2K5G4 | Texas Instruments | Linear Regulators | LDO Regulator Pos 3.3V 0.8A 4-Pin(3+Tab) SOT-223 T/R | In den Warenkorb | |
|
|
TC74VHC14F | Toshiba | Inverters and Schmitt Triggers | Inverter Schmitt Trigger 6-Element CMOS 14-Pin SOP Tube | In den Warenkorb | |
|
|
TC74VHC244F(EL,K,F)" | Toshiba | Buffers and Line Drivers | Buffer/Line Driver 8-CH Non-Inverting 3-ST CMOS 20-Pin SOP T/R | In den Warenkorb | |
|
|
REG1117-3.3G4 | Texas Instruments | Linear Regulators | LDO Regulator Pos 3.3V 0.8A 4-Pin(3+Tab) SOT-223 Tube | In den Warenkorb | |
|
|
TC74VHC244F | Toshiba | Buffers and Line Drivers | Buffer/Line Driver 8-CH Non-Inverting 3-ST CMOS 20-Pin SOP T/R | In den Warenkorb | |
|
|
REG1117-3.3 | Texas Instruments | Linear Regulators | LDO Regulator Pos 3.3V 0.8A 4-Pin(3+Tab) SOT-223 Tube | In den Warenkorb | |
|
|
TC74VHC14FK(EL,K) | Toshiba | Inverters and Schmitt Triggers | Inverter Schmitt Trigger 6-Element CMOS 14-Pin VSSOP T/R | In den Warenkorb | |
|
|
TC74VHC14FT(TBEL,K | Toshiba | Inverters and Schmitt Triggers | Inverter Schmitt Trigger 6-Element CMOS 14-Pin TSSOP-B | In den Warenkorb | |
|
|
FT1D-2M-Z | NIDEC COMPONENTS CORPORATION | Switch Toggle | Switch Toggle ON ON SPDT Round Lever PC Pins 28VDC 0.4VA PC Mount Pack | In den Warenkorb | |
|
|
REG1117-3.3/2K5G4 | Texas Instruments | Linear Regulators | LDO Regulator Pos 3.3V 0.8A 4-Pin(3+Tab) SOT-223 T/R | In den Warenkorb | |
|
|
TC74VHC14F(K,F) | Toshiba | Inverters and Schmitt Triggers | Inverter Schmitt Trigger 6-Element CMOS 14-Pin SOP Tube | In den Warenkorb | |
|
|
TC74VHC14F(EL,K,F) | Toshiba | Inverters and Schmitt Triggers | Inverter Schmitt Trigger 6-Element CMOS 14-Pin SOP T/R | In den Warenkorb | |