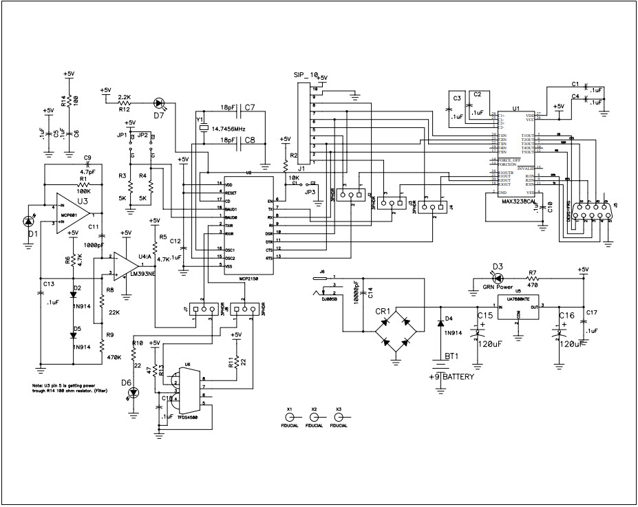
DM163008, MCP2120/MCP2150 Infrared Developer Kit
Referenzdesign unter Verwendung des Teils MCP2120 von Microchip Technology
Für Endprodukte
- Distributed Computing Environment (DCE)
Beschreibung
- DM163008, MCP2120/2150 Infrared Developer Kit includes everything needed to create a system that communicates using infrared. The kit contains two MCP2120 developer boards enabling a complete system (transmitter and receiver) to be implemented, and a MCP2150 developer board that can be used to set up a system to communicate with other IrDA enabled devices. The MCP2150 developer board can easily be modified to assist in developing DCE applications with the MCP2155
Empfohlene Bauteile (64)
| Teilenummer | Hersteller | Typ | Beschreibung | |||
|---|---|---|---|---|---|---|
|
|
MAX232CPE+ | Analog Devices | Bus Line Transceivers | Dual Transmitter/Receiver RS-232 16-Pin PDIP N Tube | In den Warenkorb | |
|
|
5962-8987701EA | Analog Devices | Bus Line Transceivers | Dual Transmitter/Receiver RS-232 16-Pin CDIP N | In den Warenkorb | |
|
|
MAX232CSE+ | Analog Devices | Bus Line Transceivers | Dual Transmitter/Receiver RS-232 16-Pin SOIC N Tube | In den Warenkorb | |
|
|
MAX232EWE+ | Analog Devices | Bus Line Transceivers | Dual Transmitter/Receiver RS-232 16-Pin SOIC W Tube | In den Warenkorb | |
|
|
MAX232CWE+T | Analog Devices | Bus Line Transceivers | Dual Transmitter/Receiver RS-232 16-Pin SOIC W T/R | In den Warenkorb | |
|
|
5962-89877012C | Analog Devices | Bus Line Transceivers | Dual Transmitter/Receiver RS-232 20-Pin CLLCC | In den Warenkorb | |
|
|
MCP601T-E/OTVAO | Microchip Technology | Operational Amplifiers - Op Amps | Op Amp Single Low Power Amplifier R-R O/P 6V Automotive AEC-Q100 5-Pin SOT-23 T/R | In den Warenkorb | |
|
|
MCP601T-I/OTG | Microchip Technology | Operational Amplifiers - Op Amps | Op Amp Single Low Power Amplifier R-R O/P 6V Automotive AEC-Q100 5-Pin SOT-23 T/R | In den Warenkorb | |
|
|
UA7808CKCSE3 | Texas Instruments | Linear Regulators | Standard Regulator Pos 8V 1.5A 3-Pin(3+Tab) TO-220 Tube | In den Warenkorb | |
|
|
UA7808CKCS | Texas Instruments | Linear Regulators | Standard Regulator Pos 8V 1.5A 3-Pin(3+Tab) TO-220 Tube | In den Warenkorb | |
|
|
MAX3238CAI+ | Analog Devices | Bus Line Transceivers | Quint Transmitter Triple Receiver RS-232 28-Pin SSOP Tube | In den Warenkorb | |
|
|
MAX232ESE+ | Analog Devices | Bus Line Transceivers | Dual Transmitter/Receiver RS-232 16-Pin SOIC N Tube | In den Warenkorb | |