DM320007-C, PIC32MZ Embedded Connectivity with Floating Point Unit (FPU) Crypto Starter Kit Using PIC32MZ2048EFM144-I/PH
Referenzdesign unter Verwendung des Teils PIC32MZ2048EFM144-I/PH von Microchip Technology
Zugehörige Dokumente
Für Endprodukte
- Bluetooth Headset
- Ethernet Router
- Gamepad/Joystick
- Industrial Control
- Robots
- Wi-Fi
- Wireless Speaker
Beschreibung
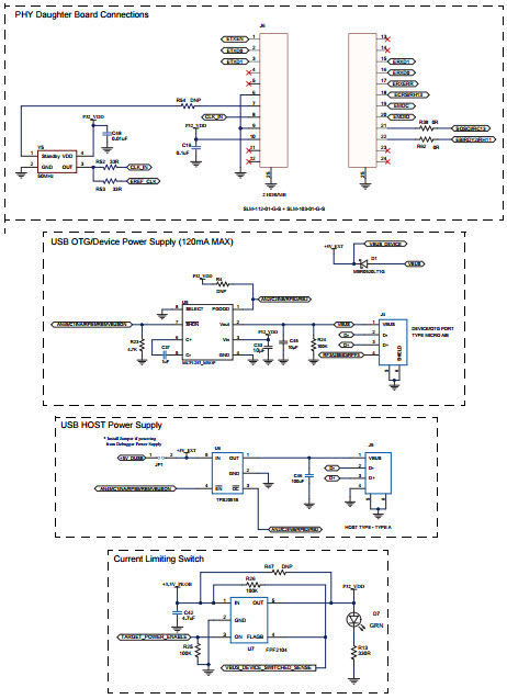
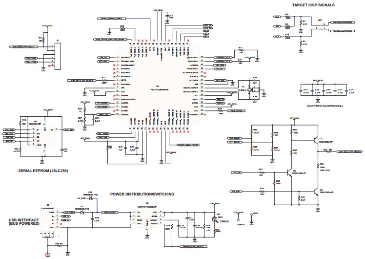
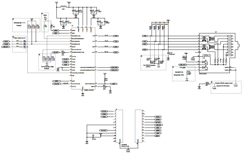
- DM320007-C, PIC32MZ Embedded Connectivity with Floating Point Unit (FPU) Crypto Starter Kit. This starter kit provides a low-cost, modular development system of 32-bit MCUs. MPLAB Harmony is a flexible, abstracted, fully integrated firmware development platform for PIC32 microcontrollers. It provides a framework that includes modules for embedded connectivity applications, such as Ethernet, Wi-Fi, USB, Bluetooth, CAN and Serial. These modules are built upon device drivers and system services and abstract away device specific details so that they can be ported across multiple PIC32 Devices. This starter kit come preloaded with demonstration software that can be used to explore the new features of the PIC32MZ EF family of devices. It is also expandable through a modular expansion interface, which allows the user to extend its functionality. The starter kit also supplies on-board circuitry for full debug and programming capabilities
Haupteigenschaften
-
Embedded System TypeMCU
-
Family NamePIC32
-
Core ProcessorMIPS32 M4K
-
PlatformPIC32 Starter Kit + FPU
Empfohlene Bauteile (13)
| Teilenummer | Hersteller | Typ | Beschreibung | |||
|---|---|---|---|---|---|---|
|
|
SST26VF032BA-104I/SM | Microchip Technology | Flash | NOR Flash Serial (SPI, Dual SPI, Quad SPI) 3V/3.3V 32M-bit 32M/16M/8M x 1/2-bit/4-bit 8-Pin SOIJ Tube | In den Warenkorb | |
|
|
MCP2221-I/ML | Microchip Technology | Interface Controllers | USB 2.0 to I2C/UART Protocol Converter with GPIO I2C/UART Interface 3.3V/5V 16-Pin QFN EP Tube | In den Warenkorb | |
|
|
MCP1253-33X50I/MS | Microchip Technology | Charge Pump | Charge Pump STPUP/STPDN 3.3V/5V 150mA Automotive AEC-Q100 8-Pin MSOP Tube | In den Warenkorb | |
|
|
LAN8740A-EN | Microchip Technology | PHY | PHY 1-CH 10Mbps/100Mbps 3.3V 32-Pin SQFN EP Tray | In den Warenkorb | |
|
|
CX3225GA24000D0PTVCC | Kyocera | Crystals | Crystal 24MHz ±50ppm (Tol) ±150ppm (Stability) 8pF FUND 100Ohm 2-Pin SMD T/R Automotive AEC-Q200 | In den Warenkorb | |
|
|
ASEMB-50.000MHZ-LC-T | Abracon | MEMS Oscillators | Oscillator MEMS 50MHz ±50ppm (Stability) 15pF CMOS 55% 1.8V/2.5V/3.3V 4-Pin QFN SMD T/R | In den Warenkorb | |
|
|
25LC256-I/ST | Microchip Technology | EEPROM | EEPROM Serial-SPI 256K-bit 32K x 8 3.3V/5V Automotive AEC-Q100 8-Pin TSSOP Tube | In den Warenkorb | |
|
|
TPS2051BDBVR | Texas Instruments | USB Power Switches | Power Switch Hi Side 1-OUT 0A 95mOhm 5-Pin SOT-23 T/R | In den Warenkorb | |
|
|
LAN8740A-EN-TR | Microchip Technology | PHY | PHY 1-CH 10Mbps/100Mbps 3.3V 32-Pin VQFN EP T/R | In den Warenkorb | |
|
|
ASDMB-24.000MHZ-LC-T | Abracon | MEMS Oscillators | Oscillator MEMS 24MHz ±50ppm (Stability) 15pF LVCMOS 55% 1.8V/2.5V/3.3V 4-Pin QFN SMD T/R | In den Warenkorb | |
|
|
MCP1727-3302E/MF | Microchip Technology | Linear Regulators | LDO Regulator Pos 3.3V 1.5A Automotive AEC-Q100 8-Pin DFN EP Tube | In den Warenkorb | |
|
|
PIC24FJ256GB106-I/PT | Microchip Technology | Microcontrollers - MCUs | MCU 16-bit PIC RISC 256KB Flash 2.5V/3.3V 64-Pin TQFP Tray | In den Warenkorb | |