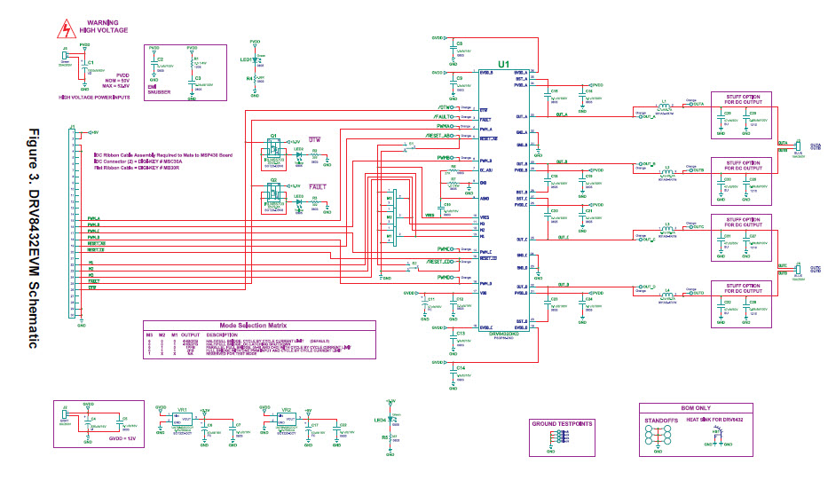
DRV8432EVM, Evaluation Board for DRV8432 Dual Full Bridge PWM Motor Driver

Referenzdesign unter Verwendung des Teils DRV8432DKD von Texas Instruments

Hersteller

Texas Instruments
  • Anwendungskategorie
    Motorkontrolle
  • Produkttyp
    Gleichstrom Motorkontrolle

Zugehörige Dokumente

Für Endprodukte

  • LED Lighting
  • Motion Motor Control
  • Robotics

Beschreibung

  • DRV8432EVM, Motor Drive Evaluation Board for DRV8432 is a dual full bridge PWM motor driver. It has a maximum recommended supply voltage of 52V and is capable of delivering 2x7A continuous output current and 2x12A peak current per device. The DRV8432 has an advanced protection system consisting of short-circuit protection, overcurrent protection, under voltage protection and two-stage thermal protection. The DRV8432EVM can be operated with either two full bridge outputs or 4 half bridge outputs

Haupteigenschaften

  • Motor Type
    DC Motor

Aktuelles über Elektronikkomponenten­

Wir haben unsere Datenschutzbestimmungen aktualisiert. Bitte nehmen Sie sich einen Moment Zeit, diese Änderungen zu überprüfen. Mit einem Klick auf "Ich stimme zu", stimmen Sie den Datenschutz- und Nutzungsbedingungen von Arrow Electronics zu.

Wir verwenden Cookies, um den Anwendernutzen zu vergrößern und unsere Webseite zu optimieren. Mehr über Cookies und wie man sie abschaltet finden Sie hier. Cookies und tracking Technologien können für Marketingzwecke verwendet werden.
Durch Klicken von „RICHTLINIEN AKZEPTIEREN“ stimmen Sie der Verwendung von Cookies auf Ihrem Endgerät und der Verwendung von tracking Technologien zu. Klicken Sie auf „MEHR INFORMATIONEN“ unten für mehr Informationen und Anleitungen wie man Cookies und tracking Technologien abschaltet. Das Akzeptieren von Cookies und tracking Technologien ist zwar freiwillig, das Blockieren kann aber eine korrekte Ausführung unserer Website verhindern, und bestimmte Werbung könnte für Sie weniger relevant sein.
Ihr Datenschutz ist uns wichtig. Lesen Sie mehr über unsere Datenschutzrichtlinien hier.