DS34T108DK, Demo Kit for DS34T101/2/4/8 and DS34S101/2/4/8 1- to 8-Port TDM-over-Packet ICs
Referenzdesign unter Verwendung des Teils DS34T108 von Analog Devices
Für Endprodukte
- Cell Backhaul
- TDM Over Wireless
Beschreibung
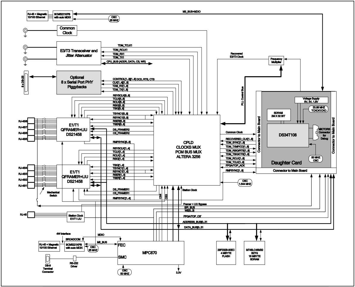
- DS34T108DK, Demo Kit for the DS34T108 octal TDM-over-Packet IC and for the DS34T101, T102, T104, S101, S102, S104, and S108 TDMoP ICs. This demo kit is a stand-alone system with TDMoP chip, local oscillator, local control processor, memory, E1/T1 LIUs and framers, power supply, and user interface software all included in a 1 RU enclosure. The demo kit is controlled over an RS-232 serial link from an external ASCII terminal (typically using terminal emulation software running on a PC). The ASCII user interface is menu driven and hierarchical for ease of use. The behavior and performance of the TDMoP IC can be evaluated with a single demo kit where the Ethernet signal is looped back to the kit or with two demo kits configured as separate end points
Haupteigenschaften
-
Video Interface TypeE1/T1 LIU
Empfohlene Bauteile (8)
| Teilenummer | Hersteller | Typ | Beschreibung | |||
|---|---|---|---|---|---|---|
|
|
MT48LC4M32B2B5-6A AAT:L | Micron Technology | DRAM Chip | DRAM Chip SDRAM 128Mbit 4Mx32 3.3V Automotive AEC-Q100 90-Pin VFBGA Tray | In den Warenkorb | |
|
|
MT48LC4M32B2B5-6A XIT:L | Micron Technology | DRAM Chip | DRAM Chip SDRAM 128Mbit 4Mx32 3.3V 90-Pin VFBGA Tray | In den Warenkorb | |
|
|
MT48LC4M32B2B5-6A AAT:L | Micron Technology | DRAM Chip | DRAM Chip SDRAM 128Mbit 4Mx32 3.3V Automotive AEC-Q100 90-Pin VFBGA Tray | In den Warenkorb | |
|
|
MT48LC4M32B2B5-6A AAT:L TR | Micron Technology | DRAM Chip | DRAM Chip SDRAM 128Mbit 4Mx32 3.3V Automotive AEC-Q100 90-Pin VFBGA Tray | In den Warenkorb | |
|
|
MT48LC4M32B2B5-6A XIT:L | Micron Technology | DRAM Chip | DRAM Chip SDRAM 128Mbit 4Mx32 3.3V 90-Pin VFBGA Tray | In den Warenkorb | |
|
|
MT48LC4M32B2TG-6 IT:L | Micron Technology | DRAM Chip | DRAM Chip SDRAM 128Mbit 4Mx32 3.3V 86-Pin TSOP-II Tray | In den Warenkorb | |
|
|
MT48LC4M32B2B5-6A AAT:L TR | Micron Technology | DRAM Chip | DRAM Chip SDRAM 128Mbit 4Mx32 3.3V Automotive AEC-Q100 90-Pin VFBGA Tray | In den Warenkorb | |
|
|
MT48LC4M32LFF5-10 IT TR | Micron Technology | DRAM Chip | DRAM Chip Mobile SDRAM 128Mbit 4Mx32 3.3V 90-Pin VFBGA T/R | In den Warenkorb | |